Вернуться на главную
Поиск
Каталоги запчастей к технике
Спецтехника
Амкодор
Амкодор-2243В
2661.05.15.000 Система смазки
Каталог запасных частей к технике: Амкодор-2243В. 2661.05.15.000 Система смазки
zoom-in
zoom-out
enlarge
shrink
circle-right
circle-left
file-text2
info
cart
Тип техники
Не выбрано
Легковые автомобили
Грузовые автомобили и прицепы
Автобусы
Сельхозтехника
Спецтехника
Двигатели
Мототехника
Марка
Не выбрано
Ammann
BOMAG
CARMIX
CASE IH
Changlin
ChengGong
Dimex
Doosan
DYNAPAC
Foton
HAMM
Hidromek
Hitachi
Hyundai
JCB
JLG
John Deere
Komatsu
LIEBHERR
LiuGong
Lonking (LongGong)
Luneng
MANITOU
Mitsuber
New Holland
PENGPU
RM-Terex
SANY
SDLG
SEM
Shantui
Shehwa HBXG
Soosan
TIGARBO
VOGELE
Volvo
WAY
WIRTGEN
XCMG
XGMA
Xiamen
YTO
Yuchai
Zoomlion
Автокран
АЗСМ
Алтайлесмаш
Амкодор
АОМЗ
Атек
АТЗ
Балканкар Рекорд
БелАЗ
Беловеж
Борекс
Брянский Арсенал
Булат
ВЭКС
ГАЗ
Геомаш
Гидромаш
Донекс
Дормаш
Дормашина
Дорэлектромаш
ДЭЗ
ЕлАЗ
ЗЗГТ
Ижнефтемаш
Канаш-электрокар
КЗКТ
ККЗ
Клевер
Клинцовский автокрановый завод
КМЗ
КМЗ 1 Мая
Ковровец
Коммаш
Кранэкс
КЭЗ
КЭМЗ
ЛЗА
МАЗ
МЗИК
МЗКМ
МЗКТ
Михневский РМЗ
МоАЗ
Мозырский МЗ
МТЗ
ОЗП
Онежец
ПАО "ТЗА"
ППС Детва
Промтрактор
ПТЗ
Раскат
СпецАгрегат
ТВЭКС
ТТМ
УВЗ
Угличмаш
УЗТМ
ХТЗ
ЧЗКМ
ЧСДМ
ЧТЗ
ЭКСКО
ЭКСМАШ
ЮрМаш
Модель
Не выбрано
2561 (2021)
352C (2019)
Амкодор-208А (2006)
Амкодор-208В (2006)
Амкодор-211 (2009)
Амкодор-211 (2011)
Амкодор-211nev (2009)
Амкодор-211Е (2014)
Амкодор-211Е (2016)
Амкодор-2243В (2012)
Амкодор-2541 (2013)
Амкодор-2541 (2021)
Амкодор-2551 (2011)
Амкодор-2551 (2020)
Амкодор-2661-01 (2011)
Амкодор-2662 (2015)
Амкодор-2904 (2020)
Амкодор-320 (2009)
Амкодор-320 (2011)
Амкодор-320СЕ (2013)
Амкодор-3225 (2018)
Амкодор-325 (ТО-18К) (2006)
Амкодор-327 (ТО-18Д) (2003)
Амкодор-332B, 332B4 (2008)
Амкодор-332С-01 (2006)
Амкодор-332С4 (2016)
Амкодор-332С4 (2018)
Амкодор-332С4, 332С4-02 (2008)
Амкодор-333 (ТО-18Б) (2004)
Амкодор-333А (ТО-18Б2) (2006)
Амкодор-333В (ТО-18Б3)
Амкодор-333В, 332С (2008)
Амкодор-342 (ТО-28) (2004)
Амкодор-342А (ТО-28А)
Амкодор-342В (ТО-18А) (2006)
Амкодор-342В, 342С4, 342Р (2008)
Амкодор-342В, 342С4, 342Р (2010)
Амкодор-342С (2006)
Амкодор-342С-03 (2008)
Амкодор-342С4 (2018)
Амкодор-351 (2006)
Амкодор-352 (2006)
Амкодор-352 (2008)
Амкодор-352 (2021)
Амкодор-352 (352C, 352Л) (2008)
Амкодор-352-10 (2010)
Амкодор-352-10 (2021)
Амкодор-352C (2006)
Амкодор-352СА (2017)
Амкодор-361 (2006)
Амкодор-37 (2012)
Амкодор-371 (2009)
Амкодор-371 (2014)
Амкодор-371А (2009)
Амкодор-451A (2006)
Амкодор-451A(2011) (2011)
Амкодор-527 (2009)
Амкодор-6223 (2007)
Амкодор-6223А (2007)
Амкодор-6223А (2016)
Амкодор-6223Е (2014)
Амкодор-6622 (2007)
Амкодор-6622А (2014)
Амкодор-6712B (2013)
Амкодор-6712А (2007)
Амкодор-702 (2006)
Амкодор-702EA (2007)
Амкодор-702EA(2012) (2012)
Амкодор-702EВ (2012)
Амкодор-702В (ТО-49-40) (2003)
Амкодор-702Е (2008)
Амкодор-702ЕМ-03 (2010)
Амкодор-732 (2015)
Амкодор-732 (2016)
Амкодор-8047А (2007)
Амкодор-91 (ДЗ-133ЭЦ) (2006)
Амкодор-9211А1 (2010)
Амкодор-9531 (ДЭ-226) (2006)
Амкодор-Е16 (2011)
Амкодор-Е25 (2017)
Амкодор-ЕР30 (2017)
Амкодор-ТО-18А (2000)
ГМП 2541.17.00.010-А (2013)
ГМП серии 120 модели G160.17.15.000 (2021)
ГМП серии У35615 модели 332.17.15.000 (2018)
ГМП серии У35615 модели 332С4.17.00.010-А 2018 (2018)
Мост ведущий неуправляемый 10Н.23.00.000 (2019)
Мост ведущий неуправляемый 10НР.24.00.000 (2019)
Мост ведущий неуправляемый 25Н (2018)
Мосты ведущие (2018)
Мосты ведущие серии 342 (2015)
Мосты серии 451 (2019)
Рабочие органы Амкодор-352 (2010)
Т400-70 (2020)
Схема
>
Не выбрано
2243В.00.00.000 Общий вид
2241.21.00.000 Щит трелёвочный
2241.22.00.000 Опора
2243.03.00.000 Установка ГМП
2243.19.00.000 Отвал
2243В.01.00.000-Б Рама
2243В.01.00.000-Б Рама
2243B.05.00.000-Б Установка мостов и колёс
2661.05.15.000 Система смазки
2241.05.03.000-01 Мост ведущий
У2210.20Н-2-03.000-03 Колесная передача
У2210.20Н-2-03.100-03-Б Тормоз колесный
У2210.20Н-2-05.200 Водило
342.05.01.050-01 Главная передача
342.05.01.070-01 Дифференциал
2661.05.03.000 и 2661.05.03.000-01 Колесо
2243В.06.00.000 Гидросистема рабочего оборудования
2243В.06.00.000 Гидросистема рабочего оборудования
2243В.06.00.000 Гидросистема рабочего оборудования
2661.06.01.000-Б Бак гидравлический
2243В.10.00.000-Б Гидросистема тормозов
2243В.10.00.000-Б Гидросистема тормозов
2243В.10.00.000-Б Гидросистема тормозов
УГА2-01.01.000 Блок разгрузочный
УГА1-07.01.000 Клапан обратный
УГА2-05.01.000 Кран тормозной
2243B.11.00.000 Электросистема
2243B.11.00.000 Электросистема
2243B.11.00.000 Электросистема
2661.11.02.000 Установка аккумуляторов
2661.11.03.000 Установка аккумуляторов
2243В.13.00.000-Б Облицовка
2243В.13.00.000-Б Облицовка
2243В.13.00.000-Б Облицовка
2243В.14.00.000-Б Установка технологического оборудования
2243В.14.00.000-Б Установка технологического оборудования
2243В.22.00.000 Установка карданных валов
ТО-28А.04.00.100 и ТО-28А.04.00.100-01 Вал карданный
2243В.23.00.000 Лебёдка
2243В.23.00.000 Лебёдка
Установка кабины 2661.50.00.005, 2661.50.00.005-01, 2661.50.00.005-04
2661.50.00.000 Кабина
2661.50.00.000 Кабина
2661.50.00.000 Кабина
2661.50.00.000 Кабина
2661.50.00.000 Кабина
2661.50.00.000 Кабина
2661.50.00.000 Кабина
2661.50.00.000 Кабина
2661.50.00.000 Кабина
Состав узла
Состав узла
2661.68.01.000 Сиденье
2661.68.02.000 Сиденье
2661.81.00.000-Б Система кондицианирования
2551.90.01.000 Установка компрессора
Установка силовая 2661.02.00.000-Б1
Установка силовая 2661.02.00.000-Б1
Установка силовая 2661.02.00.000-Б1
Бак 2661.02.01.000-Б
Установка радиаторов 2661.02.14.000-Б
Установка радиаторов 2661.02.14.000-Б
Редуктор отбора мощности 2662.16.20.010-01
Редуктор отбора мощности 2662.16.20.010-01
Установка демпфера ТО-28А.02.00.900-Б
Установка генератора ТО-28А.91.20.000
2661.07.00.000-Б Гидросистема ГМП
2661.08.00.000-Б Гидросистема рулевого управления
ЦГ-100.50х400.11-03 Гидроцилиндр
2661.09.00.000 Управление
2661.26.00.000-Б Гидросистема подъёма кабины
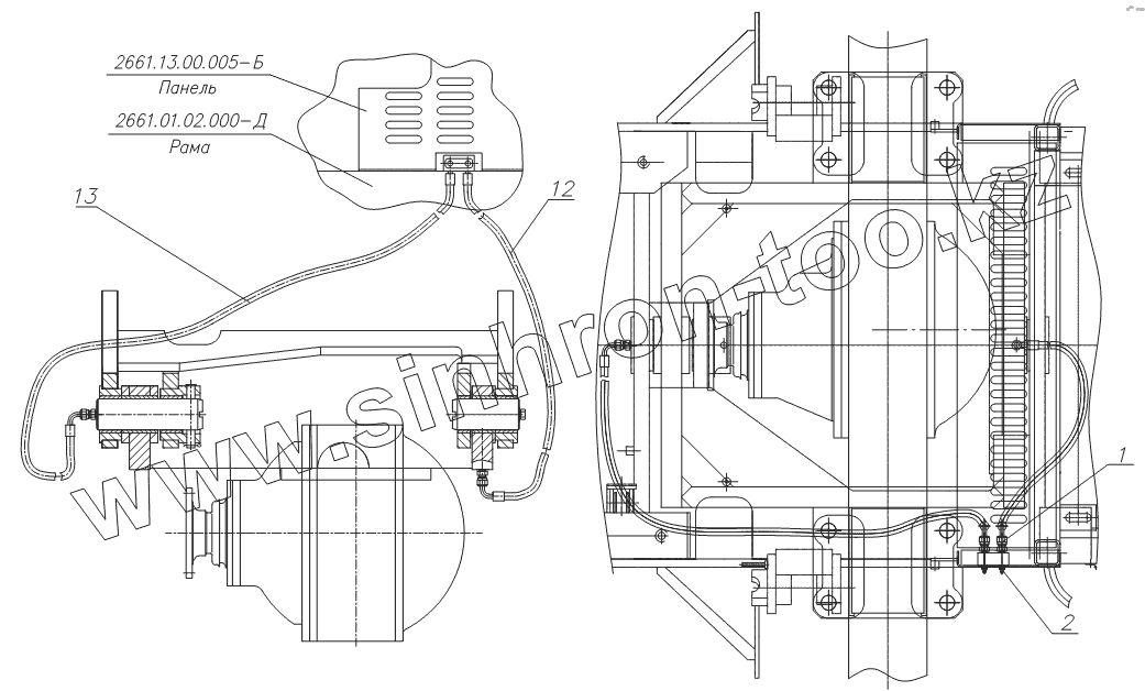
2661.01.02.000-Д
2661.13.00.005-Б
1
2
12
13
Позиция на иллюстрации
Заводской номер детали
Название детали
2661.01.02.000-Д
2661.01.02.000-Д
Рама
2661.13.00.005-Б
2661.13.00.005-Б
Панель
1
УДГ1.01.03.001
Штуцер
2
1.3.Ц6.хр
Масленка
12
1SNNP6x1000 А61А61
Рукав
13
1SN NP6x1500 A61A61
Рукав
Содержащиеся в справочниках-каталогах запасные части и детали не предлагаются к продаже, а носят исключительно информационный характер
Дополнительная информация
×
Название:
Номер:
Примечание: