Вернуться на главную
Поиск
Каталоги запчастей к технике
Спецтехника
Амкодор
Амкодор-211Е
Установка насоса 211Е.16.30.000
Каталог запасных частей к технике: Амкодор-211Е. Установка насоса 211Е.16.30.000
zoom-in
zoom-out
enlarge
shrink
circle-right
circle-left
file-text2
info
cart
Тип техники
Не выбрано
Легковые автомобили
Грузовые автомобили и прицепы
Автобусы
Сельхозтехника
Спецтехника
Двигатели
Мототехника
Марка
Не выбрано
Ammann
BOMAG
CARMIX
CASE IH
Changlin
ChengGong
Dimex
Doosan
DYNAPAC
Foton
HAMM
Hidromek
Hitachi
Hyundai
JCB
JLG
John Deere
Komatsu
LIEBHERR
LiuGong
Lonking (LongGong)
Luneng
MANITOU
Mitsuber
New Holland
PENGPU
RM-Terex
SANY
SDLG
SEM
Shantui
Shehwa HBXG
Soosan
TIGARBO
VOGELE
Volvo
WAY
WIRTGEN
XCMG
XGMA
Xiamen
YTO
Yuchai
Zoomlion
Автокран
АЗСМ
Алтайлесмаш
Амкодор
АОМЗ
Атек
АТЗ
Балканкар Рекорд
БелАЗ
Беловеж
Борекс
Брянский Арсенал
Булат
ВЭКС
ГАЗ
Геомаш
Гидромаш
Донекс
Дормаш
Дормашина
Дорэлектромаш
ДЭЗ
ЕлАЗ
ЗЗГТ
Ижнефтемаш
Канаш-электрокар
КЗКТ
ККЗ
Клевер
Клинцовский автокрановый завод
КМЗ
КМЗ 1 Мая
Ковровец
Коммаш
Кранэкс
КЭЗ
КЭМЗ
ЛЗА
МАЗ
МЗИК
МЗКМ
МЗКТ
Михневский РМЗ
МоАЗ
Мозырский МЗ
МТЗ
ОЗП
Онежец
ПАО "ТЗА"
ППС Детва
Промтрактор
ПТЗ
Раскат
СпецАгрегат
ТВЭКС
ТТМ
УВЗ
Угличмаш
УЗТМ
ХТЗ
ЧЗКМ
ЧСДМ
ЧТЗ
ЭКСКО
ЭКСМАШ
ЮрМаш
Модель
Не выбрано
2561 (2021)
352C (2019)
Амкодор-208А (2006)
Амкодор-208В (2006)
Амкодор-211 (2009)
Амкодор-211 (2011)
Амкодор-211nev (2009)
Амкодор-211Е (2014)
Амкодор-211Е (2016)
Амкодор-2243В (2012)
Амкодор-2541 (2013)
Амкодор-2541 (2021)
Амкодор-2551 (2011)
Амкодор-2551 (2020)
Амкодор-2661-01 (2011)
Амкодор-2662 (2015)
Амкодор-2904 (2020)
Амкодор-320 (2009)
Амкодор-320 (2011)
Амкодор-320СЕ (2013)
Амкодор-3225 (2018)
Амкодор-325 (ТО-18К) (2006)
Амкодор-327 (ТО-18Д) (2003)
Амкодор-332B, 332B4 (2008)
Амкодор-332С-01 (2006)
Амкодор-332С4 (2016)
Амкодор-332С4 (2018)
Амкодор-332С4, 332С4-02 (2008)
Амкодор-333 (ТО-18Б) (2004)
Амкодор-333А (ТО-18Б2) (2006)
Амкодор-333В (ТО-18Б3)
Амкодор-333В, 332С (2008)
Амкодор-342 (ТО-28) (2004)
Амкодор-342А (ТО-28А)
Амкодор-342В (ТО-18А) (2006)
Амкодор-342В, 342С4, 342Р (2008)
Амкодор-342В, 342С4, 342Р (2010)
Амкодор-342С (2006)
Амкодор-342С-03 (2008)
Амкодор-342С4 (2018)
Амкодор-351 (2006)
Амкодор-352 (2006)
Амкодор-352 (2008)
Амкодор-352 (2021)
Амкодор-352 (352C, 352Л) (2008)
Амкодор-352-10 (2010)
Амкодор-352-10 (2021)
Амкодор-352C (2006)
Амкодор-352СА (2017)
Амкодор-361 (2006)
Амкодор-37 (2012)
Амкодор-371 (2009)
Амкодор-371 (2014)
Амкодор-371А (2009)
Амкодор-451A (2006)
Амкодор-451A(2011) (2011)
Амкодор-527 (2009)
Амкодор-6223 (2007)
Амкодор-6223А (2007)
Амкодор-6223А (2016)
Амкодор-6223Е (2014)
Амкодор-6622 (2007)
Амкодор-6622А (2014)
Амкодор-6712B (2013)
Амкодор-6712А (2007)
Амкодор-702 (2006)
Амкодор-702EA (2007)
Амкодор-702EA(2012) (2012)
Амкодор-702EВ (2012)
Амкодор-702В (ТО-49-40) (2003)
Амкодор-702Е (2008)
Амкодор-702ЕМ-03 (2010)
Амкодор-732 (2015)
Амкодор-732 (2016)
Амкодор-8047А (2007)
Амкодор-91 (ДЗ-133ЭЦ) (2006)
Амкодор-9211А1 (2010)
Амкодор-9531 (ДЭ-226) (2006)
Амкодор-Е16 (2011)
Амкодор-Е25 (2017)
Амкодор-ЕР30 (2017)
Амкодор-ТО-18А (2000)
ГМП 2541.17.00.010-А (2013)
ГМП серии 120 модели G160.17.15.000 (2021)
ГМП серии У35615 модели 332.17.15.000 (2018)
ГМП серии У35615 модели 332С4.17.00.010-А 2018 (2018)
Мост ведущий неуправляемый 10Н.23.00.000 (2019)
Мост ведущий неуправляемый 10НР.24.00.000 (2019)
Мост ведущий неуправляемый 25Н (2018)
Мосты ведущие (2018)
Мосты ведущие серии 342 (2015)
Мосты серии 451 (2019)
Рабочие органы Амкодор-352 (2010)
Т400-70 (2020)
Схема
>
Не выбрано
Общий вид
Установка привода хода и колёс 211.26.00.000, 211.26.00.000-01, 211.26.00.000-02
Редуктор колеcный 211.26.01.000
Водило с сателлитами 211.26.01.100
Водило с сателлитами 211.26.01.300-А
Ступица с тормозом 208А.26.02.000
Колесo 208А.31.01.010, Колесо 211.31.01.010
Оборудование рабочее 211.46.00.000, 211.46.00.000-01, 211.46.00.000-02
Сцепка 208A.46.02.010, 208A.46.02.010-01
Гидроцилиндр сцепки 208А-45.05.600, 208A-45.05.600-01T
Сцепка механическая 211.46.02.010
Рабочие органы для АМКОДОР 211Е
Захват рулонов 208.46.39.000
Гидроцилиндр ДЗ-133.24.03.000
Эскаваторное оборудование 208В.70.00.000
Управление экскаваторным оборудованием 208В.70.10.000
Гидросистема 208В.70.12.000
Гидроцилиндр 208В.70.12.100, 208В.70.12.100-01
Гидроцилиндр 208В.70.12.200
Гидроцилиндр 208В.70.12.300
Установка отвала для снега PRONAR 211.45.62.000
Гидросистема отвала для снега PRONAR 211.45.62.500
Электросистема 211.45.62.300
Установка подметально-уборочного оборудования TUCHEL 211.45.81.000
Электросистема 211.45.62.300
Гидромолот 211.45.91.010
Щётка в сборе 208.46.07.010-01
Щётка с приводом 208.46.32.100
Колесо опорное 208.46.32.700
Отвал бульдозерный поворотный 208.46.07.010
Вилы грузовые ДЗ-133.12.00.000 и ДЗ-133.12.00.000-01
Вилы сельскохозяйственные ДЗ-133.13.00.000
Отвал ДЗ-133.16.00.000
Установка кабины 211.50.00.000
Кабина 211.50.10.000
Кабина 211.50.10.000
Кабина 211.50.10.000
Кабина 211.50.10.000
Кабина 211.50.10.000
Кабина 211.50.10.000
Кабина 211.50.10.000
Кабина 211.50.10.000
Кабина 211.50.10.000
Педаль 211.11.08.200
Гидросистема кабины 211.45.20.000
Гидросистема кабины 211.47.20.000
Электросистема кабины 211.50.18.000 и 211.50.18.000-01
Электросистема кабины 211.50.18.000 и 211.50.18.000-01
Электросистема кабины 211.50.18.000 и 211.50.18.000-01
Электросистема кабины 211Т.50.18.000
Электросистема кабины 211Е.50.18.000
Дверь 211.50.33.000
Установка cиловая 211Е.10.00.000
Система питания двигателя 211Е.11.00.000
Система питания топливом 211Е.11.05.000
Управление подачей топлива 211Е.11.08.000
Педаль в сборе 211.11.08.200
Трос 211Е.11.08.100
Система питания воздухом 211Е.11.09.000
Система выпуска отработавших газов 211Е.12.00.000
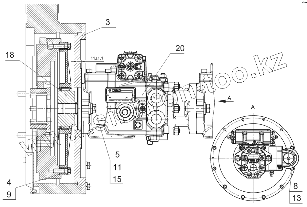
Установка насоса 211Е.16.30.000
Электросистема 211E.37.00.000
Электросистема 211E.37.00.000
Электросистема 211E.37.00.000
Гидросистема 211E.47.00.000, 211E.47.00.000-Т
Гидросистема 211E.47.00.000, 211E.47.00.000-Т
Гидросистема 211E.47.00.000, 211E.47.00.000-Т
Гидросистема рабочего оборудования 211E.47.05.000, 211E.47.05.000-Т
Гидроцилиндр подъема стрелы ДЗ-133.45.04.000 С
Гидроцилиндр поворота ковша 208A.45.05.500-03
Гидросистема управления 211Е.47.10.000
Установка радиаторов 211E.47.70.000
Установка опрокидывающего механизма кабины 211E.60.00.000
Установка теплошумоизоляции 211E.47.70.000
Установка изоляции капота 211E.47.70.000
Система кондиционирования 211E.81.00.000
Установка компрессора 211Е.81.01.000
Электросистема кондиционера 211Е.81.85.000
Установка трубопроводов отопителя 211Е.83.00.000
Облицовка 211.84.00.000, 211.84.00.000-01
Облицовка 211.84.00.000, 211.84.00.000-01
Облицовка 211.84.00.000, 211.84.00.000-01
Облицовка 211.84.00.000, 211.84.00.000-01
Капот 211.84.01.100-А1
Отчет по заменителям по всем узлам погрузчика АМКОДОР 211Е
3
4
5
8
9
11
13
15
18
20
Позиция на иллюстрации
Заводской номер детали
Название детали
3
211Е.16.30.006
Крышка
4
211Е.16.30.007
Планка стопорная
5
211Е.16.30.008
Шайба
8
M10-6gx25.88.35.0115
Болт
9
M10-6gx35.88.35.0115
Болт
11
M14x1,5-6gx45.109.40x.0115
Болт
13
10ОТ.65Г.0115
Шайба
15
14ОТ.65Г.0115
Шайба
18
FLANGE249381001
Муфта
20
HPP4046RB1GKOVx-106
Насос
Содержащиеся в справочниках-каталогах запасные части и детали не предлагаются к продаже, а носят исключительно информационный характер
Дополнительная информация
×
Название:
Номер:
Примечание: