Каталог запасных частей к технике: Амкодор-211. Электросистема 211.37.00.000
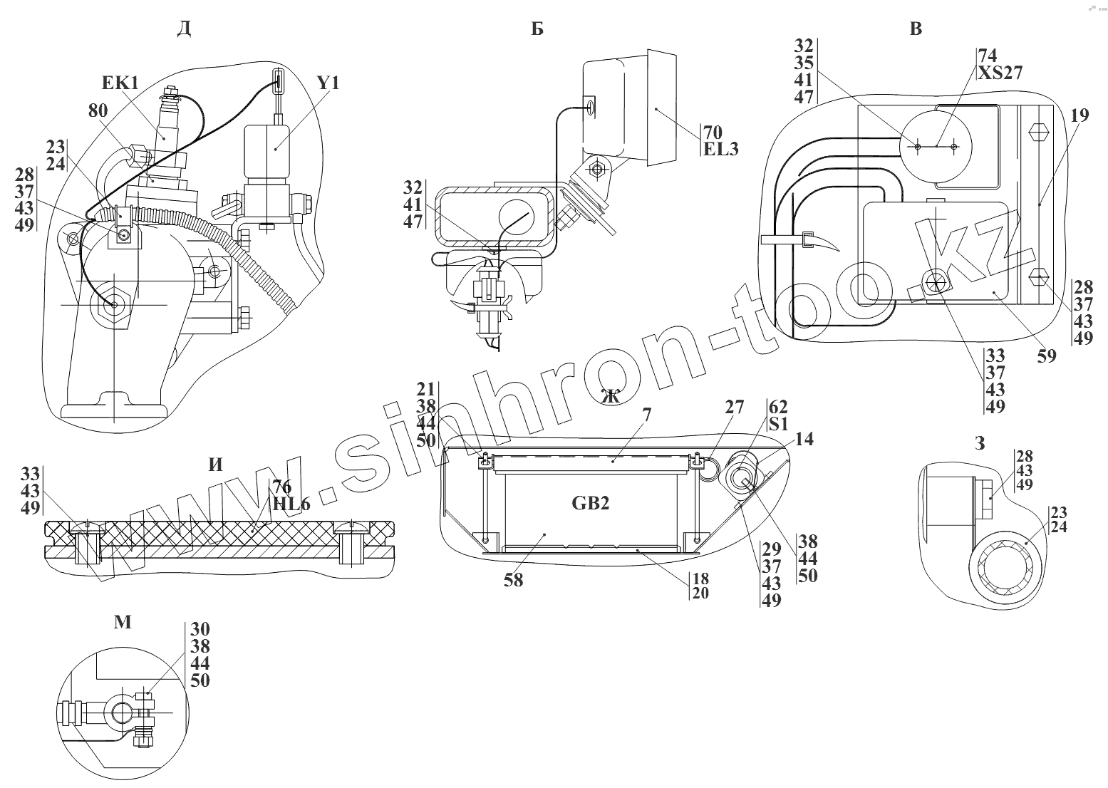
7
14
18
19
20
21
23
23
24
24
27
28
28
28
29
30
32
32
33
33
35
37
37
37
37
38
38
38
41
41
43
43
43
43
43
43
44
44
44
47
47
49
49
49
49
49
49
50
50
50
58
59
62
70
74
76
| Позиция на иллюстрации | Заводской номер детали | Название детали | |
|---|---|---|---|
| 1 | 211.37.00.100-Б | Жгут 1 | |
| 2 | 211.37.00.150-Г | Жгут 2 | |
| 4 | 211.37.00.250 | Сигнализатор | |
| 5 | 211.37.00.300 | Провод 32 | |
| 6 | 211.37.00.350 | Провод 0 | |
| 7 | 211.37.00.400 | Прижим | |
| 11 | 208А.37.00.650 | Провод 30 | |
| 12 | 208А.37.00.700 | Провод 31 | |
| 13 | 208А.37.00.800 | Провод М-2 | |
| 14 | 208А.37.00.900 | Провод М-4 | |
| 15 | ТО-27-2АУХЛ-1200.02.750 | Провод м2 | |
| 18 | 211.37.00.001 | Прокладка | |
| 19 | 211.37.00.002 | Кронштейн | |
| 20 | 211.37.00.003 | Прокладка | |
| 21 | ТО-18А.42.00.005-02 | Тяга | |
| 23 | ДЭ-224А.47.00.003 | Втулка | |
| 24 | У22-2.37-50.025-01 | Хомут | |
| 25 | У22-2.37-50.025-03 | Хомут | |
| 27 | У22-2.37-50.002-05 | Втулка | |
| 28 | М6-6gx12.88.35.0115 | Болт | |
| 29 | М6-6gx16.88.35.0115 | Болт | |
| 30 | М8-6gx35.88.35.0115 | Болт | |
| 32 | B.М3-6gx25.46.0115 | Винт | |
| 33 | B.М6-6gx16.46.0115 | Винт | |
| 35 | М3-6H.8.35.0115 | Гайка | |
| 36 | М5-6H.8.35.0115 | Гайка | |
| 37 | М6-6H.8.35.0115 | Гайка | |
| 38 | М8-6H.8.35.0115 | Гайка | |
| 39 | М12-6H.8.35.0115 | Гайка | |
| 41 | 365Г0115 | Шайба | |
| 42 | 565Г0115 | Шайба | |
| 43 | 665Г0115 | Шайба | |
| 44 | 865Г0115 | Шайба | |
| 45 | 1265Г0115 | Шайба | |
| 47 | С.3.02.Ст3.0115 | Шайба | |
| 48 | С.5.02.Ст3.0115 | Шайба | |
| 49 | С.6.02.Ст3.0115 | Шайба | |
| 50 | С.8.02.Ст3.0115 | Шайба | |
| 51 | С.12.02.Ст3.0115 | Шайба | |
| 54 | А24-10 | Лампа | |
| 55 | А24-21-3 | Лампа | |
| 58 | 6СТ-88А | Батарея аккумуляторная | |
| 59 | БП-11-06 | Блок предохранителей | |
| 61 | ПР118Б-01 | Предохранитель | |
| 62 | 1212.3737-02 | Выключатель | |
| 65 | ДАДМ-03 | Датчик аварийного давления масла | |
| 67 | ДУТЖ | Датчик | |
| 68 | ДУТЖ-03 | Датчик | |
| 69 | 711.3747-11 | Реле 711.3747-11 | |
| 70 | 8724.304/013 | Фара рабочая | |
| 71 | ПФ130-Б | Фонарь передний | |
| 73 | TH188ТО37.458.075-2005 | Устройство светосигнальное | |
| 74 | РНЦ10-001 | Розетка | |
| 76 | 3212.3731 | Световозвращатель боковой | |
| 77 | 3202.3731 | Световозвращатель задний 3202.3731 | |
| 85 | SEL.3.223200x4,5 | Кабельная стяжка |
Содержащиеся в справочниках-каталогах запасные части и детали не предлагаются к продаже, а носят исключительно информационный характер