Вернуться на главную
Поиск
Каталоги запчастей к технике
Спецтехника
Амкодор
352C
352С.10.00.000 Установка силовая
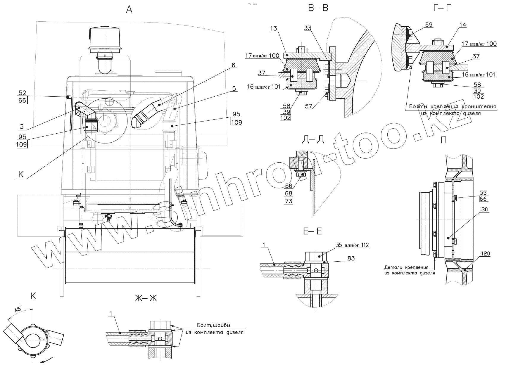
Каталог запасных частей к технике: Амкодор 352C. 352С.10.00.000 Установка силовая
zoom-in
zoom-out
enlarge
shrink
circle-right
circle-left
file-text2
info
cart
Тип техники
Не выбрано
Легковые автомобили
Грузовые автомобили и прицепы
Автобусы
Сельхозтехника
Спецтехника
Двигатели
Мототехника
Марка
Не выбрано
Ammann
BOMAG
CARMIX
CASE IH
Changlin
ChengGong
Dimex
Doosan
DYNAPAC
Foton
HAMM
Hidromek
Hitachi
Hyundai
JCB
JLG
John Deere
Komatsu
LIEBHERR
LiuGong
Lonking (LongGong)
Luneng
MANITOU
Mitsuber
New Holland
PENGPU
RM-Terex
SANY
SDLG
SEM
Shantui
Shehwa HBXG
Soosan
TIGARBO
VOGELE
Volvo
WAY
WIRTGEN
XCMG
XGMA
Xiamen
YTO
Yuchai
Zoomlion
Автокран
АЗСМ
Алтайлесмаш
Амкодор
АОМЗ
Атек
АТЗ
Балканкар Рекорд
БелАЗ
Беловеж
Борекс
Брянский Арсенал
Булат
ВЭКС
ГАЗ
Геомаш
Гидромаш
Донекс
Дормаш
Дормашина
Дорэлектромаш
ДЭЗ
ЕлАЗ
ЗЗГТ
Ижнефтемаш
Канаш-электрокар
КЗКТ
ККЗ
Клевер
Клинцовский автокрановый завод
КМЗ
КМЗ 1 Мая
Ковровец
Коммаш
Кранэкс
КЭЗ
КЭМЗ
ЛЗА
МАЗ
МЗИК
МЗКМ
МЗКТ
Михневский РМЗ
МоАЗ
Мозырский МЗ
МТЗ
ОЗП
Онежец
ПАО "ТЗА"
ППС Детва
Промтрактор
ПТЗ
Раскат
СпецАгрегат
ТВЭКС
ТТМ
УВЗ
Угличмаш
УЗТМ
ХТЗ
ЧЗКМ
ЧСДМ
ЧТЗ
ЭКСКО
ЭКСМАШ
ЮрМаш
Модель
Не выбрано
2561 (2021)
352C (2019)
Амкодор-208А (2006)
Амкодор-208В (2006)
Амкодор-211 (2009)
Амкодор-211 (2011)
Амкодор-211nev (2009)
Амкодор-211Е (2014)
Амкодор-211Е (2016)
Амкодор-2243В (2012)
Амкодор-2541 (2013)
Амкодор-2541 (2021)
Амкодор-2551 (2011)
Амкодор-2551 (2020)
Амкодор-2661-01 (2011)
Амкодор-2662 (2015)
Амкодор-2904 (2020)
Амкодор-320 (2009)
Амкодор-320 (2011)
Амкодор-320СЕ (2013)
Амкодор-3225 (2018)
Амкодор-325 (ТО-18К) (2006)
Амкодор-327 (ТО-18Д) (2003)
Амкодор-332B, 332B4 (2008)
Амкодор-332С-01 (2006)
Амкодор-332С4 (2016)
Амкодор-332С4 (2018)
Амкодор-332С4, 332С4-02 (2008)
Амкодор-333 (ТО-18Б) (2004)
Амкодор-333А (ТО-18Б2) (2006)
Амкодор-333В (ТО-18Б3)
Амкодор-333В, 332С (2008)
Амкодор-342 (ТО-28) (2004)
Амкодор-342А (ТО-28А)
Амкодор-342В (ТО-18А) (2006)
Амкодор-342В, 342С4, 342Р (2008)
Амкодор-342В, 342С4, 342Р (2010)
Амкодор-342С (2006)
Амкодор-342С-03 (2008)
Амкодор-342С4 (2018)
Амкодор-351 (2006)
Амкодор-352 (2006)
Амкодор-352 (2008)
Амкодор-352 (2021)
Амкодор-352 (352C, 352Л) (2008)
Амкодор-352-10 (2010)
Амкодор-352-10 (2021)
Амкодор-352C (2006)
Амкодор-352СА (2017)
Амкодор-361 (2006)
Амкодор-37 (2012)
Амкодор-371 (2009)
Амкодор-371 (2014)
Амкодор-371А (2009)
Амкодор-451A (2006)
Амкодор-451A(2011) (2011)
Амкодор-527 (2009)
Амкодор-6223 (2007)
Амкодор-6223А (2007)
Амкодор-6223А (2016)
Амкодор-6223Е (2014)
Амкодор-6622 (2007)
Амкодор-6622А (2014)
Амкодор-6712B (2013)
Амкодор-6712А (2007)
Амкодор-702 (2006)
Амкодор-702EA (2007)
Амкодор-702EA(2012) (2012)
Амкодор-702EВ (2012)
Амкодор-702В (ТО-49-40) (2003)
Амкодор-702Е (2008)
Амкодор-702ЕМ-03 (2010)
Амкодор-732 (2015)
Амкодор-732 (2016)
Амкодор-8047А (2007)
Амкодор-91 (ДЗ-133ЭЦ) (2006)
Амкодор-9211А1 (2010)
Амкодор-9531 (ДЭ-226) (2006)
Амкодор-Е16 (2011)
Амкодор-Е25 (2017)
Амкодор-ЕР30 (2017)
Амкодор-ТО-18А (2000)
ГМП 2541.17.00.010-А (2013)
ГМП серии 120 модели G160.17.15.000 (2021)
ГМП серии У35615 модели 332.17.15.000 (2018)
ГМП серии У35615 модели 332С4.17.00.010-А 2018 (2018)
Мост ведущий неуправляемый 10Н.23.00.000 (2019)
Мост ведущий неуправляемый 10НР.24.00.000 (2019)
Мост ведущий неуправляемый 25Н (2018)
Мосты ведущие (2018)
Мосты ведущие серии 342 (2015)
Мосты серии 451 (2019)
Рабочие органы Амкодор-352 (2010)
Т400-70 (2020)
Схема
>
Не выбрано
352С.00.00.000 Погрузчик универсальный
352С.00.00.000 Погрузчик универсальный
352С.00.00.000 Погрузчик универсальный
352С.00.00.000 Погрузчик универсальный
352С.00.00.000 Погрузчик универсальный
342.17.00.000 Установка ГМП
332С4.03.00.000 Установка ГМП
352.35.05.000 Гидросистема тормозов
352.35.05.000 Гидросистема тормозов
352.35.05.000 Гидросистема тормозов
УГА2-01.01.000 Блок разгрузочный
УГА2-05.01.000 Кран тормозной
352.34.07.000 Гидросистема рулевого управления
352.34.07.000 Гидросистема рулевого управления
352.34.07.000 Гидросистема рулевого управления
352.34.07.000 Гидросистема рулевого управления
352.34.07.000 Гидросистема рулевого управления
342В.34.07.200-Б Гидроцилиндр
Ц080040.00.000-В Гидроцилиндр
КГЦ 632-02.80-56-400 Гидроцилиндр
352.34.07.070 Клапан приоритетный в сборе со штуцерами
ТО-28А.78.01.000 Клапан разгрузочный
352С.01.00.000 Рама
352С.01.00.000 Рама
350.28.03.000 Установка противовеса
350.28.05.000 Установка противовеса
350.02.00.000 Установка силовая
350.02.00.000 Установка силовая
350.02.00.000 Установка силовая
350.02.00.000 Установка силовая
350.02.01.000-Б Установка радиаторов
350.02.01.000-Б Установка радиаторов
350.02.04.000 Редуктор
350.02.04.000 Редуктор
350.02.05.000 Система заправки РОМ
ТО-28А.02.03.000 Воздухоочиститель
332В.10.11.000 Топливопровод
332В.10.12.000 Топливопровод
ТО-28А.02.00.900-В Установка демпфера
ТО-28А.02.16.000 Воздухоочиститель
ТО-28А.02.19.000 Бак топливный
350.02.00.000 Установка силовая
350.02.00.000 Установка силовая
350.02.01.000Т Установка радиаторов
350.02.01.000Т Установка радиаторов
352С.10.00.000 Установка силовая
352С.10.00.000 Установка силовая
352С.10.00.000 Установка силовая
352С.10.15.005 Установка подогревателя предпускового
352С.10.15.005 Установка подогревателя предпускового
352С.10.15.005 Установка подогревателя предпускового
352С.10.15.200 Электросистема подогревателя предпускового дизельного 14ТС-10 АКР
352С.10.15.200 Электросистема подогревателя предпускового дизельного 14ТС-10 АКР
352С.10.15.200 Электросистема подогревателя предпускового дизельного 14ТС-10 АКР
350.04.00.000 Установка карданных валов
ТО-28А.04.00.100 Вал
352С.30.00.000 Установка мостов и колес
350.05.01.000 Рамка балансирная
350.05.01.000Т Рамка балансирная
350С.31.01.000 Колесо
352Л.05.05.000 Система смазки
352С.29.00.000 Установка мостов и колес
352С.31.01.000 Колесо
350.07.00.000 Гидросистема ГМП
350.07.00.000 Гидросистема ГМП
350.07.00.000 Гидросистема ГМП
ТО-28А.07.05.000 Фильтр магистральный
ТО-28А.07.07.000 Фильтр магистральный
350.17.14.005 Установка системы охлаждения ГМП
350.17.14.005 Установка системы охлаждения ГМП
350.09.00.000-В Управление
350.09.00.000-В Управление
350.09.00.000-В Управление
350.09.02.000 Тяга
350.09.03.000 Тяга
350.09.03.000-Б Тяга
350.09.05.000 Тяга
350.09.06.000 Тяга
350.09.06.000-Б Тяга
350.09.07.000 Тяга
ТО-18Б.79.02.000 Тяга
ТО-18Б.79.03.000 Тяга
ТО-18Б.79.11.000 Тяга
ТО-18Б.79.05.000 Тяга
ТО-18Б.79.07.000 Тяга
ТО-18Б.79.12.000 Тяга
ТО-18Б.79.09.000 Тяга
ТО-18Б.79.10.000 Тяга
ТО-18Б.79.13.000 Тяга
ТО-18Б.79.14.000 Тяга
ТО-18Б.79.15.000 Тяга
ТО-18Д.09.02.000 Механизм управления
352.85.00.000 Облицовка
352.85.00.000 Облицовка
352.85.00.000 Облицовка
352.85.00.000 Облицовка
352.85.00.000 Облицовка
352.85.00.000 Облицовка
332С4.13.23.000-Б Крыло
332С4.13.25.000 Лестница
352.85.25.000 Лестница
332С4.13.32.000 Корпус
332С4.13.31.000 Корпус
332С4.84.21.000 Лестница
350.13.29.000 Лестница
352.85.13.000 Лестница
ТО-18Б.83.01.000 Лестница
ТО-18Б.83.23.000 Крыло
350.13.10.000 Крыло
350.13.19.000 Крыло
ТО-18Б.83.24.000 Крыло
350.13.13.000 Лестница
ТО-18Д.13.15.000 Крыло
350.13.14.000 Крыло
ТО-18Д.13.16.000 Крыло
350.13.15.000 Крыло
ТО-28А.13.18.000 Крыло
350.13.09.000 Крыло
350.13.00.000Т-Б Облицовка
350.13.00.000Т-Б Облицовка
350.13.00.000Т-Б Облицовка
350С4.14.00.000 Оборудование погрузочное
342С4.14.03.000 Тяга
350С4.14.06.000 Стрела
350С4.14.04.000 Коромысло
342С4.37.00.000 Электросистема
342С4.37.00.000 Электросистема
342С4.37.00.000 Электросистема
211.37.00.250-Б Сигнализатор
342В.11.00.000Т Электросистема
342В.11.00.000Т Электросистема
342В.11.00.000Т Электросистема
352.13.00.000Т-Б Система охлаждения гидробака
352С.46.00.000-Б Гидросистема рабочего оборудования
352С.46.00.000-Б Гидросистема рабочего оборудования
352С.46.00.000-Б Гидросистема рабочего оборудования
350С.46.13.000 Гидроцилиндр стрелы
350С.46.14.000 Гидроцилиндр ковша
352.46.15.000 Гидробак
352С.46.10.000 Подключение насосов
352С.46.10.000 Подключение насосов
352С.46.11.000 Управление гидрораспределителем
352С.46.11.000 Управление гидрораспределителем
352.46.09.040 Блок управления
ТО-28А.76.09.015 Блок управления
ТО-28А.76.09.030 Блок управления
ТО-28А.76.09.040 Установка пневмоаккумулятора с блоком гидроклапанов
ТО-28А.76.09.050 Установка блока питания
ТО-28А.76.09.070 Установка блока питания
КГЦ634.140-80-800 Гидроцилиндр
КГЦ635.180-80-S Гидроцилиндр
352С.18.00.000 Пневмосистема
342С.45.40.000 Адаптер
ТО-28.50.04.000 Гидросистема адаптера
208А.45.05.600 Гидроцилиндр
КГЦ 731.63-36/36-115 Гидроцилиндр
СО1.81.00.000 Система отопления
СО1.81.00.000 Система отопления
352С.10.15.005 Установка подогревателя предпускового
352С.10.15.005 Установка подогревателя предпускового
352С.10.15.005 Установка подогревателя предпускового
352С.10.15.200 Электросистема подогревателя предпускового дизельного 14ТС-10 АКР
352С.10.15.200 Электросистема подогревателя предпускового дизельного 14ТС-10 АКР
352С.10.15.200 Электросистема подогревателя предпускового дизельного 14ТС-10 АКР
СО1.81.02.000 Доработка кабины
СО1.81.02.000 Доработка кабины
СО1.81.38.000 Электросистема
352С.21.00.000 Ковш
352С.45.06.000 Ковш
СС1.85.00.010 Система централизованной смазки
СС1.85.37.000 Электросистема централизованной смазки BEKA-MAX
СС1.85.39.000 Электросистема централизованной смазки LINCOLN
352С.50.00.000 Установка кабины
352С.50.00.000 Установка кабины
352С.50.00.000 Установка кабины
352С.50.00.000 Установка кабины
352С.50.00.000 Установка кабины
352С.50.00.000 Установка кабины
352С.50.00.000 Установка кабины
352С.50.00.000 Установка кабины
352.81.01.000Т Установка компрессора
2661.81.01.000 Установка компрессора
ТО-28А.91.10.000-Б Установка компрессора
352С.50.37.000 Подключение компрессора
ТО-18Б.85.01.000 Стойка
ТО-18Б.85.02.000 Стойка
ТО-18Б.85.04.000 Стойка
ТО-18Б.85.05.000 Стойка
ТО-28.50.00.000-Б Адаптер
ТО-28.50.04.000 Гидросистема адаптера
208А.45.05.600 Гидроцилиндр
КГЦ 731.63-36/36-115 Гидроцилиндр
ТО-28А.20.00.000 Установка трубопроводов отопителя
ТО-28А.20.00.000 Установка трубопроводов отопителя
ТО-28А.20.00.000 Установка трубопроводов отопителя
1
1
3
5
6
13
14
16
16
17
17
33
35
37
37
39
39
52
56
57
58
58
66
66
68
69
73
83
95
95
100
100
101
101
102
102
109
109
112
Позиция на иллюстрации
Заводской номер детали
Название детали
1
332В.10.11.000
Топливопровод
2
332В.10.12.000-01
Топливопровод
3
350.02.00.100
Трубопровод
4
350.02.00.200
Трубопровод
5
350.02.00.300
Трубопровод
6
350.02.00.400
Трубопровод
7
350.02.01.000-Б
Установка радиаторов
8
350.02.05.000
Система заправки РОМ
10
350.02.04.000
Редуктор
11
352С.10.15.005
Установка подогревателя предпускового
12
ТО-28А.02.00.050
Трубопровод
13
ТО-28А.02.00.100
Кронштейн
14
ТО-28А.02.00.200
Кронштейн
16
ТО-28А.02.00.400
Амортизатор нижний
17
ТО-28А.02.00.500
Амортизатор верхний
18
ТО-28А.02.00.800
Глушитель
19
ТО-28А.02.00.900-В
Установка демпфера
20
ТО-28А.02.03.000-01
Воздухоочиститель
26
ТО-28А.02.16.000-01
Воздухоочиститель
29
ТО-28А.02.19.000
Бак топливный
32
Д-565.3110-21
Штифт
33
ТМ-3.10.05.001
Планка
35
ТМ-59М.10.30.002
Болт поворотный
36
ТМ-59М.14.00.003
Штуцер
37
ТО-18Б.72.00.001
Штифт
39
ТО-28А.02.00.406
Шайба
52
М8-6gx16.88.35.0115
Болт
54
М10-6gx16.88.35.0115
Болт
55
М12-6gx25.88.35.0115
Болт
56
М12-6gx30.88.35.0115
Болт
57
М14x1,5-6gx35.109.40Х.0115
Болт
58
М14x1,5-6gx100.88.35.0115
Болт
59
М16-6gx30.88.35.0115
Болт
66
8 65Г 0115
Шайба
67
10 65Г 0115
Шайба
68
12 65Г 0115
Шайба
69
14 65Г 0115
Шайба
70
16 65Г 0115
Шайба
72
С.10.02.Ст3.0115
Шайба
73
С.12.02.Ст3.0115
Шайба
74
С.14.02.Ст3.0115
Шайба
82
10 М3
Прокладка
83
14 М3
Прокладка
88
50x64-1,47
Рукав
90
54x68-1,2
Рукав
93
70x82,5-0,29 В
Рукав
94
76x87,5-0,29
Рукав
95
76x87,5-0,29
Рукав
96
76x87,5-0,29
Рукав
98
90x104-0,29
Рукав
100
7548-1001410
Амортизатор верхний
101
7548-1001420
Амортизатор нижний
102
DIN 985-8Zn-M14x1,5
Гайка
104
Д-260.9-832 ТУ 23.3.03-86
Дизель
107
TORRO 50-70/9-C7W2
Зажим
108
TORRO 60-80/12-С7W2
Зажим
109
TORRO 70-90/9-C7W2
Зажим
110
TORRO 80-100/12-C7W2
Зажим
111
TORRO 90-110/12-C7W2
Зажим
112
Д-18-051
Болт поворотный
113
VOLVO JW04200
Зажим
114
02.00.800
Глушитель
118
3780.1200.35.000
Глушитель
119
36-1104787
Болт штуцера
Содержащиеся в справочниках-каталогах запасные части и детали не предлагаются к продаже, а носят исключительно информационный характер
Дополнительная информация
×
Название:
Номер:
Примечание: