Каталог запасных частей к технике: ЮМЗ-6Л. Схема электрооборудования трактора ЮМЗ-6М
1
2
3
4
5
6
7
7
8
8
9
9
10
11
11
11
11
12
12
13
14
15
16
17
18
19
20
21
22
23
24
25
26
27
28
29
30
30
31
32
33
34
34
34
35
36
37
38
39
40
41
42
43
44
45
46
47
48
49
50
51
51
52
53
53
54
55
56
57
58
59
60
61
62
63
64
65
66
67
68
69
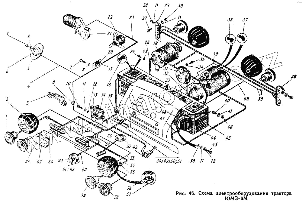
| Позиция на иллюстрации | Заводской номер детали | Название детали | |
|---|---|---|---|
| 45-3700100 СБ | 45-3700100 СБ | Установка плафона | |
| 45-3700100 | 45-3700100 | Установка плафона | |
| 45-3700045 СБ | 45-3700045 СБ | Установка электрооборудования на заднем листе | |
| 45-3700010 СБ | 45-3700010 СБ | Установка электрооборудования трактора ЮМЗ-6М | |
| 45-3700020-Б СБ | 45-3700020-Б СБ | Установка электрооборудования кабины | |
| 45-3700045 СБ | 45-3700045 СБ | Установка электрооборудования на заднем листе | |
| 1 | ФП-100-Б | Фонарь задний | |
| 2 | ФГ-304 | Фара тракторная | |
| 3 | 45-3700004 | Колпачок | |
| 4 | 45-3724026 | Провод плафон-переключатель | |
| 5 | ПК-201 | Плафон | |
| 6 | Лампа А12-3 ГОСТ 2023-66 | Лампа А12-3 ГОСТ 2023-66 | |
| 7 | Винт М4Х8 | Винт М4Х8 | |
| 8 | Шайба 4 | Шайба 4 | |
| 9 | 36-3723024-А | Втулка | |
| 9 | 36-3723024-Б | Втулка провода | |
| 10 | Болт М6Х16 | Болт М6Х16 | |
| 11 | Шайба 6 | Шайба 6 | |
| 12 | Шайба 6 | Шайба 6 | |
| 13 | 45-3710011-А | Кронштейн включателя «массы» | |
| 14 | ВК-318-Б | Включатель «массы» | |
| 15 | 45-3700003 | Втулка | |
| 16 | 45-3700005 | Колпачок защитный | |
| 17 | 45-3724025 | Провод кабины | |
| 18 | Г-306-А | Генератор | |
| 19 | СТ-212-Р1 | Стартер | |
| 20 | ППН-45 | Переключатель | |
| 21 | СП-230 | Стеклоочиститель | |
| 22 | 45-8104010-А | Вентилятор кабины | |
| 23 | 45-3724095-Г | Жгут к стеклоочистителю | |
| 24 | Болт М8Х25 | Болт М8Х25 | |
| 25 | Гайка М8 | Гайка М8 | |
| 26 | 45А-3724085-Д | Жгут к генератору | |
| 27 | Болт М6Х25 | Болт М6Х25 | |
| 28 | Винт М6Х12 | Винт М6Х12 | |
| 29 | 45-3700080 | Кронштейн | |
| 30 | Гайка М6 | Гайка М6 | |
| 31 | С-311 | Сигнал звуковой безрупорный | |
| 32 | 45-3724044 | Провод к звуковому сигналу | |
| 33 | 45-3700060 | Перемычка аккумуляторных батарей в сборе | |
| 34 | Шайба 8 | Шайба 8 | |
| 35 | Болт М8Х16 | Болт М8Х16 | |
| 36 | 45-3700001 | Наконечник изоляционный | |
| 37 | 45-3700002 | Наконечник изоляционный | |
| 38 | ПС-2-А2 | Панель соединительная | |
| 39 | 45-3724027 | Провод указатель температуры воды-датчик | |
| 40 | Болт М10Х20 | Болт М10Х20 | |
| 41 | Шайба 10 | Шайба 10 | |
| 42 | 45-3710010 СБ | Включатель «Стоп» в сборе | |
| 43 | 3СТ-215-ЭМ | Батарея аккумуляторная | |
| 44 | РБ-1 | Реле блокировки | |
| 45 | Болт М6Х20 | Болт М6Х20 | |
| 46 | Гайка М10 | Гайка М10 | |
| 47 | 45-3724077-А1 | Жгут к реле блокировки | |
| 48 | 45-3700011 | Кронштейн | |
| 49 | ХПО-16Х27-8.01 | Шайба 8 | |
| 50 | Хомутик подвесной одноместный нормаль МТ | Хомутик подвесной одноместный нормаль МТЗ ОГК | |
| 51 | Болт М8Х20 | Болт М8Х20 | |
| 52 | 45-3724054-А | Провод датчик-штепсельная клемма датчика | |
| 53 | 45-3724058 | Провод соединительная панель-задняя фара | |
| 53 | 45-3724055 | Провод соединительная панель-задняя фара | |
| 54 | 45-3724091-Б | Жгут к правым фонарям | |
| 55 | СХ-8Х22Х6 | Скоба | |
| 56 | 36-3711037-А | Чашка | |
| 57 | 40-3711036 | Прокладка | |
| 58 | 45-3700029 | Прокладка | |
| 59 | УП-5-Ж | Фонарь указателя поворота | |
| 60 | 45-3724082-В | Жгут к розетке | |
| 61 | Винт М5Х35 | Винт М5Х35 | |
| 62 | Шайба 5 | Шайба 5 | |
| 63 | ПО300А-100 | Розетка штепсельная | |
| 64 | 50-3716011 | Прокладка | |
| 65 | Лампа А12-3 ГОСТ 2023-66 | Лампа А12-3 ГОСТ 2023-66 | |
| 66 | ФП-200-А | Фонарь номерного знака тракторный | |
| 67 | 45-3724081-Б | Жгут задних фонарей | |
| 68 | 45-3700090 | Провод «массы» в сборе | |
| 69 | 40-3724003-БЮ | Провод стартер-аккумуляторная батарея |
Содержащиеся в справочниках-каталогах запасные части и детали не предлагаются к продаже, а носят исключительно информационный характер