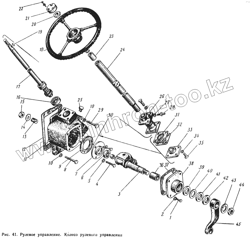
Каталог запасных частей к технике: ЮМЗ-6Л. Рулевое управление. Колесо рулевого управления
1
2
3
4
5
6
7
8
9
10
10
11
12
13
14
15
16
17
18
19
20
21
22
23
24
25
26
27
28
29
30
31
32
33
34
35
36
37
37
38
38
39
40
41
42
43
44
45
| Позиция на иллюстрации | Заводской номер детали | Название детали | |
|---|---|---|---|
| 36-3401010-Б СБ | 36-3401010-Б СБ | Картер рулевого управления | |
| 36-3401010-Б СБ | 36-3401010-Б СБ | Картер рулевого управления | |
| 45-3400010 СБ | 45-3400010 СБ | Рулевое управление с рулевым колесом | |
| 45-3400010 СБ | 45-3400010 СБ | Рулевое управление с рулевым колесом | |
| 45-3401015 СБ | 45-3401015 СБ | Рулевое управление | |
| 36-3401086-Б СБ | 36-3401086-Б СБ | Крышка боковая | |
| 36-3401080-Б СБ | 36-3401080-Б СБ | Крышка боковая | |
| 45-3401040-Б СБ | 45-3401040-Б СБ | Колонка рулевого управления | |
| 45-3401015 СБ | 45-3401015 СБ | Рулевое управление | |
| 1 | Болт М10Х30 | Болт М10Х30 | |
| 2 | Шайба 10 | Шайба 10 | |
| 3 | 36-3401060-Б СБ | Вал сошки | |
| 4 | Болт М10Х25 | Болт М10Х25 | |
| 5 | Шайба 10 | Шайба 10 | |
| 6 | Подшипник 292205К ГОСТ 5377-60 | Подшипник 292205К ГОСТ 5377-60 | |
| 7 | 36-3401017-Б | Стакан подшипника | |
| 8 | Болт М14Х45 | Болт М14Х45 | |
| 9 | 36-3401018-Б | Прокладка | |
| 10 | Шайба 14 | Шайба 14 | |
| 11 | 36-3401016-Б1 | Картер рулевого управления | |
| 12 | 36-3400016 | Прокладка | |
| 13 | 40-3401072 | Бинт регулировочный | |
| 14 | 36-3401073 | Шайба стопорная | |
| 15 | 36-3401075-А | Гайка | |
| 16 | Роликоподшипник 46,673Х12Х14 | Роликоподшипник 46,673Х12Х14 | |
| 17 | 40-3401020 | Вал с червяком | |
| 18 | 40-3402015 СБ | Колесо рулевое | |
| 19 | Шпонка 5Х19 | Шпонка 5Х19 | |
| 20 | Гайка М24 | Гайка М24 | |
| 21 | 40-3400019-А | Заглушка | |
| 22 | Шуруп М5Х36 | Шуруп М5Х36 | |
| 23 | 40-3401049-А | Втулка | |
| 24 | 40-3401048 | Труба | |
| 25 | Пробка КГ 3/8" | Пробка КГ 3/8" | |
| 26 | 36-3401046-Б | Крышка верхняя | |
| 27 | Шайба 10 | Шайба 10 | |
| 28 | 45-3401041 | Ось | |
| 29 | Болт М14Х140 | Болт М14Х140 | |
| 30 | Штифт 5Х12 | Штифт 5Х12 | |
| 31 | 36-3401029-Б | Прокладка регулировочная | |
| 32 | 36-3401030-Б | Прокладка регулировочная | |
| 33 | 36-3401028 | Крышка нижняя | |
| 34 | Шайба 12 | Шайба 12 | |
| 35 | Болт М12Х35 | Болт М12Х35 | |
| 36 | 36-3401087-Б | Втулка | |
| 37 | 36-3401091-Б | Прокладка | |
| 37 | 45-3401091-Б | Прокладка | |
| 38 | 36-3401080-Б СБ | Крышка боковая | |
| 38 | 36-3401088 | Крышка боковая | |
| 39 | Манжета 2-38Х58-1 | Манжета 2-38Х58-1 | |
| 40 | 36-3401092 | Шайба сальника | |
| 41 | 36-3401090-Б | Сальник | |
| 42 | 36-3401089-Б | 0бойма сальника | |
| 43 | Шайба 27 | Шайба 27 | |
| 44 | 36-3401096 | Гайка | |
| 45 | 36-3401095-В | Сошка |
Содержащиеся в справочниках-каталогах запасные части и детали не предлагаются к продаже, а носят исключительно информационный характер