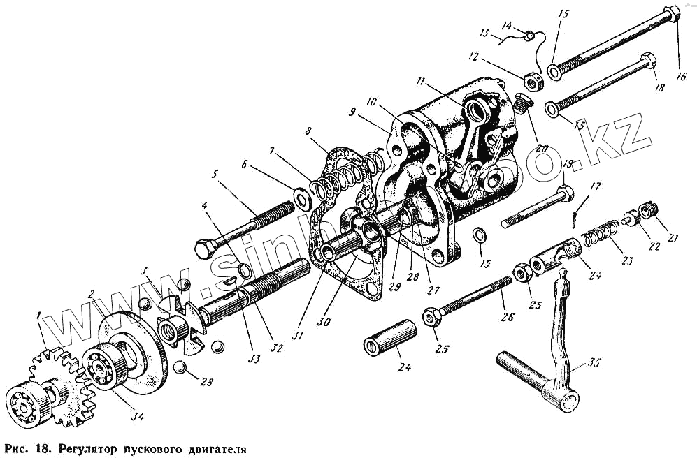
Каталог запасных частей к технике: ЮМЗ-6Л. Регулятор пускового двигателя
1
2
3
4
5
6
7
8
9
10
11
12
15
15
15
16
17
18
19
20
21
22
23
24
24
25
25
26
27
28
28
28
29
30
31
32
33
34
35
| Позиция на иллюстрации | Заводской номер детали | Название детали | |
|---|---|---|---|
| Д27-С21 СБ | Д27-С21 СБ | Диск регулятора в сборе | |
| Д27-С21 | Д27-С21 | Диск регулятора в сборе | |
| Д27-С15 СБ | Д27-С15 СБ | Тяга регулятора в сборе | |
| Д27-С15 | Д27-С15 | Тяга регулятора | |
| Д27-С11-Г СБ | Д27-С11-Г СБ | Регулятор пускового двигателя в сборе | |
| Д27-С11-Г | Д27-С11-Г | Регулятор пускового двигателя в сборе | |
| Д27-С16 | Д27-С16 | Муфта шаровая в сборе | |
| Д27-С12-Г СБ | Д27-С12-Г СБ | Корпус регулятора в сборе | |
| Д27-С12-Г | Д27-С12-Г | Корпус регулятора в сборе | |
| Д27-С16 СБ | Д27-С16 СБ | Муфта шаровая в сборе | |
| 1 | Д27-102-А | Шестерня привода регулятора | |
| 2 | Д27-104 | Шайба упорная | |
| 3 | Д27-105 | Диск регулятора ведущий | |
| 4 | Д27-103 | Кольцо стопорное | |
| 5 | Д27-118 | Болт пружины регулировочный | |
| 6 | Д27-128-Д | Шайба | |
| 7 | Д27-121-А | Пружина регулятора | |
| 8 | Д27-110-А | Прокладка корпуса | |
| 9 | Д27-111-В | Корпус регулятора | |
| 10 | Штифт 3С3Х20 | Штифт 3С3Х20 | |
| 11 | Д27-116-Е | Рычаг | |
| 12 | Гайка М8 | Гайка М8 | |
| 15 | Шайба 8 | Шайба 8 | |
| 16 | Д27-132 | Болт М8Х115 | |
| 17 | Шплинт 2Х20 | Шплинт 2Х20 | |
| 18 | Болт М8Х95 | Болт М8Х95 | |
| 19 | Болт М8Х45 | Болт М8Х45 | |
| 20 | Пробка КГ1/4" | Пробка КГ1/4" | |
| 21 | Д27-129 | Пробка муфты | |
| 22 | Д27-128 | Подпятник шаровой головки | |
| 23 | Д27-127 | Пружина муфты | |
| 24 | Д27-126 | Корпус муфты | |
| 25 | Гайка М6 | Гайка М6 | |
| 26 | Д27-130 | Тяга регулятора | |
| 27 | Д27-109 | Тарелка шарика | |
| 28 | Шарик диаметром 10Н ГОСТ 3722-60 | Шарик диаметром 10Н ГОСТ 3722-60 | |
| 28 | ША-10 | Шарик диаметром 10Н ГОСТ 3722-60 | |
| 29 | Д27-108 | Шайба | |
| 30 | Д27-106 зам | Диск регулятора | |
| 31 | Д27-107 зам | Втулка диска | |
| 32 | Д27-101 | Вал регулятора | |
| 33 | Шпонка 4Х6,5 | Шпонка 4Х6,5 | |
| 34 | Подшипник 202 ГОСТ 8338-57 | Подшипник 202 ГОСТ 8338-57 | |
| 35 | Д27-124-1А | Рычаг регулятора в сборе |
Содержащиеся в справочниках-каталогах запасные части и детали не предлагаются к продаже, а носят исключительно информационный характер