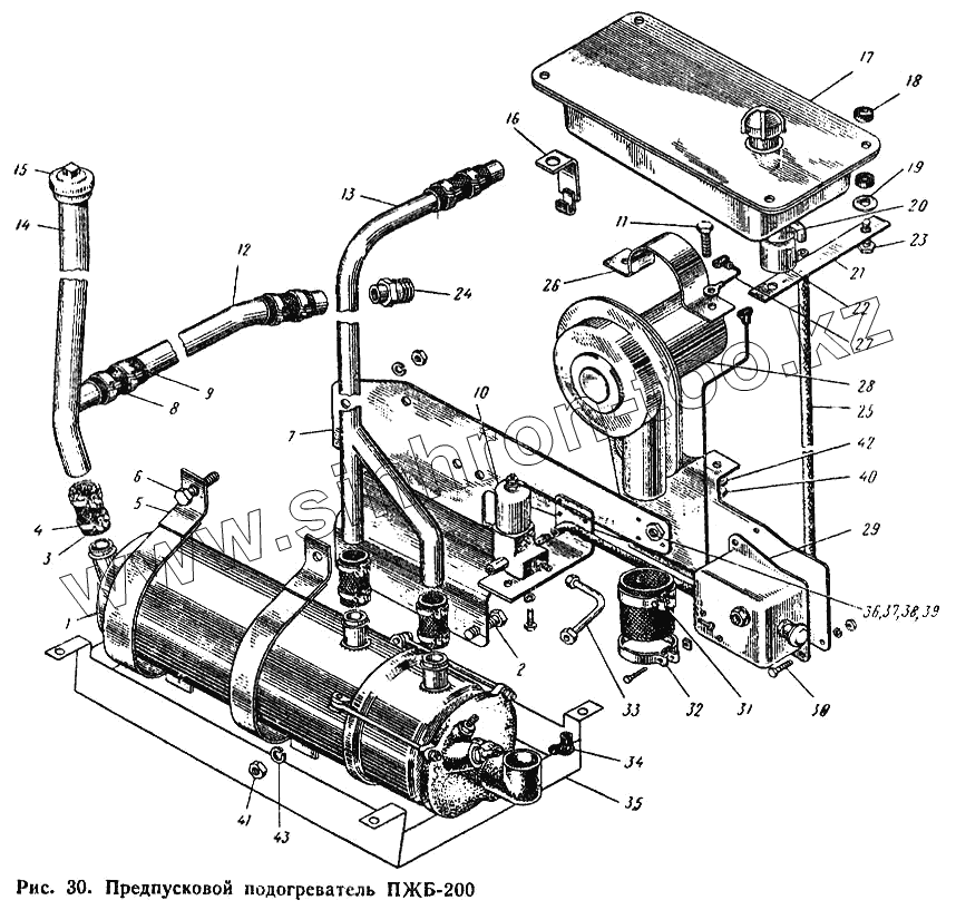
Каталог запасных частей к технике: ЮМЗ-6Л. Пусковой подогреватель ПЖБ-200
1
2
3
4
5
6
7
8
9
10
11
12
13
14
15
16
17
18
19
20
21
22
23
24
25
26
27
28
29
30
31
32
33
34
35
36
37
38
39
40
41
42
43
| Позиция на иллюстрации | Заводской номер детали | Название детали | |
|---|---|---|---|
| 45-1015000 СБ | 45-1015000 СБ | Установка предпускового подогревателя ПЖБ-200 трактора ЮМЗ-6Л | |
| 45-1015090 СБ | 45-1015090 СБ | Котел с кронштейном и пультом управления | |
| 1 | ПЖБ-200-1015010-А СБ | Котел пускового подогревателя | |
| 2 | Болт М10Х45 | Болт М10Х45 | |
| 3 | 45-1015014 | Шланг | |
| 4 | ХС-41 | Хомутик стяжной | |
| 5 | 45-1015060 СБ | Лента стяжная | |
| 6 | Болт М10Х25 | Болт М10Х25 | |
| 7 | 45-1015100 СБ | Кронштейн подогревателя | |
| 8 | 45-1015013 | Шланг | |
| 9 | ХС-36 | Хомутик стяжной | |
| 10 | ЭМК-12 | Клапан электромагнитный | |
| 11 | Болт М6Х20 | Болт М6Х20 | |
| 12 | 45-1015018-А | Труба сливная | |
| 13 | 45-1015070 СБ | Труба отводная | |
| 14 | 45-1015020 СБ | Труба заливная | |
| 15 | 45-1015050 СБ | Пробка | |
| 16 | 45-3801020 | Кронштейн со скобой | |
| 17 | 45-1015110 СБ | Бак | |
| 18 | 45А-1119074 | Прокладка | |
| 19 | 45А-1119026 | Шайба | |
| 20 | Д18-055-А | Кольцо уплотнительное | |
| 21 | 45-1015016 | Пластина стопорная | |
| 22 | КР-12Д | Краник в сборе | |
| 23 | Болт М8Х25 | Болт М8Х25 | |
| 24 | 45-1015001 | Штуцер | |
| 25 | 45-1015015 | Трубка | |
| 26 | 45-1015008 | Хомут вентилятора | |
| 27 | 45-3724056 | Провод корпус вентилятора - «масса» | |
| 28 | ПЖБ-300-1015200 СБ | Вентилятор подогревателя ПЖБ-300 | |
| 29 | 45-1015170СЕ | Пульт управления подогревателя с проводами | |
| 30 | Болт М6Х14 | Болт М6Х14 | |
| 31 | 45-1015012 | Шланг | |
| 32 | ХС-56 | Хомутик стяжной | |
| 33 | 45-1015040 СБ | Бензопровод | |
| 34 | 45-3700002 | Наконечник изоляционный | |
| 35 | 45-1015030 СБ | Кожух поддона с патрубком | |
| 36 | Болт М12Х30 | Болт М12Х30 | |
| 37 | Гайка М12 | Гайка М12 | |
| 38 | Шайба 12 | Шайба 12 | |
| 39 | Шайба 12 | Шайба 12 | |
| 40 | Гайка М6 | Гайка М6 | |
| 41 | Гайка М10 | Гайка М10 | |
| 42 | Шайба 6 | Шайба 6 | |
| 43 | Шайба 10 | Шайба 10 |
Содержащиеся в справочниках-каталогах запасные части и детали не предлагаются к продаже, а носят исключительно информационный характер