Каталог запасных частей к технике: ЮМЗ-6Л. Пусковой двигатель
1
2
2
3
4
5
6
7
8
9
10
11
12
12
13
14
15
16
17
18
19
19
19
19
19
20
21
22
22
23
24
25
26
27
28
29
30
31
32
33
34
34
34
35
36
37
38
39
40
40
41
42
42
42
42
42
43
44
45
46
47
47
48
48
48
49
49
50
51
52
53
54
55
56
57
57
58
59
60
61
62
63
64
65
66
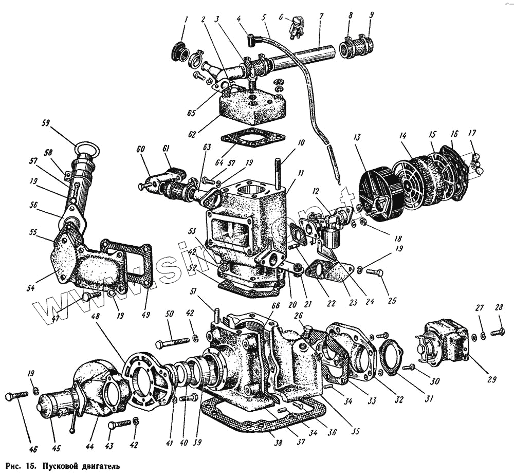
| Позиция на иллюстрации | Заводской номер детали | Название детали | |
|---|---|---|---|
| Д65-24-С53-А | Д65-24-С53-А | Воздухоочиститель пускового двигателя | |
| Д65-24-С53 СБ | Д65-24-С53 СБ | Воздухоочиститель в сборе | |
| 75.24.С08-А СБ | 75.24.С08-А СБ | Цилиндр в сборе | |
| 75.24.С08-А СБ | 75.24.С08-А СБ | Цилиндр в сборе | |
| Д65-24-С16-А | Д65-24-С16-А | Трубопровод охлаждения | |
| Д65-24-С16-А | Д65-24-С16-А | Трубопровод охлаждения | |
| Д65-1015540 СБ | Д65-1015540 СБ | Трубопровод газоотводной в сборе | |
| Д65-1015540 | Д65-1015540 | Трубопровод газоотводной в сборе | |
| Д65-24С45 | Д65-24С45 | Рычаг воздушной заслонки | |
| 75.24.104-3Г | 75.24.104-3Г | Маховик | |
| 75.24.014.1 СБ | 75.24.014.1 СБ | Картер в сборе | |
| 75.24.014-3 | 75.24.014-3 | Картер пускового двигателя | |
| 75.24.015 | 75.24.015 | Втулка сальника в сборе | |
| 75.24.015. СБ | 75.24.015. СБ | Втулка сальника в сборе | |
| Д65-1015510 | Д65-1015510 | Двигатель пусковой ПД-10У в сборе | |
| Д65-24-С01-4 | Д65-24-С01-4 | Двигатель пусковой ПД-10У в сборе | |
| Д65-24-С03-А СБ | Д65-24-С03-А СБ | Двигатель пусковой ПД-10У в сборе | |
| Д65-24-С01-4 | Д65-24-С01-4 | Двигатель пусковой ПД-10У в сборе | |
| 1 | Д65-24-212 | Заглушка | |
| 2 | Д24-093 | Прокладка фланца | |
| 2 | Д24-093 | Прокладка фланца | |
| 3 | Г-СН200-3707010 | Свеча А11-У запальная | |
| 4 | 54.24.445-Б | Наконечник изоляционный | |
| 5 | Д24-079 | Провод высокого напряжения | |
| 6 | Д24-С09-Б | Краник заливной в сборе | |
| 7 | Д24-065 | Труба водоотводная | |
| 8 | Д24-С15 СБ | Хомут | |
| 9 | Д24-063-А | Шланг патрубка | |
| 10 | Д24-081 | Шпилька | |
| 11 | Д24-029-1 | Цилиндр пускового двигателя | |
| 12 | К16-1107000 | Карбюратор в сборе | |
| 12 | К06-1107000-БГ | Карбюратор в сборе | |
| 13 | Д65-24-219-А | Корпус | |
| 14 | Д65-24-216 | Элемент фильтрующий | |
| 15 | Д65-24-217 | Обойма | |
| 16 | Д65-24-215-А | Крышка | |
| 17 | Гайка М6 | Гайка М6 | |
| 18 | Гайка М8 | Гайка М8 | |
| 19 | Шайба 8 | Шайба 8 | |
| 19 | Шайба 8 | Шайба 8 | |
| 19 | Шайба 8 | Шайба 8 | |
| 20 | Д24-122-А | Планка крепления провода | |
| 21 | 36-3723024-Б | Втулка провода | |
| 22 | ШПЧ-М8Х22 | Шпилька | |
| 22 | Шпилька БМ8Х22 | Шпилька БМ8Х22 | |
| 23 | Д24-205 | Заглушка | |
| 24 | Д24-С40 | Щиток в сборе | |
| 25 | Болт М8Х16 | Болт М8Х16 | |
| 26 | Пробка КГ 1/4" | Пробка КГ 1/4" | |
| 27 | Шайба 6 | Шайба 6 | |
| 28 | Д24-102 | Болт крепления магнето | |
| 29 | М124Б1-3728000-Г | Магнето правого вращения одноискровое | |
| 30 | Болт М8Х35 | Болт М8Х35 | |
| 31 | Д24-074 | Прокладка магнето | |
| 32 | Д24-072-А1 | Плита промежуточная | |
| 33 | Д24-073-М1 | Прокладка | |
| 34 | Штифт 8С3Х22 | Штифт 8С3Х22 | |
| 34 | Штифт 8С3Х22 | Штифт 8С3Х22 | |
| 35 | Картер пускового двигателя, передняя пол | Картер пускового двигателя, передняя половина | |
| 36 | Пробка КГ 1/8" | Пробка КГ 1/8" | |
| 37 | 75.24.102-1Д24-001-Г | Картер пускового двигателя, задняя половина | |
| 38 | Д24-149 | Прокладка картера | |
| 39 | 75.24.105 | Втулка сальника | |
| 40 | 1-30-52-1 | Манжета | |
| 40 | 1-30-52-1 | Манжета | |
| 41 | Д24-С26 | Сальник войлочный в сборе | |
| 42 | Шайба 10 | Шайба 10 | |
| 42 | Шайба 10 | Шайба 10 | |
| 42 | Шайба 10 | Шайба 10 | |
| 43 | Болт М10Х28 | Болт М10Х28 | |
| 44 | 75.24.С32-А СБ | Кожух маховика в сборе | |
| 45 | СТ362(СТ352-Д) | Стартер | |
| 46 | Болт М8Х65 | Болт М8Х65 | |
| 47 | Болт М8Х25 | Болт М8Х25 | |
| 47 | Болт М8Х25 | Болт М8Х25 | |
| 48 | Болт М10Х28 | Болт М10Х28 | |
| 48 | 75.24.109-4 | Плита кожуха | |
| 48 | 75.24.109-4-1 | Плита кожуха маховика | |
| 49 | Д24-051 | Прокладка | |
| 49 | Д24-051 | Прокладка | |
| 50 | Болт М10Х60 | Болт М10Х60 | |
| 51 | Шпилька М10Х2 | Шпилька М10Х2 | |
| 52 | Д24-146 | Прокладка цилиндра | |
| 53 | Гайка М10 | Гайка М10 | |
| 54 | Д65-24-050 | Патрубок газоотводной трубы | |
| 55 | Д24-056 | Прокладка фланца | |
| 56 | 36-1015530-В1 | Труба газоотводная в сборе | |
| 57 | Болт М8Х20 | Болт М8Х20 | |
| 58 | Д48-24-С01 СБ | Хомут | |
| 59 | Д24-055-А | Уплотнение | |
| 60 | Д24-061-М | Патрубок водяной | |
| 61 | Д24-064-А | Прокладка фланца | |
| 62 | Д24-033-А | Головка цилиндра | |
| 63 | Д24-101-М | Патрубок водоподводной | |
| 64 | Д24-С18-А | Прокладка головки цилиндра в сборе | |
| 65 | Д65-24-092 | Патрубок водоотводной | |
| 66 | Д24-145-А | Прокладка картера |
Содержащиеся в справочниках-каталогах запасные части и детали не предлагаются к продаже, а носят исключительно информационный характер