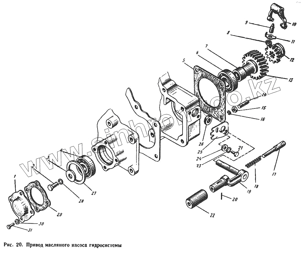
Каталог запасных частей к технике: ЮМЗ-6Л. Привод масляного насоса в гидросистеме
1
2
3
4
5
6
7
8
9
10
11
12
13
14
15
16
17
18
19
20
21
22
23
24
25
26
27
28
29
30
31
| Позиция на иллюстрации | Заводской номер детали | Название детали | |
|---|---|---|---|
| Д65-1022040 СБ | Д65-1022040 СБ | Установка масляного насоса гидросистемы | |
| 36-1022070-1 СБ | 36-1022070-1 СБ | Рукоятка выключения в сборе | |
| Д65-1022040 СБ | Д65-1022040 СБ | Установка масляного насоса гидросистемы | |
| 1 | Д65-1022044 | Крышка | |
| 2 | Болт М12Х25 | Болт М12Х25 | |
| 3 | 36-1022065 | Шайба | |
| 4 | Подшипник 50206 ГОСТ 2893-73 | Подшипник 50206 ГОСТ 2893-73 | |
| 5 | 36-1022054 | Прокладка насоса | |
| 6 | Подшипник 206 ГОСТ 8338-57 | Подшипник 206 ГОСТ 8338-57 | |
| 7 | Д65-1022047 | Втулка распорная | |
| 8 | Гайка М8 | Гайка М8 | |
| 9 | 36-1022075-В | Винт вилки поводковый | |
| 10 | 36-1022050 СБ | Вилка в сборе | |
| 11 | Д19-118 | Шайба стопорная | |
| 12 | 36-1022042 | Муфта соединительная | |
| 13 | Д65-1022041-А | Шестерня привода насоса | |
| 14 | Шпилька М10Х25 | Шпилька М10Х25 | |
| 15 | Гайка 2М10 | Гайка 2М10 | |
| 16 | Шайба 10 | Шайба 10 | |
| 17 | 36-1022073 | Фиксатор рукоятки | |
| 18 | 36-1022074 | Пружина фиксатора | |
| 19 | 36-1022070-А | Рукоятка выключения с валиком в сборе | |
| 20 | Штифт 3Х20 | Штифт 3Х20 | |
| 21 | Болт М6Х16 | Болт М6Х16 | |
| 22 | 36-1022072-К | Стакан рукоятки | |
| 23 | Шайба 6 | Шайба 6 | |
| 24 | Шайба 6 | Шайба 6 | |
| 25 | 36-1022053А | Пластина фиксатора | |
| 26 | 36-1022049 | Кольцо сальника | |
| 27 | КСП-62 | Кольцо стопорное | |
| 28 | Шайба 12 | Шайба 12 | |
| 29 | Д65-1022045 | Прокладка крышки | |
| 30 | Шайба 8 | Шайба 8 | |
| 31 | Болт М8Х20 | Болт М8Х20 |
Содержащиеся в справочниках-каталогах запасные части и детали не предлагаются к продаже, а носят исключительно информационный характер