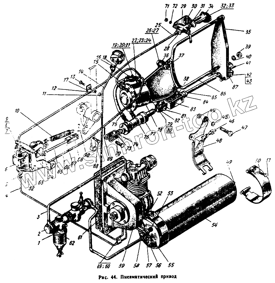
Каталог запасных частей к технике: ЮМЗ-6Л. Пневматический привод
1
2
3
4
5
6
7
8
9
10
11
12
13
14
15
16
17
18
19
20
21
22
23
24
25
26
27
28
29
30
31
32
33
34
35
36
37
38
39
40
41
42
43
44
45
46
47
48
49
50
51
52
52
53
54
55
56
57
58
59
60
61
62
63
64
65
66
67
68
69
70
71
72
73
74
75
76
77
78
79
80
81
82
83
84
85
86
87
88
89
90
90
| Позиция на иллюстрации | Заводской номер детали | Название детали | |
|---|---|---|---|
| 45-3513005 | 45-3513005 | Баллон | |
| 45-3513005 СБ | 45-3513005 СБ | Баллон | |
| 45-3512020 | 45-3512020 | Головка с краном и крон штейном | |
| 45-3521020 СБ | 45-3521020 СБ | Головка с краном и кронштейном | |
| 45-3505050 СБ | 45-3505050 СБ | Клапан усилителя с вилками и штуцерами | |
| 45-3505050 СБ | 45-3505050 СБ | Клапан усилителя с вилками и штуцерами | |
| 45-3522050 СБ | 45-3522050 СБ | Кран тормозной | |
| ПГК-12Х32 | ПГК-12Х32 | Палец 12Х32 | |
| 45-3505015 СБ | 45-3505015 СБ | Пневмопривод к тормозам прицепа | |
| 45-3505015 СБ | 45-3505015 СБ | Пневмопривод к тормозам прицепа | |
| 787-3505092 | 787-3505092 | Пружина фиксатора | |
| 787-3505088-А | 787-3505088-А | Седло | |
| 787-3505086 СБ | 787-3505086 СБ | Седло и фиксатор главного цилиндра тормоза | |
| 43-3504030 СБ | 43-3504030 СБ | Седло с планкой | |
| 45-3504030 СБ | 45-3504030 СБ | Седло с планкой | |
| 45-3505020 СБ | 45-3505020 СБ | Толкатель поршня | |
| 45-3505090 СБ | 45-3505090 СБ | Трубопровод клапан тормозная камера | |
| 45-3505080-Б1 СБ | 45-3505080-Б1 СБ | Трубопровод тормозной кран-клапан | |
| 45-3522060 СБ | 45-3522060 СБ | Тяга | |
| 45-3522000 СБ | 45-3522000 СБ | Установка тормозного крана | |
| 45-3505091 | 45-3505091 | Штифт | |
| 1 | 45-3512010 | Регулятор давления со стаканом отбора воздуха | |
| 2 | 45-3506004 | Болт специальный | |
| 3 | 45-3506100 СБ | Трубопровод | |
| 4 | 45-3506070-Б СБ | Трубопровод | |
| 5 | 45-3506007 | Штуцер | |
| 6 | 7916-300-0000 СБ | Кран тормозной | |
| 7 | БП-10Х100 | Болт М10Х100 | |
| 8 | ГПШ-М10 | Гайка М10 | |
| 9 | ШП-10 | Шайба 10 | |
| 10 | 45-3522001 | Пружина | |
| 11 | Гайка М8 | Гайка М8 | |
| 12 | Шайба 8 | Шайба 8 | |
| 13 | Болт М8Х16 | Болт М8Х16 | |
| 14 | 45-3506050 СБ | Трубопровод манометра воздуха | |
| 15 | 45-3505081 | Шланг соединительный | |
| 16 | 40-3723062 | Прокладка | |
| 17 | ХПО-14Х27Х10 | Хомут 14Х27Х10 | |
| 18 | ХС-18 | Хомутик стяжной универсальный | |
| 19 | Болт М8Х30 | Болт М8Х30 | |
| 20 | Гайка М8 | Гайка М8 | |
| 21 | Шайба 8 | Шайба 8 | |
| 22 | 45-3505042 | Кронштейн шлангов | |
| 23 | 45-3505043 | Прижим | |
| 24 | Болт 3М14Х5 | Болт 3М14Х5 | |
| 25 | 45-3506080-Б СБ | Трубопровод | |
| 26 | 45-3505041 | Ось | |
| 27 | ТШУ-1/8"Х90 | Масленка II-А-90 | |
| 28 | 45-3521023 | Ниппель конечный | |
| 29 | 200-3520010 | Кран разобщительный | |
| 30 | 45-3521030 | Кронштейн | |
| 31 | 45-3521028 | Штуцер | |
| 32 | Шайба 22 | Шайба 22 | |
| 33 | Гайка М22 | Гайка М22 | |
| 34 | 200-3521010-Г | Головка соединительная | |
| 35 | 40-3508019-А | Планка | |
| 36 | 45-3505044-Б | Рычаг | |
| 37 | Гайка М20 | Гайка М20 | |
| 38 | 45-3504023 | Стакан пружины | |
| 39 | Гайка М16 | Гайка М16 | |
| 40 | Шайба 16 | Шайба 16 | |
| 41 | 45-3505022 | Толкатель поршня | |
| 42 | Болт М10Х30 | Болт М10Х30 | |
| 43 | Шайба 10 | Шайба 10 | |
| 44 | 45-3506013 | Шайба | |
| 45 | Шайба 14 | Шайба 14 | |
| 46 | 45-3506016 | Палец | |
| 47 | Болт М14Х65 | Болт М14Х65 | |
| 48 | 45-3506110 СБ | Кронштейн задний | |
| 49 | Пробка КГ 3/8" | Пробка КГ 3/8" | |
| 50 | Болт М10Х75 | Болт М10Х75 | |
| 51 | 45-3506130 СБ | Лента стяжная | |
| 52 | 45-3506120 СБ | Кронштейн передний | |
| 53 | 45-3506002 | Штуцер | |
| 54 | 45-3513010 СБ | Баллон | |
| 55 | Д18-055А | Кольцо уплотнительное | |
| 56 | Кран КР 21/4" | Кран КР 21/4" | |
| 57 | 45-3506005 | Штуцер | |
| 58 | 45-3506015 | Болт специальный | |
| 59 | 45-3509010 СБ | Компрессор с механизмом отклонения | |
| 60 | 45-3506006 | Хомут | |
| 61 | 36-1701455 | Прокладка крышки люка | |
| 62 | 45-3512013 | Шайба | |
| 63 | 45-3522051 | Кронштейн | |
| 64 | Шплинт 2Х16 | Шплинт 2Х16 | |
| 65 | 45-3522061 | Тяга | |
| 66 | 45-3505085-Б1 СБ | Трубопровод | |
| 67 | Гайка М8 | Гайка М8 | |
| 68 | 45-1108042 | Вилка | |
| 69 | Ш-3,2Х20 | Шплинт 3,2Х20 | |
| 70 | Нормаль МТЗ-ОГК | Нормаль МТЗ-ОГК | |
| 71 | Гайка М10 | Гайка М10 | |
| 72 | Шайба 10 | Шайба 10 | |
| 73 | 36-3503036-А | Вилка тяги регулировочная | |
| 74 | Гайка М12 | Гайка М12 | |
| 75 | 45-3505082 СБ | Трубопровод | |
| 76 | 45-3505053 | Ниппель | |
| 77 | 45-3505060 СБ | Клапан усилителя | |
| 78 | 45-3519010 СБ | Камера тормозная | |
| 79 | Болт М12Х45 | Болт М12Х45 | |
| 80 | Шайба 12 | Шайба 12 | |
| 81 | 45-3522013 | Ось | |
| 82 | 45-3505051 | Вилка клапана | |
| 83 | 45-3504024 | Упор | |
| 84 | 50-1602032 | Пружина | |
| 85 | Гайка М16 | Гайка М16 | |
| 86 | 45-3505070 СБ | Кронштейн | |
| 87 | 787-3505090-А | Фиксатор | |
| 88 | ПГК-8Х22 | Палец 8Х22 нормаль МТЗ ОГК | |
| 89 | 36-1104014 | Трубка изоляционная | |
| 90 | Шплинт 3,2Х20 | Шплинт 3,2Х20 | |
| 90 | Ш-3,2Х20 | Шплинт 3,2Х20 |
Содержащиеся в справочниках-каталогах запасные части и детали не предлагаются к продаже, а носят исключительно информационный характер