Каталог запасных частей к технике: ЮМЗ-6Л. Коробка передач
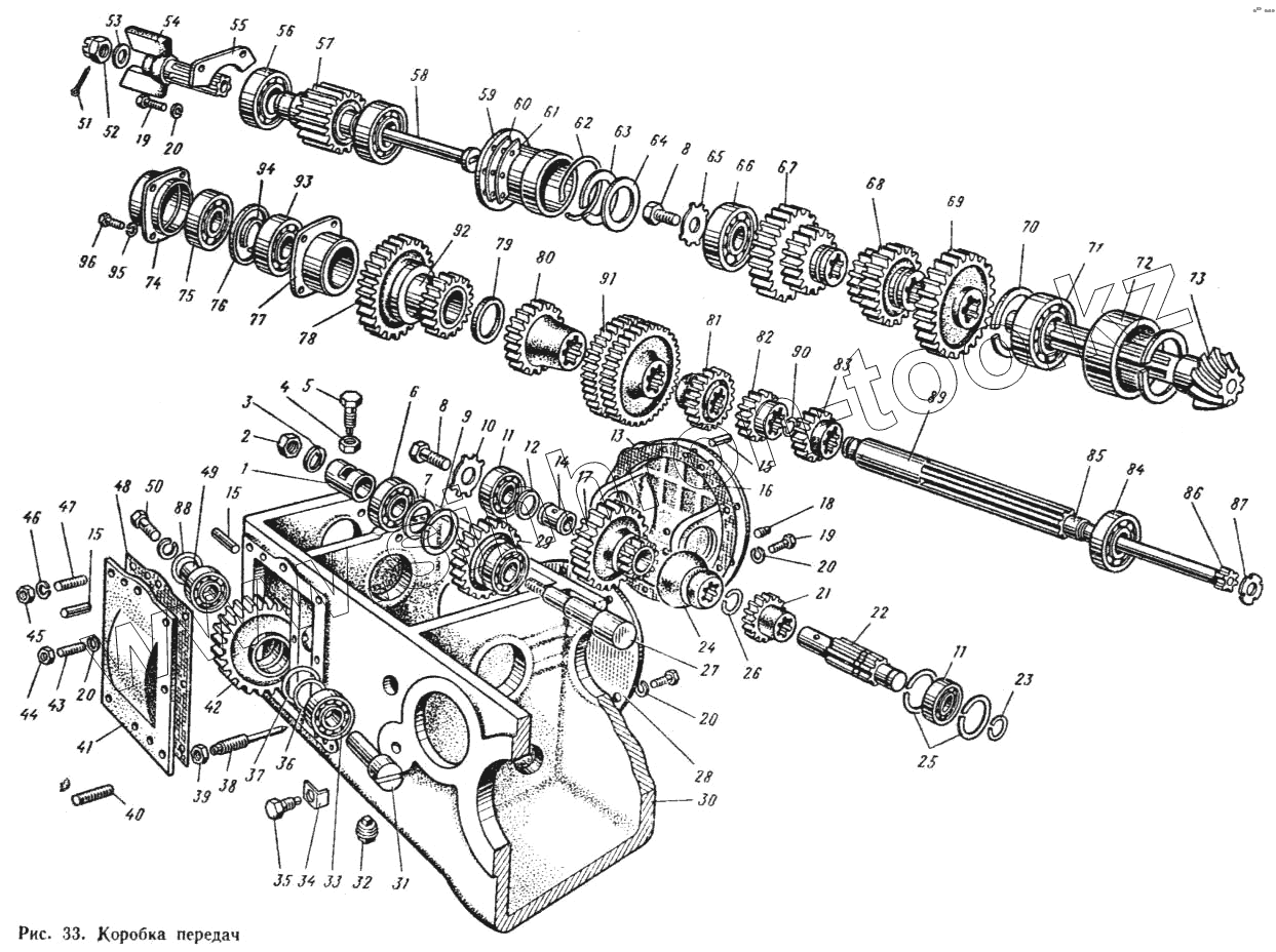
1
2
3
4
5
6
7
8
8
8
9
10
11
11
11
12
13
14
15
15
15
15
16
17
18
19
19
20
20
20
20
21
22
23
24
25
26
27
28
29
30
31
32
33
34
35
36
37
38
39
40
41
42
42
43
44
45
46
47
48
49
50
51
52
53
54
55
56
56
57
58
59
60
61
62
63
64
65
66
67
68
69
70
71
72
73
74
75
76
77
78
79
80
81
82
83
84
85
86
87
88
89
90
91
92
93
94
95
96
| Позиция на иллюстрации | Заводской номер детали | Название детали | |
|---|---|---|---|
| Болт М12Х60 | Болт М12Х60 | Болт М12Х60 | |
| 36-1701072 СБ | 36-1701072 СБ | Вал | |
| 40-1701025-Б СБ | 40-1701025-Б СБ | Вал первичный | |
| 45-1700010 СБ | 45-1700010 СБ | Коробка передач | |
| 45А-1700010 СБ | 45А-1700010 СБ | Коробка передач | |
| 40-1701030 СБ | 40-1701030 СБ | Кронштейн редуктора | |
| 45А-1702013 СБ | 45А-1702013 СБ | Крышка коробки передач | |
| 40-1701020-Б СБ | 40-1701020-Б СБ | Редуктор | |
| 4С-1701020-Б СБ | 4С-1701020-Б СБ | Редуктор | |
| 40-1701070 СБ | 40-1701070 СБ | Стакан подшипника внутреннего вала | |
| 40-1701067 | 40-1701067 | Шестерня | |
| 36-1701080 СБ | 36-1701080 СБ | Шестерня заднего хода паразитная | |
| 40-1701140 СБ | 40-1701140 СБ | Шестерня паразитная | |
| 36-1701080 СБ | 36-1701080 СБ | Шестерня заднего хода паразитная | |
| 1 | 36-1701084 | Втулка | |
| 2 | Гайка М24 | Гайка М24 | |
| 3 | 36-1701086 | Шайба замковая | |
| 4 | Гайка 2М12 | Гайка 2М12 | |
| 5 | 36-1701085 | Винт установочный | |
| 6 | Подшипник 206 ГОСТ 8338-57 | Подшипник 206 ГОСТ 8338-57 | |
| 7 | 36-1701087 | Втулка распорная | |
| 8 | 36-1701118 | Болт вторичного вала | |
| 8 | 36-1701118-А | Болт специальный | |
| 9 | 36-1701083 | Кольцо подшипника упорное | |
| 10 | 36-1701119 | Шайба отгибная | |
| 11 | Подшипник 308 ГОСТ 8338-57 | Подшипник 308 ГОСТ 8338-57 | |
| 11 | Подшипник 308 ГОСТ 8338-57 | Подшипник 308 ГОСТ 8338-57 | |
| 12 | 40-1701066 | Шайба упорная | |
| 13 | 40-1701456-А | Кронштейн редуктора | |
| 14 | 40-1701063-А | Втулка | |
| 15 | 36-1701019 | Штифт установочный | |
| 15 | Д01-015 | Штифт установочный | |
| 16 | 40-1701458 | Прокладка кронштейна редуктора | |
| 17 | 40-1701052-А | Шестерня редуктора ведомая | |
| 18 | Пробка КГ 3/8" | Пробка КГ 3/8" | |
| 19 | Болт М12Х35 | Болт М12Х35 | |
| 20 | Шайба 12 | Шайба 12 | |
| 21 | 40-1701115-Б | Шестерня редуктора ведущая | |
| 22 | 40-1701049-А | Вал редуктора | |
| 23 | 40-1701421-А | Кольцо пружинное | |
| 24 | 40-1701069-А | Муфта зубчатая | |
| 25 | 36-4202035-А | Кольцо пружинное | |
| 26 | 40-1701065-А | Кольцо пружинное | |
| 27 | 36-1701434 | Ось паразитной шестерни заднего хода | |
| 28 | 36-1701459 | Крышка | |
| 29 | 36-1701082 | Шестерня заднего хода паразитная | |
| 30 | 40-1701015-А | Корпус коробки передач и заднего моста | |
| 31 | 36-1701150-А | Ось паразитной шестерни | |
| 32 | А61-С18 | Пробка сливная магнитная 11/4" | |
| 33 | Подшипник 208 ГОСТ 8338-57 | Подшипник 208 ГОСТ 8338-57 | |
| 34 | 36-2403029 | Шайба замковая | |
| 35 | 36-1701151 | Болт оси стопорный | |
| 36 | 36-1701148 | Втулка распорная | |
| 37 | 36-1701147 | Кольцо подшипника упорное | |
| 38 | 36-1701106 | Винт стакана установочный | |
| 39 | Гайка М14 | Гайка М14 | |
| 40 | Шпилька БМ14Х50 | Шпилька БМ14Х50 | |
| 41 | 40-1701454-А | Крышка люка | |
| 42 | 40-1701146 | Шестерня паразитная | |
| 42 | 40-1701146-А | Шестерня паразитная | |
| 43 | Шпилька БМ12Х48 | Шпилька БМ12Х48 | |
| 44 | Гайка М12 | Гайка М12 | |
| 45 | Гайка М14 | Гайка М14 | |
| 46 | Шайба 14 | Шайба 14 | |
| 47 | Шпилька БМ14Х45 | Шпилька БМ14Х45 | |
| 48 | 36-1701455 | Прокладка крышки люка | |
| 49 | 36-1701153-А | Втулка | |
| 50 | Болт М14Х40 | Болт М14Х40 | |
| 51 | Шплинт 3,2Х20 | Шплинт 3,2Х20 | |
| 52 | Ганка М14 | Ганка М14 | |
| 53 | Шайба 14 | Шайба 14 | |
| 54 | 36-1701030-В | Вал первичный | |
| 55 | 40-1701331 | Пластина поджимная | |
| 56 | Подшипник 42212К1 ГОСТ 8328-57 | Подшипник 42212К1 ГОСТ 8328-57 | |
| 56 | Подшипник 42212К1 ГОСТ 8328-57 | Подшипник 42212К1 ГОСТ 8328-57 | |
| 57 | 40-1701324 | Шестерки постоянного зацепления ведущая | |
| 58 | 36-1701031 | Болт стяжкой | |
| 59 | 40-1701035 | Стакан передний | |
| 60 | 36-1701376 | Прокладка регулировочная | |
| 61 | 36-1701377 | Прокладка регулировочная | |
| 62 | 36-1701037-А | Кольцо стопорное | |
| 63 | 40-1701036-А | Кольцо пружинное | |
| 64 | 40-1701038 | Кольцо упорное | |
| 65 | 36-1701119 | Шайба отгибная | |
| 66 | Подшипник 50408 ГОСТ 2893-73 | Подшипник 50408 ГОСТ 2893-73 | |
| 67 | 40-1701117 | Шестерня второй и четвертой передач скользящая | |
| 68 | 40-1701116-А | Шестерня третьей и пятой передач скользящая | |
| 69 | 36-1701112-А2 | Шестерня первой передачи и заднего хода скользящая | |
| 70 | 36-1701399-А | Кольцо упорное | |
| 71 | Подшипник 2612КМ ГОСТ 8328-57 | Подшипник 2612КМ ГОСТ 8328-57 | |
| 72 | 36-1701398 | Стакан заднего подшипника | |
| 73 | 40-1701105 | Вал вторичный | |
| 74 | 40-1701062 | Стакан подшипника | |
| 75 | Подшипник 307 ГОСТ 8338-57 | Подшипник 307 ГОСТ 8338-57 | |
| 76 | 36-1701071-А | Кольцо пружинное | |
| 77 | 40-1701058 | Гнездо переднего подшипника | |
| 78 | 40-1701056 СБ | Шестерня промежуточная | |
| 79 | 40-1701088 | Кольцо упорное | |
| 80 | 40-1701057 | Шестерня второй передачи ведущая | |
| 81 | 40-1701059 | Шестерня третьей передачи ведущая | |
| 82 | 40-1701054 | Шестерня первой передачи ведущая | |
| 83 | 40-1701051 | Шестерня заднего хода ведущая | |
| 84 | Подшипник 212 ГОСТ 8338-57 | Подшипник 212 ГОСТ 8338-57 | |
| 85 | 36-1701072 СБ | Вал | |
| 86 | 36-1701073 | Вал | |
| 87 | 36-1701060-А | Гайка круглая | |
| 88 | 36-1701154 | Шайба | |
| 89 | 40-1701048 СБ | Вал промежуточный со втулкой | |
| 90 | Д25-079 | Кольцо стопорное | |
| 91 | 40-1701055 | Шестерня четвертой и пятой передач ведущая | |
| 92 | 40-1701068 | Втулка свертная | |
| 93 | Подшипник 211СД ГОСТ 8338-57 | Подшипник 211СД ГОСТ 8338-57 | |
| 94 | 40-1701423-А | Кольцо пружинное | |
| 95 | Шайба 10 | Шайба 10 | |
| 96 | Болт М10Х35 | Болт М10Х35 |
Содержащиеся в справочниках-каталогах запасные части и детали не предлагаются к продаже, а носят исключительно информационный характер