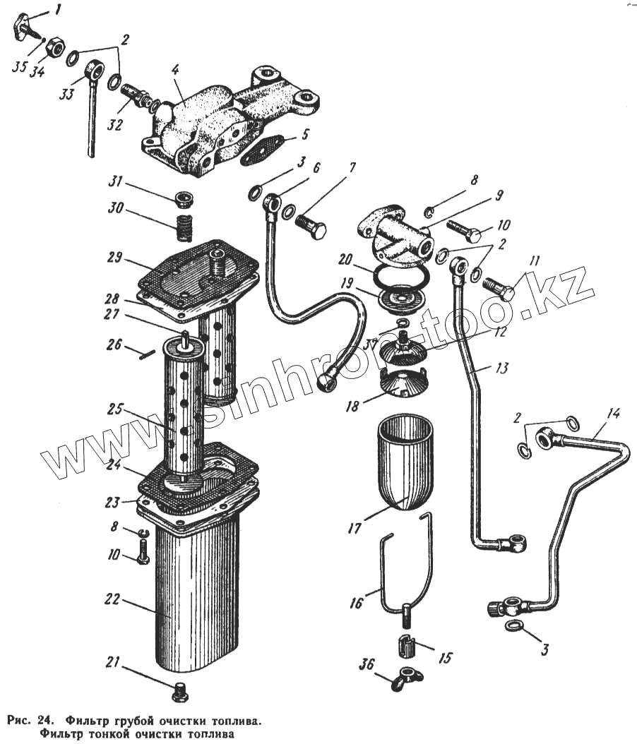
Каталог запасных частей к технике: ЮМЗ-6Л. Фильтр грубой очистки топлива. Фильтр тонкой очистки топлива
1
2
2
2
3
3
4
5
6
7
8
8
8
9
10
10
10
11
12
13
14
15
16
17
18
19
20
21
22
23
24
25
26
27
28
29
30
31
32
33
33
34
35
35
36
37
| Позиция на иллюстрации | Заводской номер детали | Название детали | |
|---|---|---|---|
| 36-1105015-В СБ | 36-1105015-В СБ | Фильтр грубой очистки топлива | |
| 45-1108220 СБ | 45-1108220 СБ | Рычаг с тягами и сектором | |
| Д65-1117010.01 | Д65-1117010.01 | Фильтр тонкой очистки топлива в сборе | |
| 45-1105010 СБ | 45-1105010 СБ | Фильтр грубой очистки топлива с кронштейном в сборе | |
| 45-1105010 СБ | 45-1105010 СБ | Фильтр грубой очистки топлива с кронштейном в сборе | |
| 1 | 54.18.022-1 | Игла вентиля | |
| 2 | Д18-055-А | Кольцо уплотнительное | |
| 3 | Д18-055-Б | Кольцо | |
| 4 | Д65-1117020 | Корпус фильтра | |
| 5 | 36-1117043 | Прокладка фланца | |
| 6 | Д65-1117070 | Трубка в сборе | |
| 7 | Д18-051 | Болт поворотного угольника | |
| 8 | Шайба 8 | Шайба 8 | |
| 8 | Шайба 8 | Шайба 8 | |
| 9 | 36-1105065-В1 | Корпус фильтра | |
| 10 | Болт М8Х25 | Болт М8Х25 | |
| 10 | Болт М8Х25 | Болт М8Х25 | |
| 11 | Д18-051 | Болт поворотного угольника | |
| 12 | 36-1105080 | Элемент фильтрующий в сборе | |
| 13 | Д65-1117050 | Трубка к фильтру в сборе | |
| 14 | Д65-18-С11 | Трубка перепускная в сборе | |
| 15 | 36-1105072 | Втулка поджимная | |
| 16 | 36-1105060 | Дужка в сборе | |
| 17 | 36-1105066 | Колпак фильтра | |
| 18 | Д37.М-1105086 | Успокоитель | |
| 19 | Д37М-1105087 | Шайба направляющая | |
| 20 | 36-1105071 | Прокладка колпака | |
| 21 | Пробка КГ 1/8" | Пробка КГ 1/8" | |
| 22 | 36-1117025 | Колпак фильтра | |
| 23 | 36-1117213 | Пластина | |
| 24 | 36-1117042 | Прокладка плиты | |
| 25 | 50-1117030-А | Элемент фильтрующий | |
| 26 | Д18-122 | Штифт цилиндрический | |
| 27 | СМД-15с8-А | Стержень в сборе | |
| 28 | 36-1117038 | Плита | |
| 29 | 36-1117026 | Прокладка | |
| 30 | Д18-110-А2 | Пружина | |
| 31 | Д18-111 | Сухарь | |
| 32 | 36-1117194 | Штуцер | |
| 33 | 36-1117210 | Трубка в сборе | |
| 33 | 36-1117210-Б | Трубка в сборе | |
| 34 | Гайка М14 | Гайка М14 | |
| 35 | Шарик ГОСТ 3722-60 | Шарик ГОСТ 3722-60 | |
| 35 | Шарик ГОСТ 3722-60 | Шарик ГОСТ 3722-60 | |
| 36 | Гайка М10 | Гайка М10 | |
| 37 | Шайба 10 | Шайба 10 |
Содержащиеся в справочниках-каталогах запасные части и детали не предлагаются к продаже, а носят исключительно информационный характер