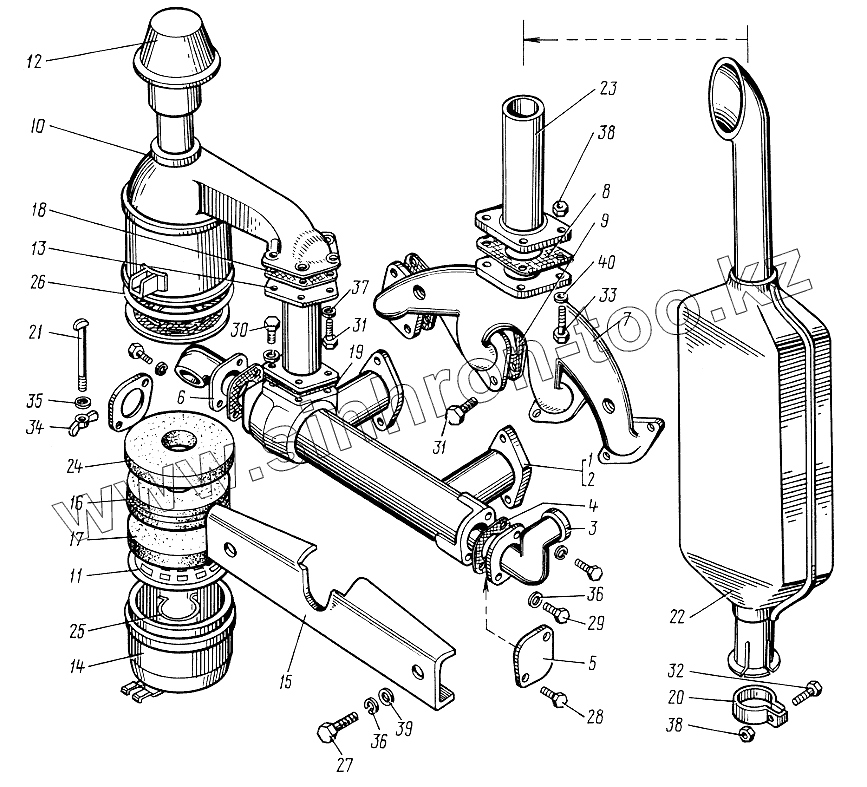
Каталог запасных частей к технике: ЮМЗ-6КЛ, (6КМ). Воздухоочиститель. Газопровод дизеля. Глушитель
1
2
3
4
5
6
7
8
9
10
11
12
13
14
15
16
17
18
19
20
21
22
23
24
25
26
27
28
29
30
31
31
32
33
34
35
36
36
37
38
38
39
40
| Позиция на иллюстрации | Заводской номер детали | Название детали | |
|---|---|---|---|
| Д65-1109012А | Д65-1109012А | Воздухоочиститель | |
| 1 | 36-1008013-Б | Коллектор | |
| 2 | 36-1008021-Б1 | Коллектор всасывающий | |
| 3 | Д65-1008016-А | Патрубок | |
| 4 | 36-1008017-Б1 | Прокладка | |
| 5 | 36-1008022 | Фланец | |
| 6 | 65-1008155-А | Патрубок | |
| 7 | А05-062А | Коллектор | |
| 8 | А05-085 | Прокладка | |
| 9 | А05-086 | Прокладка | |
| 10 | Д65-1009035 | Корпус | |
| 11 | 50-1109090-Б | Обойма | |
| 12 | А53.11.000-2 | Моноциклон | |
| 13 | Д65-1109190-Б | Патрубок | |
| 14 | 48-1109250-Б | Поддон | |
| 15 | Д65-1109250-А | Щиток | |
| 16 | 60-1109166-А | Элемент фильтрующий | |
| 17 | 50-1109167-А | Элемент фильтрующий нижний | |
| 18 | 36-1109196 | Прокладка головки воздухоочистителя | |
| 19 | 36-1109197 | Прокладка всасывающего коллектора | |
| 20 | А05-027А-1 | Хомут | |
| 21 | 36-1109262 | Болт стяжной | |
| 22 | 60-1205015-А-06 | Глушитель | |
| 23 | Д65-05-С13-А1 | Патрубок выпускной | |
| 24 | Д48-1109-3 | Элемент фильтрующий | |
| 25 | Д48-1109-6 | Кольцо стопорное | |
| 26 | 36-2403054 | Кольцо уплотнительное | |
| 27 | М8х12.7796 | Болт | |
| 28 | М8х20.7796 | Болт | |
| 29 | М8х25.7796 | Болт | |
| 30 | М10х25.7796 | Болт | |
| 31 | М10х30.7795 | Болт | |
| 32 | М10х35.7795 | Болт | |
| 33 | М10х40.7795 | Болт | |
| 34 | М6.45Л.3032 | Гайка-барашек | |
| 35 | 6.02 | Шайба | |
| 36 | 8.65Г | Шайба | |
| 37 | 10.65Г | Шайба | |
| 38 | М10.2524 | Гайка | |
| 39 | 8.02 | Шайба | |
| 40 | 10.02 | Шайба |
Содержащиеся в справочниках-каталогах запасные части и детали не предлагаются к продаже, а носят исключительно информационный характер