Вернуться на главную
Поиск
Каталоги запчастей к технике
Сельхозтехника
ЮМЗ
ЮМЗ-6КЛ, (6КМ)
Переключатель поворотов
Каталог запасных частей к технике: ЮМЗ-6КЛ, (6КМ). Переключатель поворотов
zoom-in
zoom-out
enlarge
shrink
circle-right
circle-left
file-text2
info
cart
Тип техники
Не выбрано
Легковые автомобили
Грузовые автомобили и прицепы
Автобусы
Сельхозтехника
Спецтехника
Двигатели
Мототехника
Марка
Не выбрано
AGCO
Amity
CASE IH
DongFeng
Fortschritt
Foton
Franz Kleine
Gaspardo
Great Plains
KRONE
KUHN
Lemken
Lovol
MacDon
Massey Ferguson
New Holland
TIGARBO
Vaderstad
Versatile
Wirax
Агро
Агротехмаш
Бобруйскагромаш (ОАО «УКХ «Бобруйскагромаш»)
БЭМЗ
ВгТЗ
Воронежсельмаш
ВТЗ
Гомсельмаш
ДКЗ
ЗАО "Техника-сервис"
ЗиД
КЗК
Кировец-Ландтехник
Клевер
Красная Звезда
Лидагропроммаш
Лидсельмаш
ЛТЗ
Машстройхолдинг
Минитракторы
Мордовагромаш
МТЗ
Навигатор-Новое машиностроение
Нефтекамский автозавод
ПТЗ
Ремком
РСМ
Сибсельмаш
ТеКЗ
ТКЗ
ХЗТСШ
ХТЗ
ЮМЗ
Модель
Не выбрано
ЮМЗ-6КЛ, (6КМ) (1995)
ЮМЗ-6Л (1991)
Схема
>
Не выбрано
Омыватель лобового стекла
Тент
Кабина. Каркас. Рамка задняя. Крыша. Двери
Установка сиденья водителя
Сиденье водителя
Козырек противосолнечный с креплением
Установка зеркала заднего вида
Крепление термоса. Термос Т-3
Аптечка
Световозвращатели
Оперение. Крылья задние. Подножка
Облицовка. Капот. Решетка ограждения
Крылья передние
Отопитель с арматурой
Отопитель
Вентилятор кабины
Блок цилиндров
Головка цилиндров
Механизм кривошипно-шатунный
Механизм газораспределения
Привод тахоспидометра
Насос масляный
Фильтр масляный
Привод масляного насоса
Пуск двигателя с места водителя
Насос топливный унифицированный УТН-5
Насос подкачивающий
Форсунка и топливопроводы
Регулятор топливного насоса
Бак топливный
Трубопроводы топливные
Фильтр топливный грубой очистки. Фильтр топливный тонкой очистки
Управление подачей топлива
Воздухоочиститель. Газопровод дизеля. Глушитель
Насос водяной и вентилятор
Термостат
Радиатор водяной. Кожух защитный
Шторка
Радиатор масляный
Привод муфты сцепления
Муфта сцепления. Муфта гибкая
Коробка передач
Механизм переключения передач
Корпус заднего моста. Дифференциал. Передача конечная и полуоси. Механизм блокировки дифференциала
Устройство прицепное
Полурама
Прибор тягово-сцепной
Ось передняя. Тяги рулевые
Колеса передние. Ступицы передних колес
Колеса задние. Ступицы задних колес
Управление рулевое с гидроусилителем руля
Управление рулевое с гидроусилителем руля
Управление рулевое с гидроусилителем руля
Гидросистема раздельно-агрегатная
Механизм управления распределителем
Бак масляный и фильтр
Установка регулятора силового и позиционного регулирования
Установка регулятора силового и позиционного регулирования
Регулятор силового и позиционного регулирования
Стартер
Гидроцилиндр
Гидроцилиндр
Гидроцилиндр
Гидроцилиндр
Гидрораспределитель
Насос шестеренный
Насос шестеренный
Муфта разрывная
Устройство запорное
Устройство запорное
Трассы трубопроводов
Управление тормозами прицепа
Управление тормозами. Управление тормозами ручное
Тормоза колодочные
Тормоза дисковые
Компрессор
Установка компрессора
Головка соединительная
Кран разобщительный
Пневмопереходник
Кран тормозной
Регулятор давления
Пневмопривод пневмо- и гидротормоза прицепа
Установка генератора
Генератор
Установка аккумуляторных батарей
Установка передних фар
Установка передних Фар
Фонари передние
Фонари задние
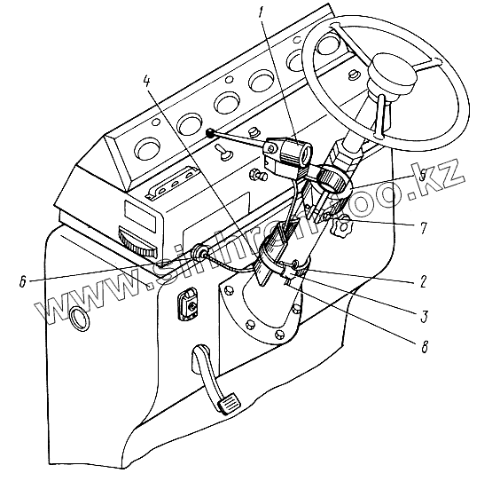
Переключатель поворотов
Установка электрооборудования трактора ЮМЗ-6КЛ. Электропровода. Фонарь освещения номерного знака
Установка электрооборудования трактора ЮМЗ-6КМ. Электропровода. Фонарь освещения номерного знака
Электрооборудование кабины и тента
Включатель сигнала "Стоп"
Щиток приборов
Механизм отбора мощности
Шкив приводной
Кронштейн с грузами
Механизм задней навески
Механизм задней навески
Раскос правый
Двигатель пусковой
Механизм кривошипно-шатунный
Карбюратор
Магнето
Механизм передачи пускового двигателя
Регулятор пускового двигателя
Бак топливный пускового двигателя
Инструмент и принадлежности
Нормали
Нормали
Нормали
Нормали
Подшипники
Подшипники
Подшипники
1
1
2
2
3
4
5
6
7
8
Позиция на иллюстрации
Заводской номер детали
Название детали
1
П110-А-01
Переключатель
1
П110-А-02
Переключатель
2
40-3726013
Поясок
2
45-3726030
Поясок
3
40-3726014
Пряжка
4
45Т-3726016
Крышка
5
45Т-3726017
Кронштейн
6
36-3723024-Б-02
Втулка
7
М6х25.7798
Болт
8
4х25
Шплинт
Содержащиеся в справочниках-каталогах запасные части и детали не предлагаются к продаже, а носят исключительно информационный характер
Дополнительная информация
×
Название:
Номер:
Примечание: