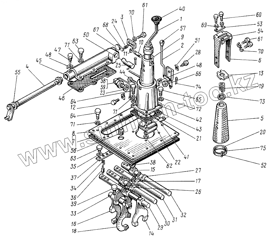
Каталог запасных частей к технике: ЮМЗ-6КЛ, (6КМ). Механизм переключения передач
1
2
3
4
5
6
7
8
9
10
11
12
13
14
15
16
17
18
19
20
21
22
23
24
25
26
27
28
29
30
31
32
33
34
35
36
37
38
39
40
41
41
42
43
44
45
45
46
47
48
48
50
51
52
53
54
55
56
57
58
59
60
61
61
62
63
63
64
64
65
66
67
68
69
70
70
71
71
71
72
73
74
75
| Позиция на иллюстрации | Заводской номер детали | Название детали | |
|---|---|---|---|
| 45-1702030-А | 45-1702030-А | Хомут | |
| 45Т-3903060 | 45Т-3903060 | Таблица скоростей | |
| 45-1702352-В-04 | 45-1702352-В-04 | Крышка фиксаторов | |
| 45-1702352-В-01 | 45-1702352-В-01 | Крышка фиксаторов | |
| 45Т-1702016-А-07 | 45Т-1702016-А-07 | Колонка | |
| 45Т-1702016-А-04 | 45Т-1702016-А-04 | Колонка | |
| 45Т-1702016-А-01 | 45Т-1702016-А-01 | Колонка | |
| 1 | 45Т-1702120 | Рычаг | |
| 2 | 45Т-1702150-01 | Кронштейн | |
| 3 | 45-1702380 | Крышка | |
| 4 | 45Т-1702354 | Валик блокировочный | |
| 5 | 45-1702440-В1-02 | Чехол | |
| 6 | 45Т-1702012-01 | Стойка | |
| 7 | 36-1702014-02 | Прокладка | |
| 8 | 45-1702015-04 | Крышка коробки передач | |
| 9 | 45Т-1702017 | Качалка | |
| 10 | 45Т-1702018-Б | Ось | |
| 11 | 45Т-1702019 | Кольцо | |
| 12 | 45Т-1702021 | Болт | |
| 13 | 45Т-1702022 | Защелка | |
| 14 | 36-1702024 | Вилка переключения первой, второй, четвертой передач и заднего хода | |
| 15 | 40-1702025-А | Поводок промежуточного валика | |
| 16 | 40-1702026-А | Вилка переключения прямой передачи | |
| 17 | 40-1702027 | Вилка переключения третьей и пятой передач | |
| 18 | 40-1702028 | Вилка переключения редуктора | |
| 19 | 45Т-1702029-Б | Пружина | |
| 20 | 45-1702032 | Поясок | |
| 21 | 45-1702043-03 | Кронштейн | |
| 22 | 45-1702045 | Пластина | |
| 23 | 45-1702046 | Прокладка | |
| 24 | 45-1702362 | Пружина | |
| 25 | 45Т-1702052 | Тяга | |
| 26 | 36-1702053 | Упор рычага | |
| 27 | 40-1702054 | Упор рычага | |
| 28 | 45Т-1702055 | Болт | |
| 29 | 36-1702060 | Валик переключения первой передачи и заднего хода | |
| 30 | 40-1702061 | Валик переключения второй и четвертой передач | |
| 31 | 40-1702062 | Валик переключения третьей и пятой передач | |
| 32 | 40-1702063 | Валик переключения редуктора | |
| 33 | 40-1702064 | Валик промежуточный | |
| 34 | 36-1702106-02 | Пружина | |
| 35 | 36-1702107 | Шайба стопорная | |
| 36 | 36-1702108-А | Фиксатор | |
| 37 | 40-1702109 | Планка фиксаторов | |
| 38 | 36-1702110 | Винт установочный специальный | |
| 39 | 36-1702111 | Винт установочный специальный | |
| 40 | 45-1702180-01 | Рукоятка | |
| 41 | 45Т-1702200 | Кулиса | |
| 41 | 45Т-1702200-01 | Кулиса | |
| 42 | 45Т-17022С1 | Корпус колонки | |
| 43 | 36-1702215-Б-02 | Прокладка | |
| 44 | 45Т-1702221 | Упор | |
| 45 | 45-1702353-05 | Крышка фиксаторов | |
| 45 | 45-1702353-04 | Крышка фиксаторов | |
| 46 | 36-1702355-Б2-02 | Прокладка | |
| 47 | 45-1702359 | Винт стопорный | |
| 48 | 45-1702361 | Шайба стопорная | |
| 49 | 36-1702372-02 | Упор пружины | |
| 50 | 45Т-1702373-02 | Фиксатор | |
| 51 | 36-2403029 | Шайба замковая | |
| 52 | 40-3726014 | Пряжка | |
| 53 | 45Т-3903062 | Таблица скоростей | |
| 54 | 45Т-3903063 | Таблица скоростей | |
| 55 | 40-4607068-02 | Кольцо | |
| 56 | 2КГ 1 1/4" | Пробка | |
| 57 | 50-4607107-02 | Рукоятка | |
| 58 | 15.3710-01 | Выключатель | |
| 59 | ВК-403-02 | Выключатель | |
| 60 | В.М4х10.17473 | Винт | |
| 61 | М6х16.7798 | Болт | |
| 62 | М8х20.7796 | Болт | |
| 63 | М10х20.7796 | Болт | |
| 64 | М10х25.7796 | Болт | |
| 65 | М12х30.7796 | Болт | |
| 66 | М8.5916 | Гайка | |
| 67 | 28 | Заглушка | |
| 68 | 12-200 | Шарик | |
| 69 | 4.65Г | Шайба | |
| 70 | 6.65Г | Шайба | |
| 71 | 10.65Г | Шайба | |
| 72 | 12.65Г | Шайба | |
| 73 | 18.02 | Шайба | |
| 74 | 1,6х12 | Шплинт | |
| 75 | 45-1702033 | Шплинт |
Содержащиеся в справочниках-каталогах запасные части и детали не предлагаются к продаже, а носят исключительно информационный характер