Каталог запасных частей к технике: Wirax Z069. Привод
1
1
1
1
1
1
1
1
1
1
1
1
1
1
1
1
2
3
4
5
6
7
8
9
10
11
12
12
13
13
14
15
15
15
16
17
18
19
20
21
21
21
21
22
23
24
25
26
27
28
29
29
30
30
30
31
31
32
32
33
33
34
34
35
36
37
37
37
37
37
38
39
39
40
40
40
40
40
40
40
40
40
41
42
43
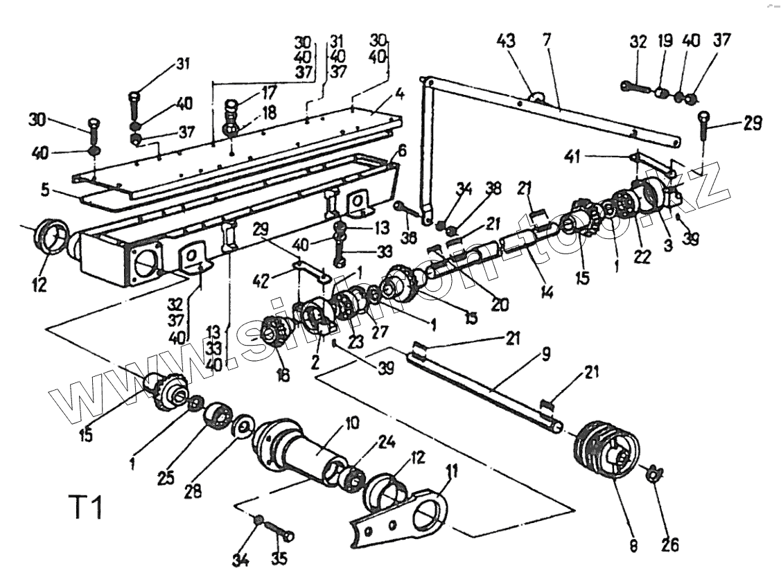
| Позиция на иллюстрации | Заводской номер детали | Название детали | |
|---|---|---|---|
| 8245-036-010-248 | 8245-036-010-248 | Приводной вал, комплект | |
| 1 | 8245-036-010-098 | Регулирующая шайба | |
| 1 | 8245-036-010-120 | Регулирующая шайба | |
| 1 | 8245-036-010-105 | Регулирующая шайба | |
| 1 | 8245-036-010-118 | Регулирующая шайба | |
| 2 | 8245-036-010-187 | Корпус подшипника левый | |
| 3 | 8245-036-010-190 | Корпус подшипника правый | |
| 4 | 8245-036-010-658 | Крышка коробки передач | |
| 5 | 8245-036-010-210 | Уплотнитель | |
| 6 | 8245-036-010-810 | Коробка передач | |
| 7 | 8245-105-000-021 | Тяга, комплект | |
| 8 | 8245-036-010-250 | Малый ремённый шкив | |
| 9 | 8245-036-010-263 | Приводной вал | |
| 10 | 8245-036-010-276 | Втулка | |
| 11 | 8245-036-010-289 | Задняя панель | |
| 12 | 8245-036-010-291 | Несущая втулка | |
| 13 | 8245-036-010-337 | Уплотняющая втулка | |
| 14 | 8245-036-010-352 | Приводной вал | |
| 15 | 8245-036-010-673 | Коническое колесо большое, комплект | |
| 16 | 8245-036-010-066 | Коническое колесо малое, комплект | |
| 17 | 8245-036-010-044 | Клапан | |
| 18 | 8245-036-010-053 | Шайба | |
| 19 | 8245-036-010-719 | Втулка | |
| 20 | PN-70/M-85005 | Призматический шпунт | |
| 21 | PN-70/M-85005 | Призматический шпунт | |
| 22 | PN-85/M-86100 | Шарикоподшипник | |
| 23 | PN-85/M-86100 | Шарикоподшипник | |
| 24 | PN-85/M-86100 | Шарикоподшипник | |
| 25 | PN-87/M-86160 | Радиально-упорный шарикоподшипник | |
| 26 | PN-81/VK85111 | Стопорное пружинящее кольцо | |
| 27 | PN-81/M-85111 | Стопорное пружинящее кольцо | |
| 28 | PN-72/M-86964 | Уплотняющее кольцо | |
| 29 | PN-85/M-82101 | Винт | |
| 30 | PN-85/M-82101 | Винт | |
| 31 | PN-85/M-82101 | Винт | |
| 32 | PN-85/M-82101 | Винт | |
| 33 | PN-85/M-821.01 | Винт | |
| 34 | PN-77/M-82008 | Пружинная шайба | |
| 35 | PN-85/M-82101 | Винт | |
| 36 | PN-85/M-82101 | Винт | |
| 37 | PN-86/W-82144 | Гайка | |
| 38 | PN-86/M-82144 | Гайка | |
| 39 | PN-89/M-85021 | Цилиндрический штифт | |
| 40 | PN-77/M-82008 | Пружинная шайба | |
| 41 | 8245-036-010-632 | Подкладка с двумя отверстиями, отгибающаяся | |
| 42 | 8245-036-010-632 | Подкладка с двумя отверстиями, отгибающаяся | |
| 43 | PN-80/S-83100 | Круглый отражатель |
Содержащиеся в справочниках-каталогах запасные части и детали не предлагаются к продаже, а носят исключительно информационный характер