Вернуться на главную
Поиск
Каталоги запчастей к технике
Сельхозтехника
ВТЗ
Т-30A-80
Установка воздушного фильтра
Каталог запасных частей к технике: ВТЗ Т-30A-80. Установка воздушного фильтра
zoom-in
zoom-out
enlarge
shrink
circle-right
circle-left
file-text2
info
cart
Тип техники
Не выбрано
Легковые автомобили
Грузовые автомобили и прицепы
Автобусы
Сельхозтехника
Спецтехника
Двигатели
Мототехника
Марка
Не выбрано
AGCO
Amity
CASE IH
DongFeng
Fortschritt
Foton
Franz Kleine
Gaspardo
Great Plains
KRONE
KUHN
Lemken
Lovol
MacDon
Massey Ferguson
New Holland
TIGARBO
Vaderstad
Versatile
Wirax
Агро
Агротехмаш
Бобруйскагромаш (ОАО «УКХ «Бобруйскагромаш»)
БЭМЗ
ВгТЗ
Воронежсельмаш
ВТЗ
Гомсельмаш
ДКЗ
ЗАО "Техника-сервис"
ЗиД
КЗК
Кировец-Ландтехник
Клевер
Красная Звезда
Лидагропроммаш
Лидсельмаш
ЛТЗ
Машстройхолдинг
Минитракторы
Мордовагромаш
МТЗ
Навигатор-Новое машиностроение
Нефтекамский автозавод
ПТЗ
Ремком
РСМ
Сибсельмаш
ТеКЗ
ТКЗ
ХЗТСШ
ХТЗ
ЮМЗ
Модель
Не выбрано
Т-25А (1995)
Т-30A-80 (2000)
Схема
>
Не выбрано
Каркас безопасности Т25А3.45.002-03
Кабина (кабина в сборе T30.45.001)
Кабина (дверь кабины Т30.45.013А-03)
Вентиляция кабины
Отопитель (устройство дроссельное)
Отопитель (вентилятор)
Установка сиденья А25.44.011
Электрический стеклоомыватель
Оборудование кабины
Установка пускового приспособления
Тент
Облицовка и платформа трактора
Платформа с покрытием
Остов двигателя
Остов двигателя (картер Д21-1002010А)
Головка цилиндра Клапаны и толкатели клапанов
Поршни и шатуны
Вал коленчатый
Механизм уравновешивающий
Вал распределительный. Клапаны и толкатели клапанов
Трубопроводы впускной и выпускной
Декомпрессор
Компрессор А29.02.000Б-02
Установка двигателя на трактор
Установка воздушного фильтра
Управление двигателем
Бак топливный
Топливопроводы
Фильтр топливный грубой очистки A23.10.000-01
Насос топливоподкачивающий 21.1106010-01
Воздухоочиститель Д37Е-110909012А4-12
Привод топливного насоса с компрессором
Привод топливного насоса
Регулятор топливного насоса
Корпус топливного насоса
Секция высокого давления 53.11110I0
Детали привода топливного насоса
Форсунка 16.1112010-10
Фильтр топливный тонкой очистки А65.01.000
Вентилятор
Картер масляный
Приемник масляного насоса. Насос масляный
Масляный радиатор
Фильтр масляный
Маслопроводы
Установка генератора
Генератор 4667.3701000
Стартер 4707.3708000
Привод тахоспидометра. Датчик
Свеча подогрева
Глушитель
Полурама
Полурама
Устройство прицепное
Мост передний
Передний неведущий мост
Главная передача переднего моста
Бортовая передача переднего моста
Колесо переднее
Переднее колесо
Колесо заднее с шиной 280-711 (10-28)
Передача главная (установка шестерен)
Передача главная (картер в сборе Т25Б.37.016)
Передача главная (блокировка передач)
Передача главная (вал промежуточный)
Передача главная (вал главный)
Передача главная (вал первичный)
Передача главная (дифференциал)
Передача главная (валики переключения передач)
Передача главная (рычаги переключения передач)
Вал отбора мощности
Раздаточная коробка
Карданный вал Т25Б-2203020
Муфта сцепления
Управление муфтой сцепления
Кожух с дисками
Привод гидронасоса
Тормоза
Привод тормозов прицепа
Передача бортовая
Колонка рулевая
Электрооборудование и приборы (схема)
Щиток приборов
Монтаж электрооборудования
Установка аккумуляторных батарей Т30.48.065-02
Электрооборудование и приборы (провода)
Электрооборудование и приборы (жгуты)
Электрооборудование и приборы (жгуты)
Детали электрооборудования
Детали электрооборудования
Патроны и розетки
Электрический стеклоомываталь 11.5208000-15
Шкив A25.52.001
Маслопроводы и насос
Распределитель Р80-3-2 в сборе
Устройство навесное заднее
Корпус гидромеханизма A25.57.001-1
Гидроцилиндр Ц75-1111001Б
Управление рулевое
Управление рулевое (бак-аккумулятор)
Управление рулевое (насос-дозатор)
Управление рулевое (гидроцилиндр Ц40-200-11)
Инструмент шоферский
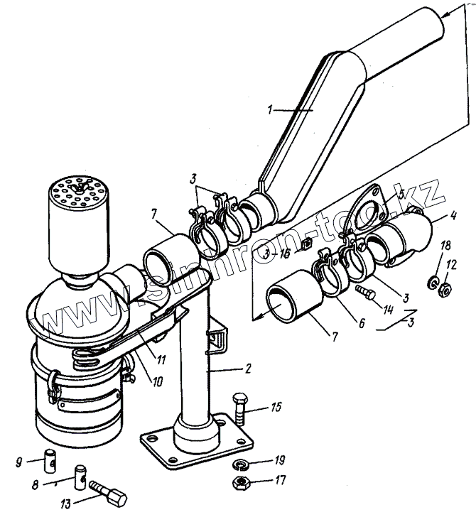
1
2
3
3
3
3
4
5
6
7
7
8
9
10
11
12
13
14
15
16
17
18
19
Позиция на иллюстрации
Заводской номер детали
Название детали
1
A25.11.046
Трубопровод
2
A25.11.056B2-03
Стойка
3
Д37Е-1109530-03
Хомут
4
A25.11.156
Патрубок
5
A25.11.157
Прокладка
6
Д37Е1109532
Хомут
7
Д37М-1109534В
Муфта
8
Т29-1109542Б
Палец подвижный
9
Т29-1109544Б
Палец резьбовой
10
X3-1109546A2
Хомут
11
X3-1109549
Прокладка
12
Д37А-1008127Б
Гайка
13
Д30-1308244
Винт
14
M6.6gx35.88.35.019
Болт
15
4M10.6gx25.88.35.019
Болт
16
M6.6H.6.019
Гайка
17
M10.6H.6.019
Гайка
18
8Т.65Г.06
Шайба
19
10.ОТ.65Г.06
Шайба
Содержащиеся в справочниках-каталогах запасные части и детали не предлагаются к продаже, а носят исключительно информационный характер
Дополнительная информация
×
Название:
Номер:
Примечание: