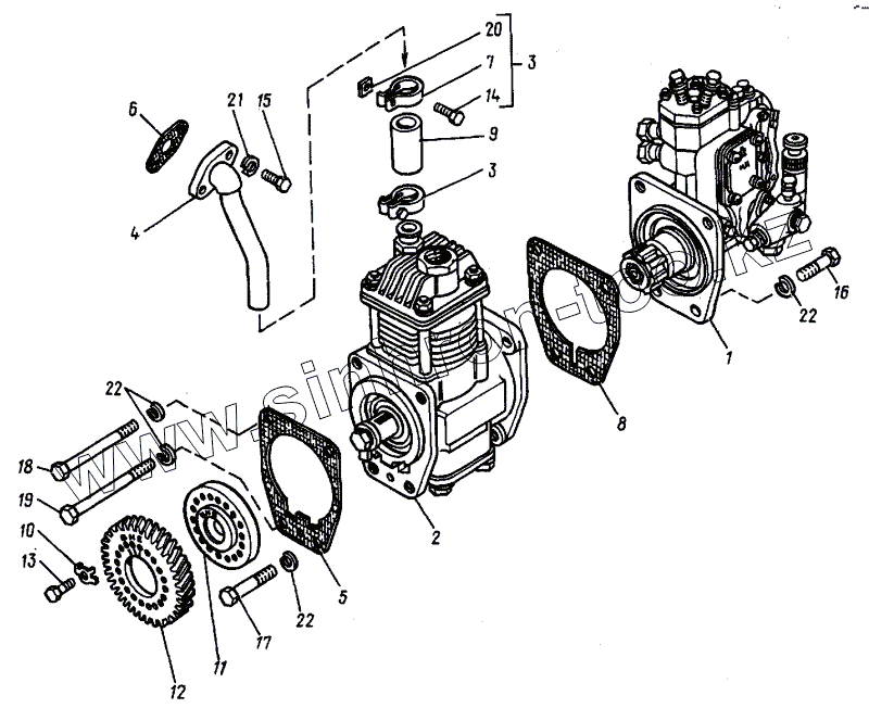
Каталог запасных частей к технике: ВТЗ Т-30A-80. Привод топливного насоса с компрессором
1
2
3
3
4
5
6
7
8
9
10
11
12
13
14
15
16
17
18
19
20
21
22
22
22
| Позиция на иллюстрации | Заводской номер детали | Название детали | |
|---|---|---|---|
| 1 | 53.1111004-42Т | Насос топливный | |
| 2 | А29.02.000Б-02 | Компрессор | |
| 3 | Д120-1405070-10 | Хомут | |
| 4 | Д120-3509230-03 | Трубка | |
| 5 | Д37Е-3509033А-03 | Прокладка | |
| 6 | Д21-1008036-03 | Прокладка | |
| 7 | Д120-1405071-10 | Хомут | |
| 8 | Д30-1111086-03 | Прокладка | |
| 9 | Д37Е-1405092-03 | Трубка | |
| 10 | Д37Е-1111106 | Пластина | |
| 11 | Д144-1111165 | Фланец | |
| 12 | Д144-1111172 | Шестерня | |
| 13 | Д37Е-1111173 | Болт | |
| 14 | М6.6gx25.88.35.019 | Болт | |
| 15 | 4M8.6gx18.88.35.019 | Болт | |
| 16 | 4M10.6gx35.88.35.019 | Болт | |
| 17 | 4М10.6gx65.88.35.019 | Болт | |
| 18 | 4M10.6gx110.88.35.019 | Болт | |
| 19 | 4M10.6gх120.88.35.019 | Болт | |
| 20 | М6.6H.6.019 | Гайка | |
| 21 | 8Т.65Г.06 | Шайба | |
| 22 | 10.ОТ.65Г.06 | Шайба |
Содержащиеся в справочниках-каталогах запасные части и детали не предлагаются к продаже, а носят исключительно информационный характер