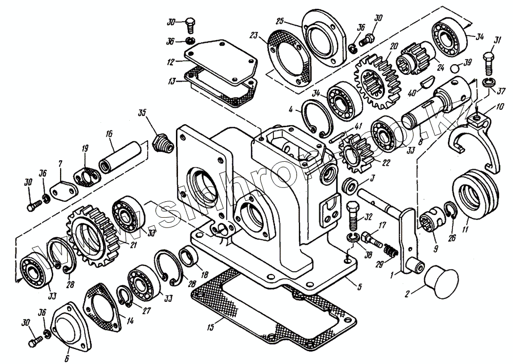
Каталог запасных частей к технике: ВТЗ Т-30A-80. Привод гидронасоса
1
2
3
4
5
6
7
8
9
10
11
12
13
14
15
16
17
18
19
20
21
22
23
24
25
26
27
28
28
29
30
30
30
30
31
32
33
33
33
33
34
34
35
36
36
36
36
37
38
39
40
41
| Позиция на иллюстрации | Заводской номер детали | Название детали | |
|---|---|---|---|
| 1 | Т25Б.22.012 | Рычаг | |
| 2 | 25.22.013-03 | Рукоятка | |
| 3 | 17-С4-03 | Сальник | |
| 4 | T30-3414027 | Кольцо | |
| 5 | Т25.25Б.101-03 | Корпус | |
| 6 | 25.22.102-03 | Крышка | |
| 7 | Т25Б.22.103-03 | Крынка | |
| 8 | Т25Б.22.105 | Валик | |
| 9 | 25.22.106Б | Втулка | |
| 10 | 25.22.107-1 | Вилка | |
| 11 | 25.22.108A | Муфта | |
| 12 | 25.22.110-03 | Крышка | |
| 13 | 25.22.112-03 | Прокладка | |
| 14 | 25.22.113-03 | Прокладка | |
| 15 | Т25Б.22.114-03 | Прокладка | |
| 16 | Т25Б.22.116 | Ось | |
| 17 | 25.22.119 | Фиксатор | |
| 18 | Т25Б.22.121 | Кольцо | |
| 19 | Т25Б.22.123-03 | Прокладка | |
| 20 | Т25Б.22.124 | Шестерня | |
| 21 | Т25Б.22.125 | Шестерня | |
| 22 | Т25Б.22.126 | Шестерня | |
| 23 | Т25Б.22.132-03 | Прокладка | |
| 24 | Т25Б.22.134 | Валик шлицевый | |
| 25 | Т25Б.22.136-03 | Крышка | |
| 26 | A25.22.149 | Кольцо | |
| 27 | 14.04.183 | Кольцо | |
| 28 | Д30-4618224Б | Кольцо | |
| 29 | 54.15.442A | Пружина | |
| 30 | М6.6gx16.88.35.019 | Болт | |
| 31 | 4М8.6gх25.88.35.019 | Болт | |
| 32 | M10.6gx30.88.35.019 | Болт | |
| 33 | 204 | Подшипник | |
| 34 | 205 | Подшипник | |
| 35 | КГ 3/8 -40.019 | Пробка | |
| 36 | 6Т.65Г.06 | Шайба | |
| 37 | 8Т.65Г.06 | Шайба | |
| 38 | 10.ОТ.65Г.06 | Шайба | |
| 39 | 7,938-200 | Шарик | |
| 40 | 5x9 | Шпонка | |
| 41 | 3 11х25 | Штифт |
Содержащиеся в справочниках-каталогах запасные части и детали не предлагаются к продаже, а носят исключительно информационный характер