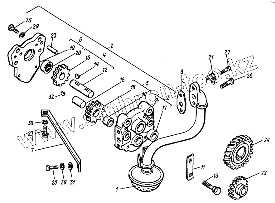
Каталог запасных частей к технике: ВТЗ Т-30A-80. Приемник масляного насоса. Насос масляный
1
2
3
4
5
6
7
8
9
10
11
12
13
14
15
16
17
18
19
20
21
22
23
24
25
26
27
27
28
29
29
30
31
32
| Позиция на иллюстрации | Заводской номер детали | Название детали | |
|---|---|---|---|
| 1 | Д120-1402010 | Приемник | |
| 2 | Д21-1403010Б2-02 | Насос | |
| 3 | Д21-1403020А | Корпус | |
| 4 | Д21-1403050Б | Валик | |
| 5 | Д21-1403110 | Шестерня в сборе | |
| 6 | Д37М-1403150 | Крышка в сборе | |
| 7 | Д120-1402013 | Растяжка | |
| 8 | Д37М-1402183Б-03 | Прокладка | |
| 9 | Д21-1403025А | Корпус | |
| 10 | Д30-1403028 | Втулка | |
| 11 | Д37М-1403032 | Пластина | |
| 12 | Д21-1403052Б2 | Валик | |
| 13 | Д37М-1403056 | Болт | |
| 14 | Д21-1403058 | Шпонка | |
| 15 | Д21-1403075 | Шестерня | |
| 16 | Д21-1403115 | Шестерня | |
| 17 | Д37М-1403118 | Втулка | |
| 18 | Д21-1403125 | Ось | |
| 19 | Д37М-1403155А | Крышка | |
| 20 | Д37М-1403156 | Втулка | |
| 21 | Д37М-1002176 | Шайба стопорная | |
| 22 | Д144-1403228 | Шестерня | |
| 23 | Д30-1403268 | Штифт | |
| 24 | Д144-1403312 | Шестерня | |
| 25 | М6.6gx14.88.35.019 | Болт | |
| 26 | М6.6gx20.88.35.019 | Болт | |
| 27 | 4M8.6gx16.88.35.019 | Болт | |
| 28 | 4M8.6gх30.88.35.019 | Болт | |
| 29 | 6Т.65Г.06 | Шайба | |
| 30 | 8Т.65Г.06 | Шайба | |
| 31 | 6.02.019 | Шайба | |
| 32 | 3x5 | Шпонка |
Содержащиеся в справочниках-каталогах запасные части и детали не предлагаются к продаже, а носят исключительно информационный характер