Каталог запасных частей к технике: ВТЗ Т-30A-80. Отопитель (вентилятор)
1
1
1
1
2
3
4
5
6
7
7
8
9
10
11
12
13
14
15
16
17
18
19
20
21
22
23
24
25
25
25
26
27
28
29
29
30
31
31
32
33
34
34
34
35
35
35
35
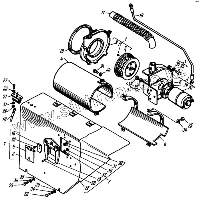
| Позиция на иллюстрации | Заводской номер детали | Название детали | |
|---|---|---|---|
| 1 | Т30.67.030Д-03 | Вентилятор | |
| 2 | Т30.67.031Г-03 | Колесо | |
| 3 | Т30.67.033Б-03 | Панель | |
| 4 | T30.67.035-03 | Цилиндр наружный | |
| 5 | T30.67.036-03 | Постель | |
| 6 | T30.67.045-03 | Заслонка | |
| 7 | Т30.67.050Б-03 | Панель отопителя | |
| 8 | T30.67.055-03 | Щека задняя | |
| 9 | Т30. 67.057-03 | Щека передняя | |
| 10 | T30.67.157 | Прокладка | |
| 11 | T30.67.179 | Шланг | |
| 12 | Т30.67.181Б-03 | Отделка | |
| 13 | Т30.67.185 | Гайка | |
| 14 | T30.67.186 | Прокладка | |
| 15 | T30.67.198A | Панель | |
| 16 | T30.67.199 | Пружина | |
| 17 | Т30.67.200А | Прокладка | |
| 18 | Т30.48.550-01 | Провод | |
| 19 | T30.48.551B-03 | Провод | |
| 20 | МЭ236-3730000-Т | Электродвигатель | |
| 21 | 4607.3710010 | Выключатель | |
| 22 | Д37Ц-1008078 | Шайба | |
| 23 | M6.6gx12.88.35.019 | Болт | |
| 24 | M6.6gx16.88.35.019 | Болт | |
| 25 | М6.6gx20.88.35.019 | Болт | |
| 26 | B.M4.6gx8.58.019 | Винт | |
| 27 | B.M4.6gx12.58.019 | Винт | |
| 28 | B.M5.6gx12.58.019 | Винт | |
| 29 | M4.6H.6A.019 | Гайка | |
| 30 | M5.6Н.6A.019 | Гайка | |
| 31 | 4.65Г.06 | Шайба | |
| 32 | 5Т.65Г.06 | Шайба | |
| 33 | 5.02.019 | Шайба | |
| 34 | 6Т.65Г.06 | Шайба | |
| 35 | 6.02.019 | Шайба |
Содержащиеся в справочниках-каталогах запасные части и детали не предлагаются к продаже, а носят исключительно информационный характер