Каталог запасных частей к технике: ВТЗ Т-30A-80. Оборудование кабины
1
1
1
1
2
3
3
3
4
5
6
6
7
8
9
10
11
12
12
13
14
15
15
16
16
17
18
19
20
21
22
23
24
24
25
26
27
28
29
30
31
32
33
34
35
35
36
37
38
39
40
40
40
40
41
42
43
43
44
45
45
45
46
46
46
47
48
49
49
50
50
51
51
52
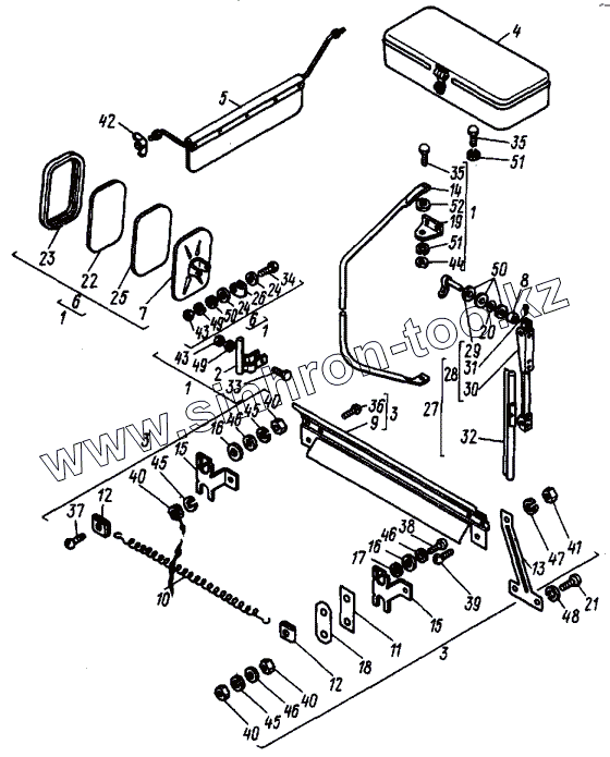
| Позиция на иллюстрации | Заводской номер детали | Название детали | |
|---|---|---|---|
| 1 | T30.69.018 | Зеркало | |
| 2 | T30.69.024 | Хомут | |
| 3 | T30.69.030 | Обогреватель стекла кабины | |
| 4 | 14.47.031 | Ящик инструментальный | |
| 5 | T30.69.050 | Козырек | |
| 6 | 452Д-8201005 | Зеркало | |
| 7 | 452Д-8201022 | Корпус | |
| 8 | A25.21.106 | Втулка | |
| 9 | T30.69.115 | Рефлектор | |
| 10 | Т30.69.116 | Элемент нагревательный | |
| 11 | T30.69.117 | Изолятор | |
| 12 | T30.69.118 | Зажим | |
| 13 | T30.69.119 | Кронштейн | |
| 14 | T30.69.120 | Кронштейн | |
| 15 | T30.69.121 | Скоба | |
| 16 | T30.69.122 | Шайба | |
| 17 | Т30.69.122-10 | Шайба | |
| 18 | T30.69.123 | Перемычка | |
| 19 | T30.69.125 | Кронштейн | |
| 20 | A25.69.160 | Кольцо | |
| 21 | Т30.45.645 | Винт | |
| 22 | 452Д-8201017 | Зеркало | |
| 23 | 452Д-8201019 | Ободок | |
| 24 | 452Д-8201040 | Втулка | |
| 25 | 452Д-8201057 | Прокладка | |
| 26 | 451Д-8201062 | Зажим | |
| 27 | СЛ.900БТ-5205010 | Стеклоочиститель СЛ.900БТ | |
| 28 | СЛ.900Б-5205100 | Рычаг с рукояткой | |
| 29 | СЛ.900Б-5205200 | Рукоятка | |
| 30 | СЛ.900Б-5205500 | Рычаг | |
| 31 | СЛ.22-5205502 | Винт | |
| 32 | СЛ.21-5205800 | Щетка | |
| 33 | 4М8.6gx30.88.35.019 | Болт | |
| 34 | 4M8.6gx50.88.35.019 | Болт | |
| 35 | 4М10.6gx20.88.35.019 | Болт | |
| 36 | М4.6gx8.58.019 | Винт | |
| 37 | M4.6gx12.58.019 | Винт | |
| 38 | М4.6gx18.58.019 | Винт | |
| 39 | М5.6gx12.58.019 | Винт | |
| 40 | M4.6H.6A.019 | Гайка | |
| 41 | M5.6H.6A.019 | Гайка | |
| 42 | М6.7Н.ЦАМ-4-1 | Гайка | |
| 43 | M8.6H.6.019 | Гайка | |
| 44 | М10.6H.6.019 | Гайка | |
| 45 | 4.65Г.06 | Шайба | |
| 46 | 4.02.019 | Шайба | |
| 47 | 5Т.65Г.06 | Шайба | |
| 48 | 6Т.65Г.06 | Шайба | |
| 49 | 8Т.65Г.06 | Шайба | |
| 50 | 8.02.019 | Шайба | |
| 51 | 10.ОТ.65Г.06 | Шайба | |
| 52 | 10.02.019 | Шайба |
Содержащиеся в справочниках-каталогах запасные части и детали не предлагаются к продаже, а носят исключительно информационный характер