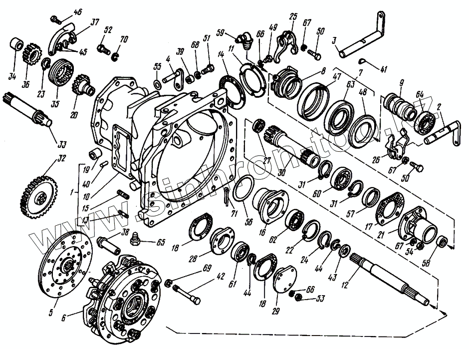
Каталог запасных частей к технике: ВТЗ Т-30A-80. Муфта сцепления
1
2
3
4
5
6
7
8
9
10
11
12
13
14
15
16
17
18
18
19
20
21
22
23
24
25
26
27
28
29
30
31
31
32
33
34
35
36
37
38
39
40
41
42
43
44
44
45
46
47
48
49
50
50
51
52
53
54
55
56
57
58
59
60
61
62
63
64
65
66
66
67
67
67
68
69
70
71
| Позиция на иллюстрации | Заводской номер детали | Название детали | |
|---|---|---|---|
| 1 | Т25Б.21.015-03 | Корпус | |
| 2 | Т25Б. 21.035-03 | Валик с рычагами | |
| 3 | Т25Б.21.035-10-13 | Валик с рычагами | |
| 4 | Т25Б.21.040-03 | Ось вилки | |
| 5 | A52.31.000-10 | Диск ведомый | |
| 6 | A52.32.000 | Кожух с дисками | |
| 7 | A55.71.00 | Подшипник | |
| 8 | Т25Б.70.01 | Втулка | |
| 9 | A55.70.02 | Втулка | |
| 10 | Т25Б.21.101 | Корпус | |
| 11 | 7.30.102-03 | Крышка левая | |
| 12 | Т25Б.21.102 | Вал | |
| 13 | Т25Б.21.10З | Шпилька | |
| 14 | 7.30.104-03 | Прокладка | |
| 15 | Т25Б.21.104 | Шпилька | |
| 16 | Т25Б.21.105 | Стакан | |
| 17 | Т25Б.21.114-03 | Прокладка | |
| 18 | Т25Б.21.121-03 | Прокладка | |
| 19 | 7.21.129 | Втулка | |
| 20 | Т25Б.21.131 | Шестерня | |
| 21 | Т25Б.21.140 | Опора | |
| 22 | T30.21.148 | Кольцо | |
| 23 | 7.37.163-1 | Кольцо | |
| 24 | 7.37.164-1 | Кольцо | |
| 25 | T30.21.167 | Вилка | |
| 26 | T30.21.168 | Вилка | |
| 27 | Т35.21.184Б-03 | Кольцо | |
| 28 | Т25Б.21.212 | Гнездо | |
| 29 | Т25Б.21.213 | Крышка | |
| 30 | Т25Б.21.215 | Вал | |
| 31 | T30.21.216 | Кольцо | |
| 32 | Т25Б.21.217 | Шестерня | |
| 33 | Т25Б.21.219 | Вал | |
| 34 | Т25Б.21.223 | Втулка | |
| 35 | T30.21.224 | Муфта | |
| 36 | Т30.21.225Б | Ступица | |
| 37 | T30.21.226-10 | Вилка | |
| 38 | T35.21.232 | Втулка | |
| 39 | Т25Б.21.245 | Втулка | |
| 40 | A25.21.256 | Штифт | |
| 41 | Т30.21.269 | Шпонка | |
| 42 | T35.21.295 | Болт | |
| 43 | T30.21.326 | Кольцо | |
| 44 | 54.03.441 | Кольцо | |
| 45 | 54.37.481A | Палец | |
| 46 | 14.38.530-10 | Болт | |
| 47 | A55.71.01 | Кожух | |
| 48 | A55.71.02 | Шайба | |
| 49 | 4M8.6gx16.88.35.019 | Болт | |
| 50 | 4М10.6gх40.88.35.019 | Болт | |
| 51 | 4M12.6gx35.88.35.019 | Болт | |
| 52 | 4M16.6gx40.88.35.019 | Болт | |
| 53 | М8.6H.6.019 | Гайка | |
| 54 | М10.6H.6.019 | Гайка | |
| 55 | 013-018-30-2-2 | Кольцо | |
| 56 | 115-120-30-2-2 | Кольцо | |
| 57 | 1.2-55x80-1 | Манжета | |
| 58 | 804805K1 | Манжета | |
| 59 | 2.3.90.01 | Масленка | |
| 60 | 211A | Подшипник | |
| 61 | 305 | Подшипник | |
| 62 | 307K5 | Подшипник | |
| 63 | 60120 | Подшипник | |
| 64 | 688811C9 | Подшипник | |
| 65 | КГ 1/2-40.019 | Пробка | |
| 66 | 8Т.65Г.06 | Шайба | |
| 67 | 10.ОТ.65Г.06 | Шайба | |
| 68 | 12.ОТ.65Г.06 | Шайба | |
| 69 | 14.ОТ.65Г.06 | Шайба | |
| 70 | 16.ОТ.65Г.06 | Шайба | |
| 71 | 4x25.019 | Шплинт |
Содержащиеся в справочниках-каталогах запасные части и детали не предлагаются к продаже, а носят исключительно информационный характер