Каталог запасных частей к технике: ВТЗ Т-30A-80. Мост передний
1
1
1
1
2
3
4
5
6
7
8
9
10
11
12
13
14
15
15
16
17
17
18
18
19
20
20
21
22
23
24
25
26
27
28
29
30
31
32
33
34
35
36
37
38
39
39
40
40
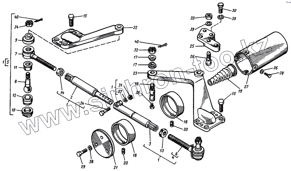
| Позиция на иллюстрации | Заводской номер детали | Название детали | |
|---|---|---|---|
| 1 | Т25Б.31.018 | Тяга поперечная | |
| 2 | Т25Б.31.041 | Труба | |
| 3 | Т25Б.31.042 | Труба | |
| 4 | A35.32.000A | Шарнир | |
| 5 | A35.32.000A-01 | Шарнир | |
| 6 | A35.32.001 | Корпус | |
| 7 | A35.32.001-01 | Корпус | |
| 8 | A35.32.002A | Палец шаровой | |
| 9 | А35.32.005Б | Чехол | |
| 10 | A35.32.006 | Пробка | |
| 11 | A35.32.007 | Вкладыш | |
| 12 | A35.32.008 | Вкладыш | |
| 13 | A35.32.012 | Контргайка | |
| 14 | A35.32.012-01 | Контргайка | |
| 15 | T35A-3414032 | Болт | |
| 16 | T35A-3414044 | Палец | |
| 17 | T35A-3414045 | Втулка | |
| 18 | Т25Б.30.102 | Втулка | |
| 19 | Т25Б-2203122 | Чехол | |
| 20 | Т25Б.31.137 | Фиксатор | |
| 21 | Т25Б.31.138 | Шайба | |
| 22 | Т25Б.31.146 | Рычаг правый | |
| 23 | Т25Б.31.147 | Рычаг левый | |
| 24 | 7.31.150-1 | Болт | |
| 25 | Т25Б.30.151 | Кронштейн | |
| 26 | Т25Б.31.153 | Болт | |
| 27 | Т25Б.31.201 | Кожух | |
| 28 | 4M8.6gx18.88.35.019 | Болт | |
| 29 | 4M14.6gx40.88.35.019 | Болт | |
| 30 | 4M16.6gx35.88.35.019 | Болт | |
| 31 | М10.6Н.6.019 | Гайка | |
| 32 | M16x1,5.6H.8.40.019 | Гайка | |
| 33 | M16x1,5.6H.8.40.019 | Гайка | |
| 34 | M18x1,5.6H.6.019 | Гайка | |
| 35 | 1.3.01.01 | Масленка | |
| 36 | 8Т.65Г.06 | Шайба | |
| 37 | 10.ОТ.65Г.06 | Шайба | |
| 38 | 14.ОТ.65Г.06 | Шайба | |
| 39 | 16.ОТ.65Г.06 | Шайба | |
| 40 | 4x32.019 | Шплинт |
Содержащиеся в справочниках-каталогах запасные части и детали не предлагаются к продаже, а носят исключительно информационный характер