Каталог запасных частей к технике: ВТЗ Т-30A-80. Масляный радиатор
1
1
2
2
3
3
3
4
5
6
7
8
9
10
11
12
12
13
14
15
16
17
18
19
20
21
22
23
24
25
26
27
28
28
29
30
31
32
32
32
32
33
33
34
35
36
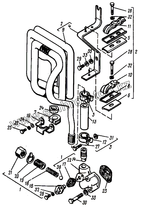
| Позиция на иллюстрации | Заводской номер детали | Название детали | |
|---|---|---|---|
| 1 | Д120-1403360-03 | Редукционный клапан | |
| 2 | Д120-1405020-03 | Радиатор | |
| 3 | Д120-1405070-10 | Хомут | |
| 3 | Д120-1405070 | Хомут | |
| 4 | Д120-1405012-03 | Кронштейн радиатора | |
| 5 | Д120-1405016 | Прокладка | |
| 6 | Д120-1405027 | Прокладка | |
| 7 | Д120-1405045-03 | Муфта | |
| 8 | Д120-1405047 | Прокладка | |
| 9 | Д120-1405054 | Труба радиатора | |
| 10 | Д120-1405063-03 | Планка малая | |
| 11 | Д120-1405068-03 | Планка верхняя | |
| 12 | Д120-1405071 | Хомут | |
| 12 | Д120-1405071-10 | Хомут | |
| 13 | Д37Е-1405092-03 | Трубка | |
| 14 | Д120-1405093 | Трубка | |
| 15 | Д120-1405235-03 | Кожух | |
| 16 | Д120-1405252 | Переключатель | |
| 17 | Д120-1405254-03 | Прокладка | |
| 18 | Д37А-1403368Б | Пружина | |
| 19 | Д30-1403385А | Пробка | |
| 20 | Д30-1403386А | Прокладка | |
| 21 | Д30-1403388А2 | Гайка | |
| 22 | Д120-1403392 | Корпус | |
| 23 | Д120-1403394-03 | Прокладка | |
| 24 | Д30-1007399 | Кольцо | |
| 25 | М6.6gx12.88.35.019 | Болт | |
| 26 | М6.6gх14.88.35.019 | Болт | |
| 27 | M6.6gx25.88.35.019 | Болт | |
| 28 | М6.6gx40.88.35.019 | Болт | |
| 29 | 4H8.6gx16.88.35.019 | Болт | |
| 30 | 4M8.6gx50.88.35.019 | Болт | |
| 31 | M6.6H.6.019 | Гайка | |
| 32 | 6Т.65Г.06 | Шайба | |
| 33 | 8Т.65Г.06 | Шайба | |
| 34 | 6.02.019 | Шайба | |
| 35 | 8.02.019 | Шайба | |
| 36 | 14.288-200 | Шарик |
Содержащиеся в справочниках-каталогах запасные части и детали не предлагаются к продаже, а носят исключительно информационный характер