Вернуться на главную
Поиск
Каталоги запчастей к технике
Сельхозтехника
ВТЗ
Т-25А
Картер в сборе А25.37.016
Каталог запасных частей к технике: ВТЗ Т-25А. Картер в сборе А25.37.016
zoom-in
zoom-out
enlarge
shrink
circle-right
circle-left
file-text2
info
cart
Тип техники
Не выбрано
Легковые автомобили
Грузовые автомобили и прицепы
Автобусы
Сельхозтехника
Спецтехника
Двигатели
Мототехника
Марка
Не выбрано
AGCO
Amity
CASE IH
DongFeng
Fortschritt
Foton
Franz Kleine
Gaspardo
Great Plains
KRONE
KUHN
Lemken
Lovol
MacDon
Massey Ferguson
New Holland
TIGARBO
Vaderstad
Versatile
Wirax
Агро
Агротехмаш
Бобруйскагромаш (ОАО «УКХ «Бобруйскагромаш»)
БЭМЗ
ВгТЗ
Воронежсельмаш
ВТЗ
Гомсельмаш
ДКЗ
ЗАО "Техника-сервис"
ЗиД
КЗК
Кировец-Ландтехник
Клевер
Красная Звезда
Лидагропроммаш
Лидсельмаш
ЛТЗ
Машстройхолдинг
Минитракторы
Мордовагромаш
МТЗ
Навигатор-Новое машиностроение
Нефтекамский автозавод
ПТЗ
Ремком
РСМ
Сибсельмаш
ТеКЗ
ТКЗ
ХЗТСШ
ХТЗ
ЮМЗ
Модель
Не выбрано
Т-25А (1995)
Т-30A-80 (2000)
Схема
>
Не выбрано
Кабина в сборе Т30.45.001-А
Каркас безопасности
Оборудование кабины
Стеклоочиститель
Дверь кабины Т30.45.013-А
Тент
Установка сиденья
Вентиляция кабины
Дроссельное устройство
Вентилятор
Облицовка и платформа трактора
Платформа с покрытием в сборе
Установка двигателя на трактор
Остов двигателя
Головка цилиндра
Поршни и шатуны
Вал коленчатый
Вал распределительный
Трубопроводы впускной и выпускной
Декомпрессор
Установка пускового приспособления
Бак топливный
Топливопроводы
Фильтр топливный грубой очистки
Установка фильтра воздушного
Насос подкачивающий
Воздухоочиститель
Регулятор топливного насоса
Корпус топливного насоса
Секция высокого давления
Детали привода топливного насоса
Привод топливного насоса
Форсунка
Фильтр топливный тонкой очистки
Управление двигателем
Глушитель
Вентилятор
Картер масляный
Приемник масляного насоса
Фильтр масляный
Маслопроводы
Муфта сцепления
Установка шестерен
Картер в сборе А25.37.016
Блокировка передач
Вал промежуточный
Вал главный
Вал первичный
Дифференциал
Валики переключения передач
Рычаги переключения передач
Передача бортовая
Мост передний
Полурама
Колесо переднее 6,00-16"
Колесо заднее 9,5-32" (9-32")
Колесо заднее 10-28"
Управление рулевое
Привод тормозов прицепа
Рукава с тормозами
Электрооборудование и приборы (схема)
Установка генератора
Генератор
Стартер СТ222 -3708000
Свеча подогрева
Аккумуляторы
Монтаж электрооборудования
Провода
Жгуты
Детали электрооборудования
Детали электрооборудования
Патроны и розетки
Фонари
Щиток приборов
Датчики силовой и позиционный
Привод тахоспидометра
Приспособление прицепное
Вал отбора мощности
Привод гидронасоса
Привод гидронасоса (для позиционного регулирования)
Маслопроводы, насос, распределитель и регулятор Р50-Б (для позиционного регулирования)
Маслопроводы и насос
Распределитель в сборе Р75-22-001
Управление регулятором Р50-Б
Корпус гидромеханизма А25.57.001-1
Цилиндр со шлангами в сборе
Шкив
Устройство заднее навесное
Муфта соединительная
Инструмент шоферский
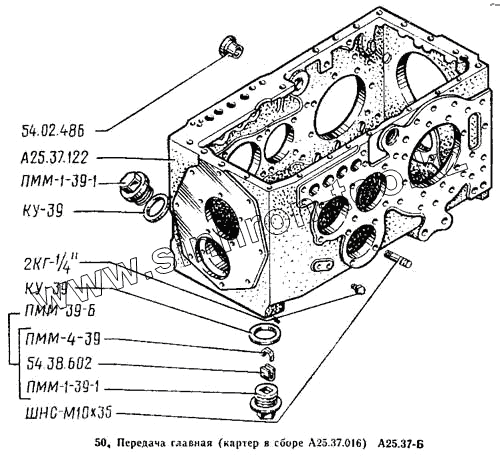
54.02.486
А25.37.122
КУ-39
КУ-39
54.38.602
2КГ-1/4"
ПММ-1-39-1
ПММ-1-39-1
ПММ-39Б
ПММ-4-39
ШНС-М10х35
Позиция на иллюстрации
Заводской номер детали
Название детали
54.02.486
54.02.486
Втулка
А25.37.122
А25.37.122
Картер
КУ-39
КУ-39
Кольцо
54.38.602
54.38.602
Магнит
2КГ-1/4"
2КГ-1/4"
Пробка
ПММ-1-39-1
ПММ-1-39-1
Пробка
ПММ-39Б
ПММ-39Б
Пробка в сборе
ПММ-4-39
ПММ-4-39
Скоба
ШНС-М10х35
ШНС-М10х35
Шпилька
Содержащиеся в справочниках-каталогах запасные части и детали не предлагаются к продаже, а носят исключительно информационный характер
Дополнительная информация
×
Название:
Номер:
Примечание: