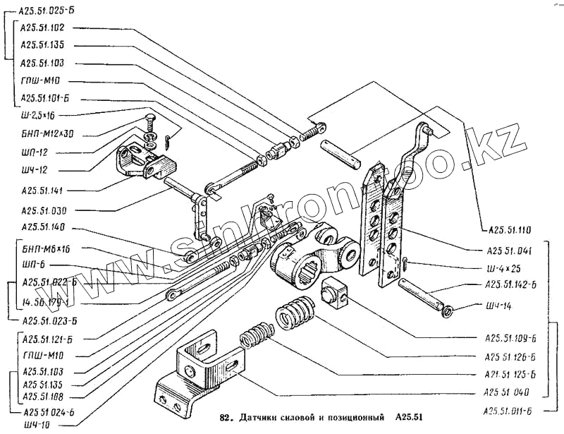
Каталог запасных частей к технике: ВТЗ Т-25А. Датчики силовой и позиционный
А25.51.022-Б
Ш-4Х25
Ш-2,5Х16
ШЧ-14
ШЧ-12
ШЧ-10
ШП-6
ШП-12
А25.51.109-Б
А25.51.140
А25.51.121-Б
А25.51.101-Б
А25.51.025-Б
А25.51.024-Б
А25.51.023-Б
А25.51.030
БНП-М12Х30
14.56.179-1
А25.51.126-Б
А21.51.125-Б
А25.51.110
А25.51.142-Б
А25.51.108
А25.51.102
А25.51.103
А25.51.103
А25.51.041
А25.51.040
А25.51.141
А25.51.011-Б
ГПШ-М10
ГПШ-М10
А25.51.135
А25.51.135
БНП-М6Х16
| Позиция на иллюстрации | Заводской номер детали | Название детали | |
|---|---|---|---|
| А25.51.022-Б | А25.51.022-Б | Рычаг | |
| Ш-4Х25 | Ш-4Х25 | Шплинт | |
| Ш-2,5Х16 | Ш-2,5Х16 | Шплинт | |
| ШЧ-14 | ШЧ-14 | Шайба | |
| ШЧ-12 | ШЧ-12 | Шайба | |
| ШЧ-10 | ШЧ-10 | Шайба | |
| ШП-6 | ШП-6 | Шайба | |
| ШП-12 | ШП-12 | Шайба | |
| А25.51.109-Б | А25.51.109-Б | Упор | |
| А25.51.140 | А25.51.140 | Тяга | |
| А25.51.121-Б | А25.51.121-Б | Тяга | |
| А25.51.101-Б | А25.51.101-Б | Тяга | |
| А25.51.025-Б | А25.51.025-Б | Тяга | |
| А25.51.024-Б | А25.51.024-Б | Тяга | |
| А25.51.023-Б | А25.51.023-Б | Рычаг цилиндра | |
| А25.51.030 | А25.51.030 | Рычаг в сборе | |
| БНП-М12Х30 | БНП-М12Х30 | Болт | |
| 14.56.179-1 | 14.56.179-1 | Рычаг | |
| А25.51.126-Б | А25.51.126-Б | Пружина | |
| А21.51.125-Б | А21.51.125-Б | Пружина | |
| А25.51.110 | А25.51.110 | Палец | |
| А25.51.142-Б | А25.51.142-Б | Ось | |
| А25.51.108 | А25.51.108 | Наконечник | |
| А25.51.102 | А25.51.102 | Наконечник | |
| А25.51.103 | А25.51.103 | Муфта | |
| А25.51.041 | А25.51.041 | Кронштейн в сборе | |
| А25.51.040 | А25.51.040 | Кронштейн в сборе | |
| А25.51.141 | А25.51.141 | Кронштейн | |
| А25.51.011-Б | А25.51.011-Б | Датчик силовой в сборе | |
| ГПШ-М10 | ГПШ-М10 | Гайка | |
| А25.51.135 | А25.51.135 | Гайка | |
| БНП-М6Х16 | БНП-М6Х16 | Болт |
Содержащиеся в справочниках-каталогах запасные части и детали не предлагаются к продаже, а носят исключительно информационный характер