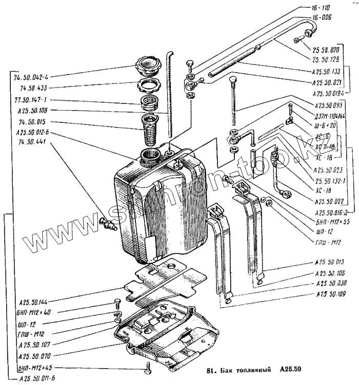
Каталог запасных частей к технике: ВТЗ Т-25А. Бак топливный
25.50.021
А25.50.106
А25.50.109
77.50.147-1
ХС-6
25.50.128
А25.50.016-Д
А25.50.023
25.50.020
А25.50.022
7450.433
А25.50.019-А
74.50.015
ХС-18
ХС-18
ШП-12
ШП-12
25.50.132-Т
А25.50.133
Ш-6Х20
74.50.441
А25.50.013
16-110
БНП-М12Х40
БНП-М12Х45
БНП-М12Х55
ГПШ-М12
ГПШ-М12
А25.50.095
А25.50.012-Б
74.50.042-4
А25.50.011-Б
А25.50.030
ХС7-18
А25.50.108
А25.50.070
16-006
Д37М-1104144
А25.50.107
А25.50.144
| Позиция на иллюстрации | Заводской номер детали | Название детали | |
|---|---|---|---|
| 25.50.021 | 25.50.021 | Трубка короткая в сборе | |
| А25.50.106 | А25.50.106 | Прокладка ленты | |
| А25.50.109 | А25.50.109 | Прокладка ленты | |
| 77.50.147-1 | 77.50.147-1 | Пружина | |
| ХС-6 | ХС-6 | Серьга хомутика | |
| 25.50.128 | 25.50.128 | Трубка | |
| А25.50.016-Д | А25.50.016-Д | Трубка | |
| А25.50.023 | А25.50.023 | Трубка бака | |
| 25.50.020 | 25.50.020 | Трубка в сборе | |
| А25.50.022 | А25.50.022 | Трубка в сборе | |
| 7450.433 | 7450.433 | Прокладка крышки | |
| А25.50.019-А | А25.50.019-А | Трубка сливная | |
| 74.50.015 | 74.50.015 | Фильтр | |
| ХС-18 | ХС-18 | Хомутик стяжной | |
| ШП-12 | ШП-12 | Шайба | |
| 25.50.132-Т | 25.50.132-Т | Шланг | |
| А25.50.133 | А25.50.133 | Шланг | |
| Ш-6Х20 | Ш-6Х20 | Шплинт | |
| 74.50.441 | 74.50.441 | Штуцер | |
| А25.50.013 | А25.50.013 | Лента крепления бака в сборе | |
| 16-110 | 16-110 | Болт | |
| БНП-М12Х40 | БНП-М12Х40 | Болт | |
| БНП-М12Х45 | БНП-М12Х45 | Болт | |
| БНП-М12Х55 | БНП-М12Х55 | Болт | |
| ГПШ-М12 | ГПШ-М12 | Гайка | |
| А25.50.095 | А25.50.095 | Заборная трубка в сборе | |
| А25.50.012-Б | А25.50.012-Б | Корпус в сборе | |
| 74.50.042-4 | 74.50.042-4 | Крышка | |
| А25.50.011-Б | А25.50.011-Б | Бак в сборе | |
| А25.50.030 | А25.50.030 | Лента крепления бака в сборе | |
| ХС7-18 | ХС7-18 | Лента хомутика | |
| А25.50.108 | А25.50.108 | Линейка мерная | |
| А25.50.070 | А25.50.070 | Поддон в сборе | |
| 16-006 | 16-006 | Прокладка | |
| Д37М-1104144 | Д37М-1104144 | Прокладка | |
| А25.50.107 | А25.50.107 | Прокладка бака | |
| А25.50.144 | А25.50.144 | Прокладка бака |
Содержащиеся в справочниках-каталогах запасные части и детали не предлагаются к продаже, а носят исключительно информационный характер