Каталог запасных частей к технике: Воронежсельмаш ЗВС-20А. Электрооборудование
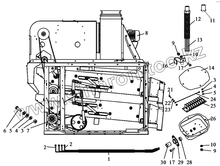
1
2
2
3
3
4
4
5
5
6
7
8
9
9
10
10
11
12
13
14
16
17
17
21
22
23
24
25
26
28
29
30
| Позиция на иллюстрации | Заводской номер детали | Название детали | |
|---|---|---|---|
| ЗВТ 88.010-01 | ЗВТ 88.010-01 | Металлорукав | |
| ЗВТ 88.010 | ЗВТ 88.010 | Металлорукав | |
| 1 | Рукав Р3-Цхр-X-III-18Y1 L=2100 | Рукав Р3-Цхр-X-III-18Y1 L=2100 | |
| 2 | ЗВТ 88.001-01 | Провод | |
| 3 | Гайка М10-6Н.6.019 ГОСТ 5915-70 | Гайка М10-6Н.6.019 ГОСТ 5915-70 | |
| 4 | Шайба 10.65Г.05 ГОСТ 6402-70 | Шайба 10.65Г.05 ГОСТ 6402-70 | |
| 5 | Шайба 10.02.019 ГОСТ 11371-78 | Шайба 10.02.019 ГОСТ 11371-78 | |
| 6 | Болт М10-6gх35.58.019 ГОСТ 7798-70 | Болт М10-6gх35.58.019 ГОСТ 7798-70 | |
| 7 | Двигатель 4А100L 6УПУЗ Р=2,2кВт n=1000об/мин (AЦP 100L6УЗ) | Двигатель 4А100L 6УПУЗ Р=2,2кВт n=1000об/мин (AЦP 100L6УЗ) | |
| 8 | Двигатель 4А112МЧУПУЗ Р=5,5кВт n=1500об/мин | Двигатель 4А112МЧУПУЗ Р=5,5кВт n=1500об/мин | |
| 9 | Гайка М6-6Н.6.019 ГОСТ 5915-70 | Гайка М6-6Н.6.019 ГОСТ 5915-70 | |
| 10 | Шайба 6.65Г.05 ГОСТ 6402-70 | Шайба 6.65Г.05 ГОСТ 6402-70 | |
| 11 | ОВБ 8058 | Втулка | |
| 12 | Рукав Р3-Цхр-X-III-18Y1 L=3260 | Рукав Р3-Цхр-X-III-18Y1 L=3260 | |
| 13 | ЗВТ 88.001 | Провод | |
| 14 | ЗВТ 03.405 | Крышка | |
| 16 | ОВБ 5071 | Скоба | |
| 17 | Винт ВМ6-6gх16.58.019 ГОСТ 17473-80 | Винт ВМ6-6gх16.58.019 ГОСТ 17473-80 | |
| 21 | Винт ВМ5-6gх16.58.019 ГОСТ 17473-80 | Винт ВМ5-6gх16.58.019 ГОСТ 17473-80 | |
| 22 | Шайба 5.65Г.05 ГОСТ 6402-70 | Шайба 5.65Г.05 ГОСТ 6402-70 | |
| 23 | Шайба 5.02.019 ГОСТ 11371-78 | Шайба 5.02.019 ГОСТ 11371-78 | |
| 24 | ЗВТ 88.003 | Провод | |
| 25 | Блок зажимов БЗН-19-25.312.05.Е00У2 | Блок зажимов БЗН-19-25.312.05.Е00У2 | |
| 26 | ЗВТ 03.030А | Коробка клемная | |
| 28 | ОВБ 0223 | Шайба | |
| 29 | ОВБ 4813 | Фланец | |
| 30 | ЗВТ 88.002 | Трубка 3,31-ТВ-40,18 белая, 1 сорта ГОСТ 19034-82 L=50+5 |
Содержащиеся в справочниках-каталогах запасные части и детали не предлагаются к продаже, а носят исключительно информационный характер