Каталог запасных частей к технике: Воронежсельмаш ЗПС-100, ЗМ-60. ПИТАТЕЛЬ ЗП02.070
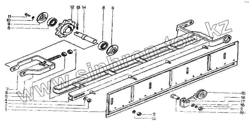
1
2
2
2
3
4
5
6
7
8
8
9
9
10
11
12
13
14
15
16
17
18
18
19
| Позиция на иллюстрации | Заводской номер детали | Название детали | |
|---|---|---|---|
| 1 | ЗП02.160 | Щиток | |
| 2 | ГайкаМ10.5.099 | Гайка М10.5.099 | |
| 3 | Шайба10.02.Сг.3.099 | Шайба 10.02.Сг. 3.099 | |
| 4 | ЗП02.150 | Рама питателя | |
| 5 | ГайкаМ16.5.099 | Гайка М16.5.099 | |
| 6 | ЗП02.270 | Рамка натяжная | |
| 7 | БолтМ10Х25.58.099 | Болт М10Х25.58.099 | |
| 8 | 180205 | Подшипник | |
| 9 | ЗП02.455 | Крышка | |
| 10 | Шайба6.65Г.099 | Шайба 6.65Г.099 | |
| 11 | БолтМ6Х16,58.099 | Болт М6Х 16,58.099 | |
| 12 | ЗП02.103 | Звездочка z-10, t=38,0 | |
| 13 | Шплинт5X36.019 | Шплинт 5X36.019 | |
| 14 | ЗП02.623 | Ось | |
| 15 | ЗП02.108 | Ролик | |
| 16 | ЗП02.443 | Ограничитель | |
| 17 | Шайба10.02.СТ.3.099 | Шайба 10.02.СТ.3.099 | |
| 18 | Шайба10.65Г.099 | Шайба 10.65Г.099 | |
| 19 | ЗП02.612 | Втулка |
Содержащиеся в справочниках-каталогах запасные части и детали не предлагаются к продаже, а носят исключительно информационный характер