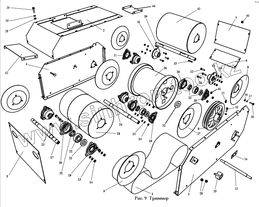
Каталог запасных частей к технике: Воронежсельмаш ПЗМ-80. ПЗТ 11.000 Триммер
1
2
3
4
5
6
7
8
9
9
10
11
12
13
13
13
14
14
14
15
17
18
19
19
19
20
20
21
21
21
22
22
23
24
25
26
27
28
28
29
30
31
32
33
34
35
36
37
38
39
40
41
42
43
44
| Позиция на иллюстрации | Заводской номер детали | Название детали | |
|---|---|---|---|
| 1 | Ремень 400-4 БКНЛ-65-2,0-В | Ремень 400-4 БКНЛ-65-2,0-В | |
| 2 | ПЗТ 11.060 | Крышка | |
| 3 | ПЗТ 11.040 | Боковина | |
| 4 | ПЗТ 11.040-01 | Боковина | |
| 5 | ПЗТ 11.403 | Стенка | |
| 6 | ПЗТ 11.402 | Дно | |
| 7 | ПЗТ 11.404 | Стенка | |
| 8 | ПЗТ 11.104 | Шкив | |
| 9 | ПЗТ 11.427 | Фланец барабана | |
| 10 | ПЗТ 11.601 | Вал | |
| 11 | ПЗТ 11.050 | Опора | |
| 12 | Болт М10-6gх25.58.019 | Болт М10-6gх25.58.019 | |
| 13 | Шайба 10.65 Г 05 | Шайба 10.65 Г 05 | |
| 14 | Гайка М10-6Н.6.019 | Гайка М10-6Н.6.019 | |
| 15 | Шпонка 2-8х7х56 | Шпонка 2-8х7х56 | |
| 17 | ПЗТ 11.602 | Вал | |
| 18 | ПЗТ 11.020 | Барабан натяжной | |
| 19 | ПЗТ 11.102 | Крышка | |
| 20 | ПЗТ 11.101 | Корпус | |
| 21 | Манжета 1,2-30х52-1 | Манжета 1,2-30х52-1 | |
| 22 | Подшипник 1306 | Подшипник 1306 | |
| 23 | Болт М10-6gх45.58.019 | Болт М10-6gх45.58.019 | |
| 24 | ПЗТ 11.603 | Вал | |
| 25 | ПЗТ 11.090 | Кронштейн | |
| 26 | ПЗТ 11.030 | Катушка | |
| 27 | ПЗТ 11.424 | Фланец катушки | |
| 28 | Гайка М12-6Н.6.019 | Гайка М12-6Н.6.019 | |
| 29 | Болт М8.6gх25.58.019 | Болт М8.6gх25.58.019 | |
| 30 | Шайба 8.65Г.05 | Шайба 8.65Г.05 | |
| 31 | ПЗТ 11.103 | Крышка | |
| 32 | Кольцо А3О | Кольцо А3О | |
| 33 | ПЗТ 11.606 | Стяжка | |
| 34 | ПЗТ 11.502 | Фиксатор | |
| 35 | Маслёнка 1,2 УХЛ | Маслёнка 1,2 УХЛ | |
| 36 | Гайка М12-6Н.6.019 | Гайка М12-6Н.6.019 | |
| 37 | Шайба 12.65Г.05 | Шайба 12.65Г.05 | |
| 38 | Болт М12-6Н.06.019 | Болт М12-6Н.06.019 | |
| 39 | ОВБ 6335-01 | Винт | |
| 40 | Шайба 8.02.СТ3.019 | Шайба 8.02.СТ3.019 | |
| 41 | Гайки М8-6Н.019 | Гайки М8-6Н.019 | |
| 42 | ПЗТ 11.406 | Скат | |
| 43 | ПЗТ 11.010 | Барабан приводной | |
| 44 | ПЗТ 11.103 | Крышка |
Содержащиеся в справочниках-каталогах запасные части и детали не предлагаются к продаже, а носят исключительно информационный характер