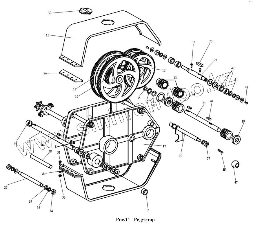
Каталог запасных частей к технике: Воронежсельмаш ПЗМ-80. ОВИ 06.200 Редуктор
2
8
10
11
12
13
15
16
17
19
20
21
22
23
24
25
27
28
29
30
31
32
33
34
35
36
37
38
39
40
41
42
43
44
44
45
46
47
| Позиция на иллюстрации | Заводской номер детали | Название детали | |
|---|---|---|---|
| 2 | ОВБ0138 | Втулка | |
| 8 | Шпонка 2-8x7x70 | Шпонка 2-8x7x70 | |
| 10 | ОВИ 06.210 | Вилка | |
| 11 | ОВИ 06.220 | Блок зубчатый | |
| 12 | ОВИ 06.230 | Блок зубчатый | |
| 13 | ОВИ 06.124 | Стакан | |
| 15 | МСУ 09.350 | Кожух | |
| 16 | ОВИ 06.121 | Колесо зубчатое | |
| 17 | МСУ 09.131 | Боковина | |
| 19 | КСЕ 4087 | Шайба | |
| 20 | ОВБ 5057 | Шпонка | |
| 21 | ОВИ 06.621 | Ось | |
| 22 | ОВИ 06.622 | Вал выходной | |
| 23 | МСУ 09.623 | Вал | |
| 24 | МСУ 09.631 | Шестерня | |
| 25 | МСУ 09.632 | Шпилька | |
| 27 | ОВИ 06.823 | Втулка | |
| 28 | МСУ 09.831 | Втулка | |
| 29 | МСУ 09.031 | Уплотнение | |
| 30 | СММ03.024 | Крышка | |
| 31 | Болт М16х30.58.019 | Болт М16х30.58.019 | |
| 32 | Винт ВМ4х14 | Винт ВМ4х14 | |
| 33 | Гайка М6-6Н.6.019 | Гайка М6-6Н.6.019 | |
| 34 | Гайка М12-6Н.6.019 | Гайка М12-6Н.6.019 | |
| 35 | Гайка М16-6Н.6.019 | Гайка М16-6Н.6.019 | |
| 36 | Шайба 12.65Г.05 | Шайба 12.65Г.05 | |
| 37 | Шайба 16.65Г. 05 | Шайба 16.65Г. 05 | |
| 38 | Шайба 6.02.Ст3.019 | Шайба 6.02.Ст3.019 | |
| 39 | Шайба 12.02.Ст3.019 | Шайба 12.02.Ст3.019 | |
| 40 | Шайба 16.02.019 | Шайба 16.02.019 | |
| 41 | Кольцо 2С52 | Кольцо 2С52 | |
| 42 | Подшипник 180205 | Подшипник 180205 | |
| 43 | Маслёнка 1,2 УХЛ1 | Маслёнка 1,2 УХЛ1 | |
| 44 | Шпонка 2-8x7x20 | Шпонка 2-8x7x20 | |
| 45 | ОВИ 06.508 | Кронштейн | |
| 46 | ОВИ 06.260 | Подшипник | |
| 47 | ОВИ 05.004 | Ролик |
Содержащиеся в справочниках-каталогах запасные части и детали не предлагаются к продаже, а носят исключительно информационный характер