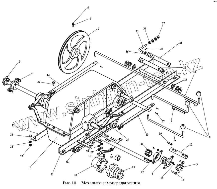
Каталог запасных частей к технике: Воронежсельмаш ПЗМ-80. ОВИ 06.000-02 Механизм самопередвижения
1
2
3
3
4
4
5
6
7
8
9
10
11
12
13
14
15
16
17
18
19
20
21
22
23
24
25
26
26
27
27
27
28
28
29
30
31
32
33
34
35
36
37
| Позиция на иллюстрации | Заводской номер детали | Название детали | |
|---|---|---|---|
| 1 | ОВИ 06.200 | Редуктор | |
| 2 | ОВИ 04.102 | Шкив | |
| 3 | Н023.201-02 | Звёздочка | |
| 4 | СММ 20.140 | Подшипник | |
| 5 | ОВБ 6335 | Винт | |
| 6 | Гайка М10-6Н.6.019 | Гайка М10-6Н.6.019 | |
| 7 | ОВИ 06.601 | Рукоятка | |
| 8 | ОВИ 05.004 | Ролик | |
| 9 | ОВИ 06.080 | Рукоятка | |
| 10 | ОВИ 06.080-01 | Рукоятка | |
| 11 | ОВИ 06.240-01 | Уголок | |
| 12 | ОВИ 06.250-01 | Уголок | |
| 13 | ОВИ 06.501 | Рычаг | |
| 14 | ОВИ 06.501-01 | Рычаг | |
| 15 | ОВИ 06.104 | Полумуфта подвижная | |
| 16 | Болт М10х30.58.019 | Болт М10х30.58.019 | |
| 17 | Шайба 10.65Г.05 | Шайба 10.65Г.05 | |
| 18 | ОВБ 6335-01 | Винт | |
| 19 | Шпонка 2-8х7х70 | Шпонка 2-8х7х70 | |
| 20 | ОВИ 06.604 | Полуось | |
| 21 | ОВБ 5205 | Планка | |
| 22 | МСУ 09.523 | Скоба | |
| 23 | МСУ 09.380 | Ось | |
| 24 | Шайба 16.02.019 | Шайба 16.02.019 | |
| 25 | ОВБ 14-7 | Вилка | |
| 26 | Болт М12х30.58.019 | Болт М12х30.58.019 | |
| 27 | Гайка М12.6.019 | Гайка М12.6.019 | |
| 28 | Шайба 12.65Г.05 | Шайба 12.65Г.05 | |
| 29 | ОС 1073 | Кольцо упорное | |
| 30 | ОВИ 06.020 | Полумуфта неподвижная | |
| 31 | ОВБ 6335-02 | Винт | |
| 32 | Болт М12х40.58.019 | Болт М12х40.58.019 | |
| 33 | ОВИ 06.506-01 | Шпилька | |
| 34 | Шайба 12.02.019 | Шайба 12.02.019 | |
| 35 | Шплинт 3,2х20.019 | Шплинт 3,2х20.019 | |
| 36 | Шайба 12.02.019 | Шайба 12.02.019 | |
| 37 | Шплинт 4х28.019 | Шплинт 4х28.019 |
Содержащиеся в справочниках-каталогах запасные части и детали не предлагаются к продаже, а носят исключительно информационный характер