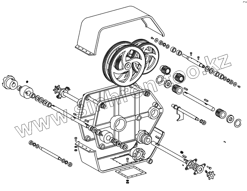
Каталог запасных частей к технике: Воронежсельмаш ОВС-25. ОВИ 06.100 Редуктор
| Позиция на иллюстрации | Заводской номер детали | Название детали | |
|---|---|---|---|
| ВМ4х14 | ВМ4х14 | Винт | |
| ОВБ 0053 | ОВБ 0053 | Прокладка | |
| ОВБ 0105 | ОВБ 0105 | Пробка сливная | |
| ОВИ 06.607 | ОВИ 06.607 | Шпонка | |
| ОВБ 0138 | ОВБ 0138 | Втулка | |
| КСЕ 4087 | КСЕ 4087 | Шайба | |
| Н023.201-02 | Н023.201-02 | Звёздочка | |
| Н026.503 | Н026.503 | Кольцо распорное | |
| НЕН 4.00.002 | НЕН 4.00.002 | Втулка металлокерамическая | |
| НЕН 4.00.003 | НЕН 4.00.003 | Втулка металлокерамическая | |
| 11205 | 11205 | Подшипник | |
| 1.2-25х42-1 | 1.2-25х42-1 | Манжета | |
| М8х35 | М8х35 | Болт | |
| М10х30 | М10х30 | Болт | |
| СММ 20.101 | СММ 20.101 | Подшипник | |
| М8 | М8 | Гайка | |
| М10 | М10 | Гайка | |
| 6.65Г | 6.65Г | Шайба | |
| 8.65Г | 8.65Г | Шайба | |
| 10.65Г | 10.65Г | Шайба | |
| ВМ6х14 | ВМ6х14 | Винт | |
| 24 | 24 | Шайба | |
| 30 | 30 | Шайба | |
| 2-8х7х20 | 2-8х7х20 | Шпонка | |
| 2-8x7х40 | 2-8x7х40 | Шпонка | |
| 2-8х7х56 | 2-8х7х56 | Шпонка | |
| 1.2.Ухл1 | 1.2.Ухл1 | Масленка | |
| ОВБ 1018А | ОВБ 1018А | Крышка подшипника | |
| ОВИ 06.101 | ОВИ 06.101 | Корпус редуктора | |
| ОВИ 06.102 | ОВИ 06.102 | Крышка редуктора | |
| ОВИ 06.003 | ОВИ 06.003 | Втулка | |
| ОВИ 06.104 | ОВИ 06.104 | Полумуфта подвижная | |
| ОВИ 06.105 | ОВИ 06.105 | Полумуфта неподвижная | |
| ОВИ 06.401 | ОВИ 06.401 | Заглушка | |
| ОВИ 06.603 | ОВИ 06.603 | Вал выходной | |
| ОВИ 06.604 | ОВИ 06.604 | Полуось | |
| ОВИ 06.605 | ОВИ 06.605 | Ось | |
| ОВИ 06.001 | ОВИ 06.001 | Уплотнение | |
| ОВБ 14Б-1 | ОВБ 14Б-1 | Блок зубчатый | |
| ОВБ 1017А | ОВБ 1017А | Крышка подшипника | |
| ОВИ 06.100 | ОВИ 06.100 | Редуктор | |
| ОВБ 1066А | ОВБ 1066А | Колесо | |
| ОВБ 1067 | ОВБ 1067 | Кольцо зубчатое | |
| ОВБ 1071 | ОВБ 1071 | Втулка распорная | |
| ОВБ 1072 | ОВБ 1072 | Кольцо распорное | |
| ОС 1073 | ОС 1073 | Кольцо упорное | |
| ОВБ 5057 | ОВБ 5057 | Шпонка | |
| ОВБ 61 ПА | ОВБ 61 ПА | Шестерня | |
| ОВБ 6112 | ОВБ 6112 | Вал входной | |
| ОВБ 6115 | ОВБ 6115 | Шестерня | |
| ОВБ 6191 | ОВБ 6191 | Штифт | |
| ОВБ 6335-01 | ОВБ 6335-01 | Винт | |
| ОВБ 0010-01 | ОВБ 0010-01 | Прокладка |
Содержащиеся в справочниках-каталогах запасные части и детали не предлагаются к продаже, а носят исключительно информационный характер