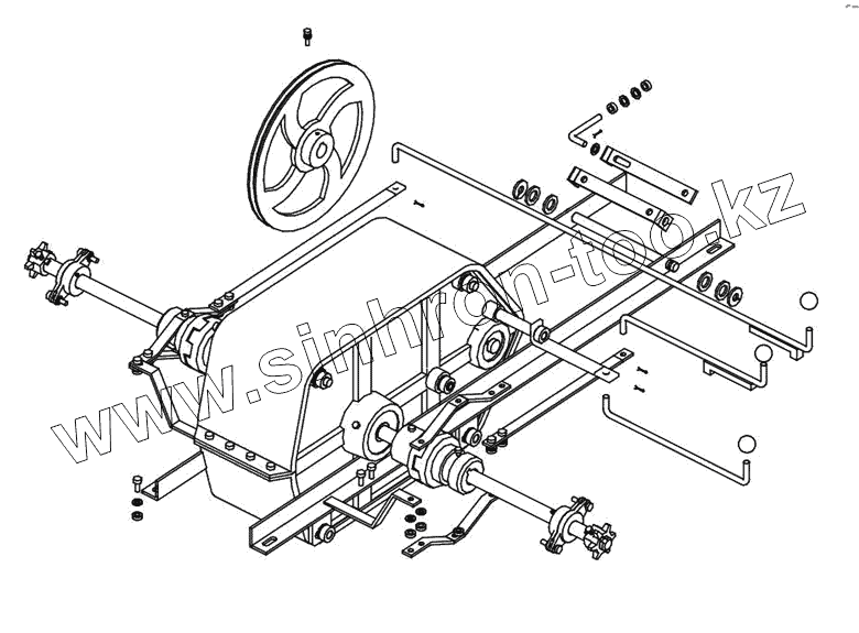
Каталог запасных частей к технике: Воронежсельмаш ОВС-25. ОВИ 06.000 Механизм самопередвижения
| Позиция на иллюстрации | Заводской номер детали | Название детали | |
|---|---|---|---|
| М8 | М8 | Гайка | |
| ОВБ 6175 | ОВБ 6175 | Пружина | |
| ОВБ 6335-01 | ОВБ 6335-01 | Винт | |
| ОВБ 0023 | ОВБ 0023 | Прокладка | |
| ОС 6028 А | ОС 6028 А | Штифт регулятора | |
| ОВИ 06.002 | ОВИ 06.002 | Ручка | |
| М10х30 | М10х30 | Болт | |
| М12х30 | М12х30 | Болт | |
| М12х40 | М12х40 | Болт | |
| ВМ6х14 | ВМ6х14 | Винт | |
| ОВБ 6074 | ОВБ 6074 | Ось | |
| М10 | М10 | Гайка | |
| М12 | М12 | Гайка | |
| 6.65Г | 6.65Г | Шайба | |
| 8.65Г | 8.65Г | Шайба | |
| 10.65Г | 10.65Г | Шайба | |
| 12.65Г | 12.65Г | Шайба | |
| 2,5х16 | 2,5х16 | Шплинт | |
| 4х28 | 4х28 | Шплинт | |
| ОВИ 06.501-01 | ОВИ 06.501-01 | Рычаг | |
| ОВИ 06.100 | ОВИ 06.100 | Редуктор | |
| ОВИ 06.080 | ОВИ 06.080 | Рукоятка | |
| ОВИ 06.030-01 | ОВИ 06.030-01 | Рукоятка | |
| ОВИ 06.036 | ОВИ 06.036 | Вилка | |
| ОВИ 06.060 | ОВИ 06.060 | Уволок | |
| ОВИ 06.070 | ОВИ 06.070 | Уголок | |
| СММ 08.102 | СММ 08.102 | Шкив | |
| ОВИ 00.504 | ОВИ 00.504 | Скоба | |
| ОВИ 06.501 | ОВИ 06.501 | Рычаг | |
| ОВИ 06.000 | ОВИ 06.000 | Механизм самопередвижения | |
| ОВИ 06.601 | ОВИ 06.601 | Рукоятка | |
| ОВИ 06.606 | ОВИ 06.606 | Шпилька | |
| ОВБ 14-7 | ОВБ 14-7 | Вилка | |
| ОББ 20-8 | ОББ 20-8 | Ось | |
| ОВБ 4235 | ОВБ 4235 | Крышка | |
| ОВБ 4810 | ОВБ 4810 | Скоба | |
| ОВБ 4811 | ОВБ 4811 | Направляющая | |
| ОВБ 5205 | ОВБ 5205 | Планка |
Содержащиеся в справочниках-каталогах запасные части и детали не предлагаются к продаже, а носят исключительно информационный характер