Каталог запасных частей к технике: Воронежсельмаш МС-4,5. МСУ 09.010 Редуктор
1
1
2
3
4
4
5
5
6
6
7
8
8
9
10
10
11
12
12
13
13
14
14
15
15
16
17
17
18
18
19
20
21
22
23
24
25
26
27
28
29
30
31
31
32
32
33
34
34
35
36
37
38
39
40
41
42
43
44
44
45
46
47
48
49
50
51
52
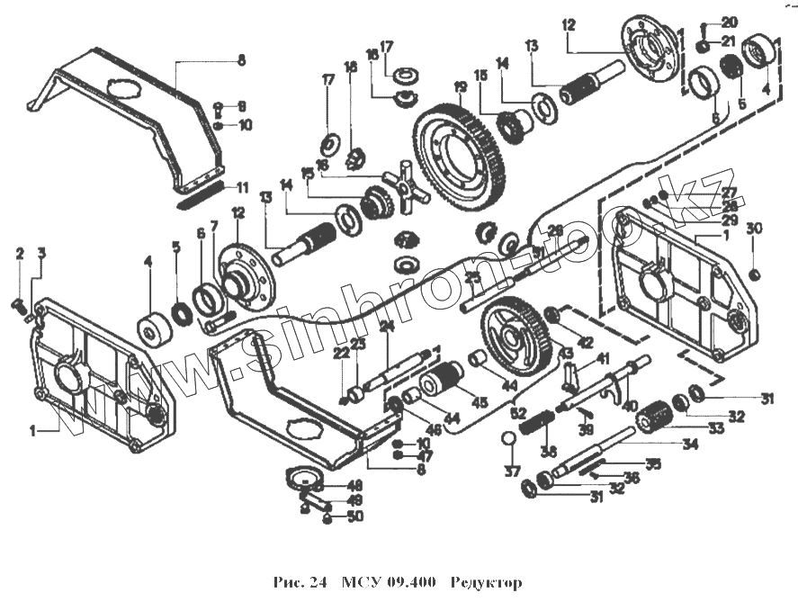
| Позиция на иллюстрации | Заводской номер детали | Название детали | |
|---|---|---|---|
| 1 | МСУ09.131 | Боковина | |
| 2 | ОВБ6335-02 | Винт | |
| 3 | М10 | Гайка | |
| 4 | МСУ09.123 | Стакан | |
| 5 | 1.2–45х65–1 | Манжета | |
| 6 | МСУ09.021 | Втулка | |
| 7 | 60702А | Болт | |
| 8 | МСУ09.350 | Кожух | |
| 9 | М6х26 | Болт | |
| 10 | 6.02.Ст3.019 | Шайба | |
| 11 | МСУ09.031 | Уплотнение | |
| 12 | 20076А-01 | Чашка сателлитов дифференциала | |
| 13 | МСУ09.628 | Полуось | |
| 14 | 54-51478 | Шайба опорная шестерни полуоси | |
| 15 | 54-61898А | Шестерня полуоси дифференциала | |
| 16 | 61068Б | Крестовина дифференциала | |
| 17 | 54-51479 | Шайба опорная сателлита дифференциала | |
| 18 | 54-61899А | Сателлит | |
| 19 | МСУ09.128 | Шестерня ведомая | |
| 20 | 3,2х25.019 | Шплинт | |
| 21 | М14х1,5.6 | Гайка | |
| 22 | 1.2.УХЛ1 | Масленка | |
| 23 | МСУ09.833 | Втулка | |
| 24 | МСУ09.624 | Ось | |
| 25 | МСУ09.831 | Втулка | |
| 26 | МСУ09.632 | Шпилька | |
| 27 | М12 | Гайка | |
| 28 | 12.65Г.05 | Шайба | |
| 29 | 12.02.Ст3.019 | Шайба | |
| 30 | М16 | Гайка | |
| 31 | 2С52 | Кольцо | |
| 32 | 180205 | Подшипник | |
| 33 | МСУ09.631 | Шестерня | |
| 34 | МСУ09.623 | Вал | |
| 35 | ОВБ5057 | Шпонка | |
| 36 | ВМ4х14 | Винт | |
| 37 | ОВИ06.002 | Ручка | |
| 38 | МСУ09.633 | Пружина | |
| 39 | 4х36.019 | Шплинт | |
| 40 | МСУ09.320 | Вилка | |
| 41 | ОВБ4859 | Петля | |
| 42 | МСУ09.621 | Втулка | |
| 43 | МСУ09.122 | Колесо зубчатое | |
| 44 | НЕН4.00.002 | Втулка | |
| 45 | МСУ09.622 | Шестерня | |
| 46 | ОВИ02.425 | Кольцо | |
| 47 | М6 | Гайка | |
| 48 | СММ03.024-01 | Крышка | |
| 49 | МСУ09.038 | Плечо | |
| 50 | МСУ09.039 | Заклепка | |
| 51 | МСУ09.370 | Дифференциал | |
| 52 | МСУ09.310 | Блок зубчатый |
Содержащиеся в справочниках-каталогах запасные части и детали не предлагаются к продаже, а носят исключительно информационный характер