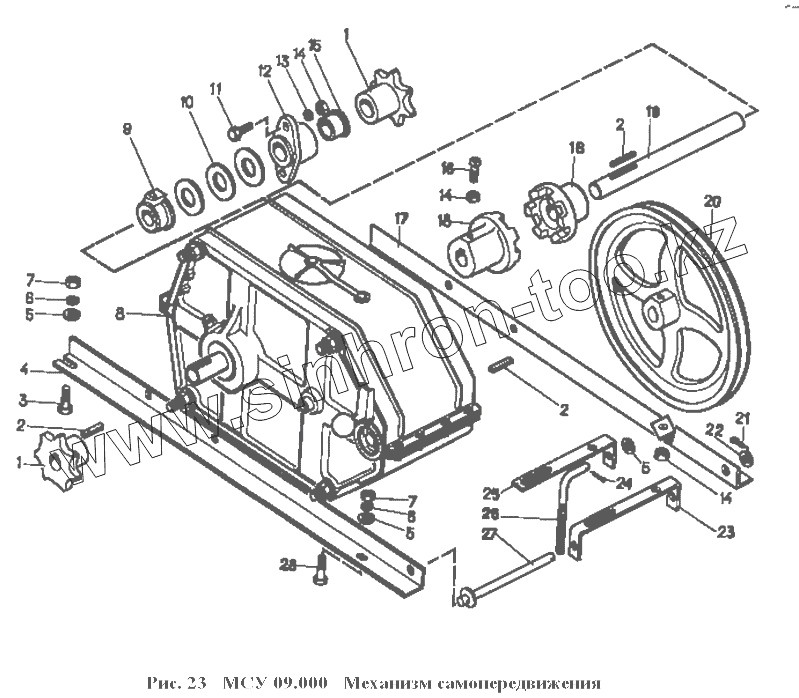
Каталог запасных частей к технике: Воронежсельмаш МС-4,5. МСУ 09.000 Механизм самопередвижения
ГОСТ7802–81
1
1
2
2
2
3
4
5
5
5
6
6
7
7
8
9
10
11
12
13
14
14
14
15
16
17
18
18
19
20
21
22
23
24
25
26
27
28
| Позиция на иллюстрации | Заводской номер детали | Название детали | |
|---|---|---|---|
| ГОСТ7802–81 | ГОСТ7802–81 | ||
| 1 | Н023.201-02 | Звёздочка | |
| 2 | 2–8х7х56 | Шпонка | |
| 3 | М12х35 | Болт | |
| 4 | МСУ09.340 | Уголок | |
| 5 | 12.02 | Шайба | |
| 6 | 12.65Г | Шайба | |
| 7 | М12 | Гайка | |
| 8 | МСУ09.400 | Редуктор | |
| 9 | ОС1073 | Кольцо упорное | |
| 10 | ОВИ02.425-01 | Кольцо | |
| 11 | М10х35 | Болт | |
| 12 | СММ20.102 | Подшипник | |
| 13 | 10.65Г | Шайба | |
| 14 | М10 | Гайка | |
| 15 | НЕН43.031А | Втулка | |
| 16 | ОВБ6335-01 | Винт | |
| 17 | МСУ09.330 | Уголок | |
| 18 | МСУ09.112 | Полумуфта | |
| 19 | МСУ09.616 | Вал | |
| 20 | Н209.104 | Шкив | |
| 21 | 4х28.019 | Шплинт | |
| 22 | 16.02 | Шайба | |
| 23 | МСУ09.523 | Планка | |
| 24 | 3,2х20.019 | Шплинт | |
| 25 | МСУ09.505 | Планка | |
| 26 | ОВИ06.606 | Шпилька | |
| 27 | МСУ09.380 | Ось | |
| 28 | М12х35 | Болт |
Содержащиеся в справочниках-каталогах запасные части и детали не предлагаются к продаже, а носят исключительно информационный характер