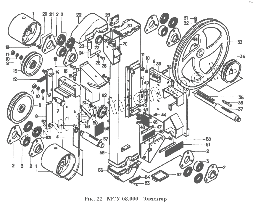
Каталог запасных частей к технике: Воронежсельмаш МС-4,5. МСУ 08.000 Элеватор
1
1
2
2
2
2
2
3
3
3
4
5
6
7
8
9
9
9
10
10
10
11
11
11
12
13
14
15
16
17
18
19
20
20
21
22
23
24
25
26
27
28
29
30
31
32
33
34
35
36
37
38
39
40
41
42
43
44
45
46
47
48
49
50
51
52
53
54
55
56
57
58
59
60
61
62
63
| Позиция на иллюстрации | Заводской номер детали | Название детали | |
|---|---|---|---|
| 1 | СММ08.101 | Шкив | |
| 2 | Н027.203 | Полукорпус подшипника | |
| 3 | 180205 | Подшипник | |
| 4 | МСУ08.001 | Лента | |
| 5 | 2С25 | Кольцо | |
| 6 | МСУ08.140 | Кронштейн | |
| 7 | МСУ08.605 | Ось | |
| 8 | Н206.21.000 | Шкив | |
| 9 | 12.02 | Шайба | |
| 10 | 12.65Г | Шайба | |
| 11 | М12 | Гайка | |
| 12 | ОВИ00.624 | Пружина | |
| 13 | Н206.23.000 | Шкив | |
| 14 | СММ08.472 | Швелер | |
| 15 | СММ08.473 | Скоба | |
| 16 | М12х30 | Болт | |
| 17 | МСУ08.060 | Течка | |
| 18 | М8х25 | Болт | |
| 19 | М8 | Гайка | |
| 20 | 8.65Г | Шайба | |
| 21 | 8.02 | Шайба | |
| 22 | МСУ08.010 | Головка | |
| 23 | МСУ03.023 | Ручка | |
| 24 | МСУ08.601 | Ось | |
| 25 | 6.02 | Шайба | |
| 26 | ВМ6х16 | Винт | |
| 27 | СММ03.024-01 | Крышка | |
| 28 | М8х20 | Болт | |
| 29 | МСУ08.090 | Заслонка | |
| 30 | МСУ08.016 | Прокладка | |
| 31 | ОВБ6335 | Винт | |
| 32 | М10 | Гайка | |
| 33 | МСУ08.101 | Шкив | |
| 34 | Н209.067 | Шкив | |
| 35 | 2–8х7х125 | Шпонка | |
| 36 | 2–8х7х63 | Шпонка | |
| 37 | МСУ08.603 | Вал | |
| 38 | МСУ08.100 | Опора | |
| 39 | М12х30 | Болт | |
| 40 | МСУ08.484 | Пластина | |
| 41 | М12х25 | Болт | |
| 42 | МСУ08.481 | Стопор | |
| 43 | МСУ08.491-01 | Уголок | |
| 44 | М6х16 | Болт | |
| 45 | МСУ08.004 | Уплотнение | |
| 46 | М6 | Гайка | |
| 47 | МСУ08.408 | Накладка | |
| 48 | МСУ08.005 | Уплотнение | |
| 49 | МСУ08.160 | Носок | |
| 50 | МСУ08.408-01 | Накладка | |
| 51 | МСУ08.006 | Уплотнение | |
| 52 | МСУ08.040 | Крышка | |
| 53 | МСУ08.604 | Ось | |
| 54 | МСУ08.009 | Замок | |
| 55 | МСУ08.020 | Головка | |
| 56 | МСУ08.030 | Корпус | |
| 57 | МСУ08.602 | Вал | |
| 58 | МСУ08.003 | Накладка | |
| 59 | МСУ08.012 | Ковш | |
| 60 | МСУ03.038 | Плечо | |
| 61 | МСУ03.039 | Заклепка | |
| 62 | БТ5.00.007-01 | Крышка | |
| 63 | МСУ08.003 | Накладка |
Содержащиеся в справочниках-каталогах запасные части и детали не предлагаются к продаже, а носят исключительно информационный характер