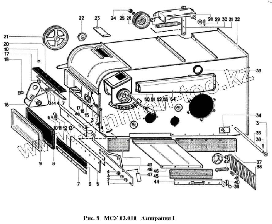
Каталог запасных частей к технике: Воронежсельмаш МС-4,5. МСУ 03.010 Аспирация I
1
2
3
3
3
3
4
4
4
5
6
7
7
8
9
10
10
11
12
13
14
14
15
16
17
17
18
19
20
21
22
23
24
25
26
27
28
29
30
31
32
33
34
35
36
37
38
39
40
41
42
43
44
45
46
47
48
49
50
51
52
53
54
| Позиция на иллюстрации | Заводской номер детали | Название детали | |
|---|---|---|---|
| 1 | МСУ03.602 | Ось | |
| 2 | ОВБ81 | Гайка | |
| 3 | 8.02 | Шайба | |
| 4 | М8 | Гайка | |
| 5 | МСУ03.429 | Клапан | |
| 6 | МСУ03.007 | Уплотнение | |
| 7 | СММ03.481 | Планка | |
| 8 | МСУ03.021 | Уплотнение | |
| 9 | МСУ03.435 | Крышка | |
| 10 | М6 | Гайка | |
| 11 | 6.65Г | Шайба | |
| 12 | МСУ06.508 | Скоба | |
| 13 | МСУ03.437 | Заслонка | |
| 14 | 8.65Г | Шайба | |
| 15 | МПО50.01.608 | Упор | |
| 16 | МСУ03.240 | Стенка | |
| 17 | М6х16 | Болт | |
| 18 | МСУ03.170 | Опора | |
| 19 | М8х20 | Болт | |
| 20 | МСУ03.004 | Уплотнение | |
| 21 | МСУ03.103 | Шкив | |
| 22 | СММ28.000 | Звездочка | |
| 23 | СММ03.780 | Заслонка | |
| 24 | М12 | Гайка | |
| 25 | 12.02 | Шайба | |
| 26 | СММ20.101 | Шкив | |
| 27 | МСУ03.618 | Пружина | |
| 28 | МСУ03.350 | Плита | |
| 29 | 4х36 | Шплинт | |
| 30 | 20.02 | Шайба | |
| 31 | МСУ03.230 | Кронштейн | |
| 32 | МСУ03.110 | Корпус | |
| 33 | МСУ03.018 | Уплотнение | |
| 34 | М8х16 | Болт | |
| 35 | МСУ03.623 | Ось | |
| 36 | 2,5х16 | Шплинт | |
| 37 | МСУ03.027 | Фартук | |
| 38 | ОСУ4018 | Клапан | |
| 39 | МЗП50.030-01 | Винт | |
| 40 | СММ03.453 | Планка | |
| 41 | МСУ03.039 | Заклепка | |
| 42 | МСУ03.038 | Плечо | |
| 43 | СММ03.024-01 | Крышка | |
| 44 | МСУ03.300 | Крышка | |
| 45 | МСУ03.028 | Фартук | |
| 46 | МСУ03.290 | Дно | |
| 47 | МСУ03.023-01 | Ручка | |
| 48 | МСУ03.150 | Ось | |
| 49 | МСУ03.019 | Фартук | |
| 50 | 2-8х7х50 | Шпонка | |
| 51 | СММ03.108 | Шкив | |
| 52 | МСУ03.603 | Торсион | |
| 53 | МСУ03.023 | Ручка | |
| 54 | МСУ03.130 | Воздуховод |
Содержащиеся в справочниках-каталогах запасные части и детали не предлагаются к продаже, а носят исключительно информационный характер