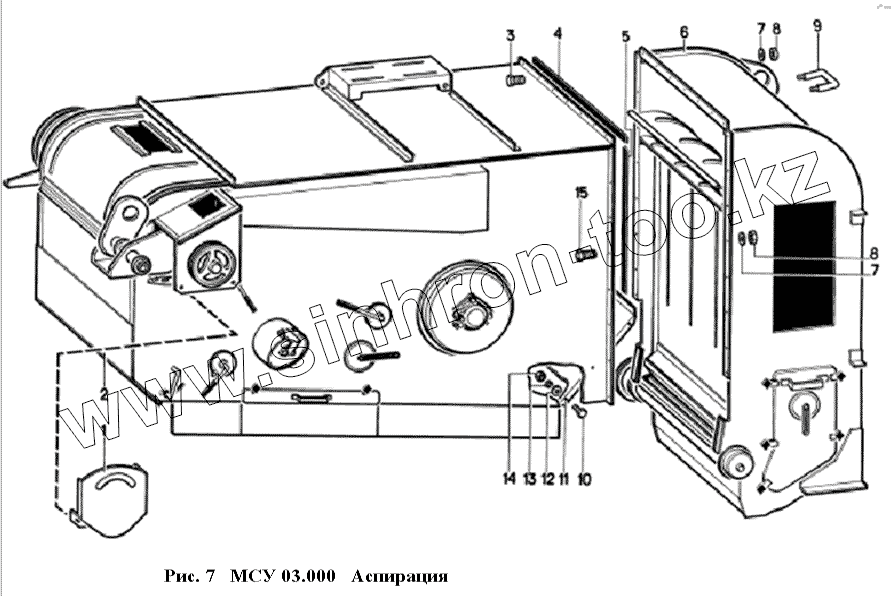
Каталог запасных частей к технике: Воронежсельмаш МС-4,5. МСУ 03.000 Аспирация
1
2
3
4
5
6
7
7
8
8
9
10
11
12
13
14
15
| Позиция на иллюстрации | Заводской номер детали | Название детали | |
|---|---|---|---|
| 1 | МСУ03.320 | Ограждение | |
| 2 | МСУ03.010 | Аспирация I | |
| 3 | М8х16 | Болт | |
| 4 | МСУ03.012 | Пластина | |
| 5 | МСУ03.011 | Пластина | |
| 6 | МСУ03.020 | Аспирация II | |
| 7 | 8.02 | Шайба | |
| 8 | М8 | Гайка | |
| 9 | МСУ03.625 | Ручка | |
| 10 | М6х16 | Болт | |
| 11 | МСУ03.427 | Скат | |
| 12 | 6.02 | Шайба | |
| 13 | 6.65Г | Шайба | |
| 14 | М6 | Гайка | |
| 15 | М8х20 | Болт |
Содержащиеся в справочниках-каталогах запасные части и детали не предлагаются к продаже, а носят исключительно информационный характер