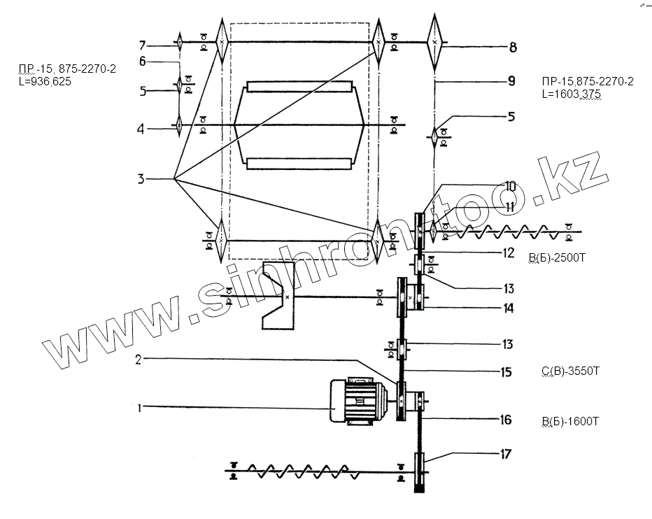
Каталог запасных частей к технике: Воронежсельмаш МПО-50. Схема расположения ремней, цепей, шкивов и звездочек
1
2
3
4
5
5
6
7
8
9
10
11
12
13
13
14
15
16
17
| Позиция на иллюстрации | Заводской номер детали | Название детали | |
|---|---|---|---|
| 1 | АИР 132М6УЗ | Двигатель | |
| 2 | МПО 50.04.101 | Шкив | |
| 3 | МПО 50.01.104 | Звездочка | |
| 4 | Н 022.203 | Звездочка | |
| 5 | МПО 50.01.130 | Звездочка натяжная | |
| 6 | ПР-15, 875-2270-2 | Цепь | |
| 7 | Н 022.020-90 | Звездочка сварная | |
| 8 | Н 022.020-18 | Звездочка | |
| 9 | ПР-15, 875-2270-2 | Цепь | |
| 10 | МПО 50.01.103 | Шкив | |
| 11 | МПО 50.01.603 | Звездочка | |
| 12 | В(Б)-2500Т I класс | Ремень | |
| 13 | МПО 50.04.140 | Шкив | |
| 14 | МПО 50.04.102 | Шкив | |
| 15 | С(В)-3550Т I класс | Ремень | |
| 16 | В(Б)-1600Т I класс | Ремень | |
| 17 | МПО 50.04.105 | Шкив |
Содержащиеся в справочниках-каталогах запасные части и детали не предлагаются к продаже, а носят исключительно информационный характер