Каталог запасных частей к технике: Воронежсельмаш МПО-50. МПО 50.04.000 Воздушная часть
1
2
2
3
3
4
4
5
6
6
7
7
7
8
8
9
9
10
10
11
11
11
12
12
13
13
14
15
15
16
17
18
19
20
21
22
22
23
24
25
26
27
28
29
29
30
31
32
33
34
35
36
37
38
39
40
41
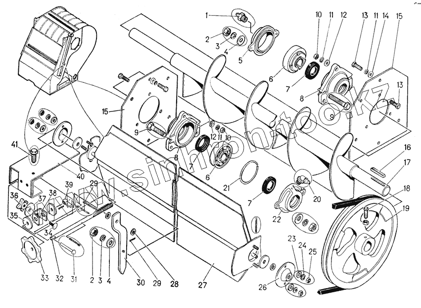
| Позиция на иллюстрации | Заводской номер детали | Название детали | |
|---|---|---|---|
| 1 | 1.3.УХЛ 1 | Масленка | |
| 2 | М8 | Гайка | |
| 3 | 8.65Г | Шайба | |
| 4 | 8.02 | Шайба | |
| 5 | Н026.227 | Крышка подшипника | |
| 6 | 11207 | Подшипник | |
| 7 | 1.2-35х58-1 | Манжета | |
| 8 | Н026.087 | Корпус подшипника | |
| 9 | М8х40 | Болт | |
| 10 | М10 | Гайка | |
| 11 | 10.65Г | Шайба | |
| 12 | 10.02 | Шайба | |
| 13 | М10х30 | Болт | |
| 14 | 10.02 ГОСТ 6958 | Шайба | |
| 15 | МПО 50.04.402 | Накладка | |
| 16 | 2-10х8х56 | Шпонка | |
| 17 | МПО 50.04.090 | Шнек | |
| 18 | ОВБ 6335-01 | Винт | |
| 19 | МПО 50.04.105 | Шкив | |
| 20 | 2.3.45УХЛ 1 | Масленка | |
| 21 | Н026.505 | Кольцо распорное | |
| 22 | Н026.164 | Крышка подшипника | |
| 22 | 4х28 | Шплинт | |
| 23 | 6.02 | Шайба | |
| 24 | 6.65Г | Шайба | |
| 25 | М6 | Гайка | |
| 26 | МПО 50.04.405 | Заглушка | |
| 27 | МПО 50.04.110 | Заслонка | |
| 28 | 12.02 | Шайба | |
| 29 | 2,5х20 | Шплинт | |
| 30 | МПО 50.04.463 | Стрелка | |
| 31 | 5х36 | Шплинт | |
| 32 | МПО 50.04.603 | Ось | |
| 33 | ОВИ 03.003 | Маховик | |
| 34 | М10х35 ГОСТ 7802 | Болт | |
| 35 | СММ 03.009 | Прокладка | |
| 36 | ОВБ 82 | Гайка | |
| 37 | МПО 50.04.409 | Шайба | |
| 38 | ОВБ 5254 | Упор | |
| 39 | ОВФ 03.6025 | Гайка специальная | |
| 40 | МПО 50.04.464 | Крышка | |
| 41 | М8х16 | Болт |
Содержащиеся в справочниках-каталогах запасные части и детали не предлагаются к продаже, а носят исключительно информационный характер