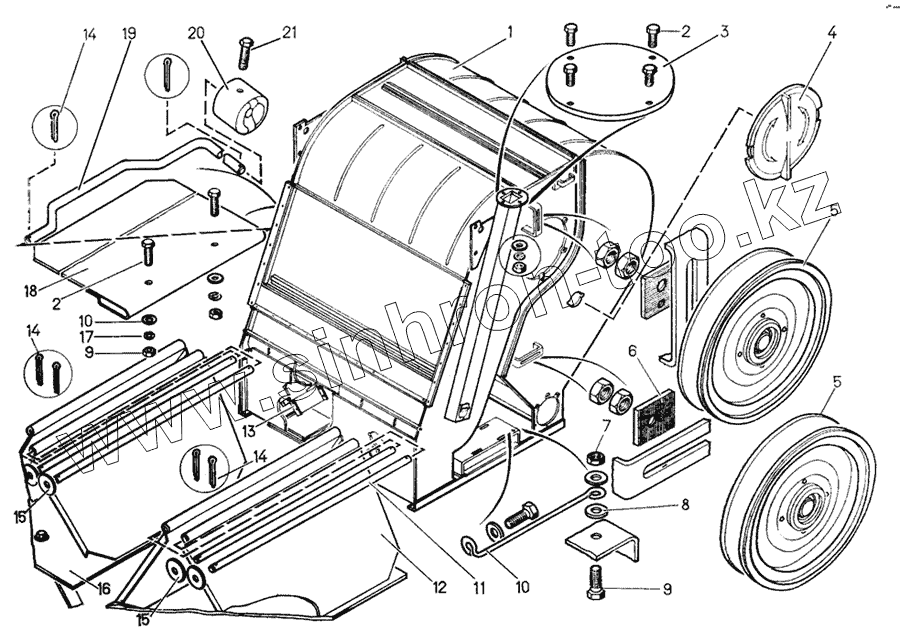
Каталог запасных частей к технике: Воронежсельмаш МПО-50. МПО 50.04.000 Воздушная часть
1
2
2
3
4
5
5
6
7
8
9
9
10
10
11
12
13
14
14
14
15
16
17
18
19
20
21
| Позиция на иллюстрации | Заводской номер детали | Название детали | |
|---|---|---|---|
| 1 | МПО 50.04.050 | Камера | |
| 2 | М8х25 | Болт | |
| 3 | МПО 50.04.404 | Заглушка | |
| 4 | СММ 03.024 | Крышка | |
| 5 | МПО 50.04.140 | Шкив | |
| 6 | МПО 50.04.462 | Шайба | |
| 7 | М8 | Гайка | |
| 8 | 8.02 | Шайба | |
| 9 | М8х20 | Болт | |
| 10 | МПО 50.04.003 | Провод | |
| 11 | МПО 50.04.606 | Ось | |
| 12 | МПО 50.04.406 | Заслонка | |
| 13 | МПО 50.04.449 | Рассекатель | |
| 14 | 2,5х20 | Шплинт | |
| 15 | МПО 50.04.001 | Шайба | |
| 16 | МПО 50.04.020 | Уплотнение | |
| 17 | 8.65Г | Шайба | |
| 18 | МПО 50.04.401 | Заслонка | |
| 19 | МПО 50.04.601 | Ось | |
| 20 | МПО 50.04.104 | Груз | |
| 21 | М8х40 | Болт |
Содержащиеся в справочниках-каталогах запасные части и детали не предлагаются к продаже, а носят исключительно информационный характер