Каталог запасных частей к технике: ВгТЗ ДТ-75В, ДТ-75БВ, ДТ75Н. Выхлопная система дизеля СМД-14НГ
1
1
1
1
2
2
2
3
3
3
4
5
6
6
6
7
7
7
8
8
8
9
10
11
12
13
14
15
16
17
18
20
21
22
22
23
24
25
26
27
28
29
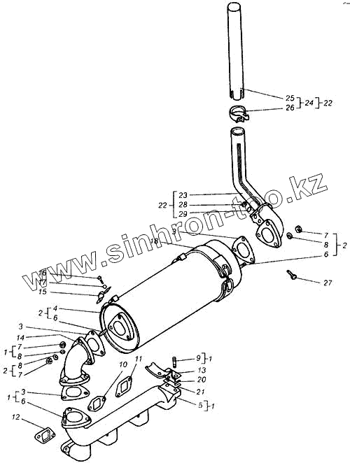
| Позиция на иллюстрации | Заводской номер детали | Название детали | |
|---|---|---|---|
| 1 | 14-07С2-1 | Коллектор выпускной | |
| 2 | 14-07С3 | Глушитель | |
| 3 | СМД1-07С5 | Прокладка выпускной трубы | |
| 4 | 14-07С6 | Глушитель | |
| 5 | 14-0701-1А | Коллектор выпускной | |
| 6 | 14-0709 | Шпилька | |
| 7 | 14-0710 | Гайка | |
| 8 | 12.04.05 | Шайба ГОСТ 11371-78 | |
| 9 | М12-То/6gх35.56.086 | Шпилька ГОСТ 22036-76 | |
| 10 | СМД14-07С7 | Прокладка выпускного коллектора | |
| 11 | СМД1-07С10 | Прокладка выпускного коллектора правая | |
| 12 | СМД55-07С10 | Прокладка выпускного коллектора левая | |
| 13 | 14-07С13-1 | Кронштейн | |
| 14 | 14-0723 | Патрубок | |
| 15 | 14-0738 | Планка | |
| 16 | М8-6gх20.56.016 | Болт ГОСТ 7796-70 | |
| 17 | 865Г05 | Шайба ГОСТ 6402-70 | |
| 18 | 14-07С15 | Хомут | |
| 19 | 14-0728 | Болт | |
| 20 | 14-0734 | Прокладка | |
| 21 | 14-0735 | Прокладка | |
| 22 | 14Н-17С6 | Труба выпускная | |
| 23 | 14-07С4-А | Труба выпускная | |
| 24 | 14Н-17С12 | Труба | |
| 25 | 14Н-0735 | Труба | |
| 26 | А23-02.970 | Хомут | |
| 27 | М10-6gх35.56.016 | Болт ГОСТ 7796-70 | |
| 28 | М10-6Н.6.35.086 | Гайка ГОСТ 15523-70 | |
| 29 | 10.04.05 | Шайба ГОСТ 10450-78 |
Содержащиеся в справочниках-каталогах запасные части и детали не предлагаются к продаже, а носят исключительно информационный характер