Каталог запасных частей к технике: ВгТЗ ДТ-75В, ДТ-75БВ, ДТ75Н. Вал отбора мощности
1
2
3
4
5
6
7
7
8
9
9
10
10
11
12
13
14
15
16
17
18
19
20
20
21
21
22
23
24
25
26
27
28
29
30
31
32
33
34
35
36
37
37
38
38
39
40
41
42
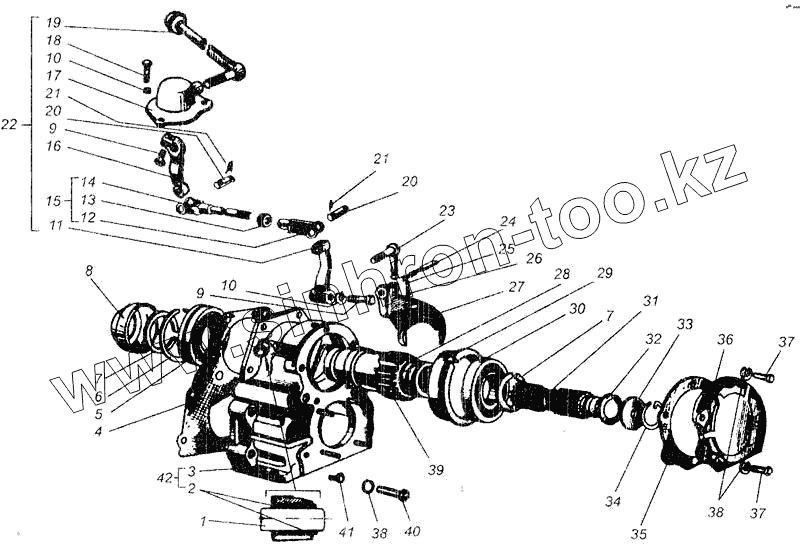
| Позиция на иллюстрации | Заводской номер детали | Название детали | |
|---|---|---|---|
| 78.41.005 | 78.41.005 | ВОМ | |
| 77.41.322-1Б | 77.41.322-1Б | Шестерня ведущая | |
| 78.41.001 | 78.41.001 | Вал отбора мощности | |
| 85.41 201-1А | 85.41 201-1А | Вал ведущий | |
| 1 | 77.41.345 | Кольцо | |
| 2 | 77.41.302-2 | Втулка | |
| 3 | 77.41.301-1 | Корпус | |
| 4 | 77.41.334-А | Прокладка | |
| 5 | 50213 | Шарикоподшипник радиальный однорядный со стопорной канавкой на наружном кольце (65Х120Х23) | |
| 6 | 77.41.189-А | Кольцо пружинное упорное | |
| 7 | 2В65 | Кольцо ГОСТ 13940-68 | |
| 8 | 77.41.360 | Шайба | |
| 9 | М10.6gх35.58.016 | Болт | |
| 10 | Шайба 10.65Г.05 ГОСТ 6402-70 | Шайба 10.65Г.05 ГОСТ 6402-70 | |
| 11 | 77.41.338 | Рычаг переключения | |
| 12 | А40-17 | Вилка | |
| 13 | М12х1,25.8.016 | Гайка ГОСТ5916-70 | |
| 14 | 78.41.013 | Тяга с вилкой | |
| 15 | 78.41.012 | Тяга с вилкой | |
| 16 | 78.41.501 | Рычаг | |
| 17 | К77.41.044 | Крышка в сборе | |
| 18 | М10.6gх20.58.016 | Болт ГОСТ 7796-70 | |
| 19 | К77.41.042 | Валик управления в сборе | |
| 20 | А40-18-01 | Палец | |
| 21 | Шплинт 4х22 ГОСТ 397-79 | Шплинт 4х22 ГОСТ 397-79 | |
| 22 | 78.41.011 | Управление | |
| 23 | 77.41.033-1 | Рычаг вилки в сборе | |
| 24 | 77.41.339-2 | Валик переключения | |
| 25 | БУ 15 081 мм | Шарик ГОСТ 3722-60 | |
| 26 | 77.41.315 | Пружина | |
| 27 | 77.41.032-1 | Вилка переключения | |
| 28 | 77.41.363 | Шестерня ведущая (540 об/мин.) | |
| 29 | 77.41.329-1 | Стакан подшипника верхний | |
| 30 | 60-2213КМ | Подшипник ГОСТ 8328-75 | |
| 31 | 77.41.325-1 | Вал ведущий | |
| 32 | 2В35 | Кольцо ГОСТ 13940-68 | |
| 33 | 77.41.326-1 | Шайба упорная ведущего вала | |
| 34 | 77.41.337-А | Кольцо запорное ведущего вала | |
| 35 | 77.41.332-1 | Прокладка | |
| 36 | 77.41.034-2 | Крышка подшипника верхняя | |
| 37 | М12.6gх35.58.016 | Болт ГОСТ 7796-70 | |
| 38 | 12Т.65Г.05 | Шайба ГОСТ 6402-70 | |
| 39 | 77.41.365 | Шестерня ведущая (1000 об/мин.) | |
| 40 | М12.6gх70.58.016 | Болт ГОСТ 7795-70 | |
| 41 | Пробка КГ 1/8"-3 МТСХМ | Пробка КГ 1/8"-3 МТСХМ | |
| 42 | 77.41.048 | Корпус со втулками |
Содержащиеся в справочниках-каталогах запасные части и детали не предлагаются к продаже, а носят исключительно информационный характер