Вернуться на главную
Поиск
Каталоги запчастей к технике
Сельхозтехника
ВгТЗ
ДТ-75В, ДТ-75БВ, ДТ75Н
Установка гидронасоса НШ-10Е-ЗЛ
Каталог запасных частей к технике: ВгТЗ ДТ-75В, ДТ-75БВ, ДТ75Н. Установка гидронасоса НШ-10Е-ЗЛ
zoom-in
zoom-out
enlarge
shrink
circle-right
circle-left
file-text2
info
cart
Тип техники
Не выбрано
Легковые автомобили
Грузовые автомобили и прицепы
Автобусы
Сельхозтехника
Спецтехника
Двигатели
Мототехника
Марка
Не выбрано
AGCO
Amity
CASE IH
DongFeng
Fortschritt
Foton
Franz Kleine
Gaspardo
Great Plains
KRONE
KUHN
Lemken
Lovol
MacDon
Massey Ferguson
New Holland
TIGARBO
Vaderstad
Versatile
Wirax
Агро
Агротехмаш
Бобруйскагромаш (ОАО «УКХ «Бобруйскагромаш»)
БЭМЗ
ВгТЗ
Воронежсельмаш
ВТЗ
Гомсельмаш
ДКЗ
ЗАО "Техника-сервис"
ЗиД
КЗК
Кировец-Ландтехник
Клевер
Красная Звезда
Лидагропроммаш
Лидсельмаш
ЛТЗ
Машстройхолдинг
Минитракторы
Мордовагромаш
МТЗ
Навигатор-Новое машиностроение
Нефтекамский автозавод
ПТЗ
Ремком
РСМ
Сибсельмаш
ТеКЗ
ТКЗ
ХЗТСШ
ХТЗ
ЮМЗ
Модель
Не выбрано
ВТ-100Д (2015)
ДТ-75
ДТ-75В, ДТ-75БВ, ДТ75Н
ДТ-75М (1996)
ДТ-75МВ (2002)
ДТ-75Н (1987)
Схема
>
Не выбрано
Кабина
Кабина. Дверь в сборе
Обшивка. Основание в сборе
Оборудование кабины. Омыватель переднего стекла кабины
Оборудование кабины
Сиденье
Сиденье. Сборка сиденья
Сиденье. Сборка амортизатора
Оборудование кабины. Обогрев кабины
Установка вентиляционная
Установка вентиляционная. Крыльчатка
Обшивка
Блок-картер
Картер
Патрубок маслоналивной
Трубка сливная
Картер шестерен
Опора передняя
Поршень с шатуном
Вал коленчатый
Маховик
Блок шестерен
Распределение
Головка цилиндров
Механизм газораспределения
Корпус
Колпак
Сапун
Труба водяная
Крышка картера нижняя
Насос масляный
Центрифуга масляная полнопоточная
Ротор центрифуги
Сливной клапан
Установка генератора. Установка счетчика моточасов
Пусковой двигатель П-10УД
Кривошипно-шатунный механизм
Агрегаты пускового двигателя
Регулятор пускового двигателя
Редуктор пускового двигателя
Радиатор масляный
Управление дизелем
Управление запуском дизеля
Установка подогревателя ПЖБ-200 на тракторы ДТ-75В и ДТ-75БВ
Пульт подогревателя ПЖБ-200
Установка дизеля
Воздухоочиститель
Моноциклон
Предочиститель с обратным клапаном
Топливная система дизеля СМД-14НГ
Топливная система дизеля СМД-18Н
Топливный фильтр тонкой очистки топлива ФТ-75А дизеля СМД-14НГ
Многоступенчатый топливный фильтр 2СТФ-3
Топливный фильтр грубой очистки ФГ-25
Форсунка ФД-22
Установка турбокомпрессора дизеля СМД-18Н
Фильтр дизеля СМД-18Н
Турбокомпрессор ТКР-11Н-2. Корпус компрессора
Корпус средний
Корпус турбины
Турбокомпрессор ТКР-85Н-1. Корпус компрессора
Корпус средний
Корпус турбины
Аппаратура топливная и топливопроводы
Баки топливные
Выхлопная система дизеля СМД-14НГ
Выхлопная система дизеля СМД-18Н
Насос водяной дизеля СМД-14НГ
Насос водяной дизеля СМД-18Н
Установка термостата дизеля СМД-18Н
Уплотнение
Радиатор водяной
Шторка радиатора
Муфта сцепления двухдисковая постоянно замкнутая дизеля СМД-14НГ
Муфта сцепления дизеля СМД-18Н
Картер
Установка гидронасоса НШ-46У-Л
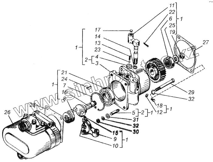
Установка гидронасоса НШ-10Е-ЗЛ
Коробка передач
Коробка передач. Вал заднего хода и дополнительный
Коробка передач. Вал первичный и вторичный
Коробка передач трактора ДТ-75Н. Вал первичный
Управление трактором. Тяга КПП
Передача карданная
Передача карданная трактора ДТ-75Н
Мост задний
Мост задний. Лента в сборе
Мост задний. Механизм планетарный
Мост задний. Шестерня и уплотнение в сборе
Передача конечная трактора ДТ-75В
Передача конечная трактора ДТ-75БВ
Передача конечная трактора ДТ-75БВ. Вал ведущего колеса
Ходоуменьшитель. Крышка верхняя
Ходоуменьшитель. Вал пониженных скоростей
Ходоуменьшитель. Вал ведущий
Ходоуменьшитель. Вал промежуточный. Вал резервных скоростей
Реверс-редуктор
Реверс-редуктор. Валы
Рама трактора ДТ-75В
Рама трактора ДТ-75БВ
Каретка подвески
Колесо направляющее трактора ДТ-75В
Колесо направляющее трактора ДТ-75БВ
Колесо направляющее трактора ДТ-75БВ. Амортизатор в сборе
Ролик поддерживающий трактора ДТ-75В
Ролик поддерживающий трактора ДТ-75БВ
Гусеница трактора ДТ-75В
Гусеница трактора ДТ-75БВ
Управление трактором. Основание. Тяги
Управление трактором. Валы, рычаги, педали
Электрооборудование и приборы. Схема
Электрооборудование. Пучки проводов
Приборы
Прицепное устройство
Тягово-сцепное устройство
Установка сцепки СА-2
Вал отбора мощности
Вал отбора мощности. Вал ведомый
Цилиндр основной
Цилиндр выносной
Цилиндр выносной. Шланги
Бак масляный
Установка распределителя
Установка распределителя. Корпус в сборе
Маслопроводы гидросистемы трактора ДТ-75В
Маслопроводы гидросистемы трактора ДТ-75БВ
Гидроусилитель
Гидроусилитель управления
Механизм навески
Механизм навески. Раскос и растяжка в сборе
Механизм навески. Тяга верхняя в сборе
Муфта разрывная
Инструмент и приспособления
Комплект инструмента и принадлежности. Ключи
Комплект инструмента и принадлежности
1
1
1
1
1
1
2
2
3
4
5
6
7
8
9
10
11
12
13
14
15
16
17
18
19
Позиция на иллюстрации
Заводской номер детали
Название детали
1
СМД9А-26С5
Привод гидронасоса
2
СМД9А-2628-А
Корпус привода гидронасоса
3
СМД9А-2629
Валик привода гидронасоса
4
СМД9А-2630-А
Колесо зубчатое
5
М16-6Н.6.05
Гайка ГОСТ 2526-70
6
205
Подшипник
7
КГ1/8"IIIМТСХМ
Пробка
8
Шпонка сегментная 6х11 ГОСТ 8795-68
Шпонка сегментная 6х11 ГОСТ 8795-68
9
Шайба стопорная 16х32 СТП-251.46-74
Шайба стопорная 16х32 СТП-251.46-74
10
НШ10Е-3-0101002-1
Насос шестеренный НШЮЕ-3-Л
11
СМД1-1327
Прокладка привода
12
СМД1-2613-А
Прокладка
13
14-2605-А
Муфта ведомая
14
15-2612
Кольцо установочное
15
М8.6gх30.56.016
Болт ГОСТ 7796-70
16
М12.6gх90.56.016
Болт ГОСТ 7795-70
17
8.65Г.05
Шайба ГОСТ 6402-70
18
12.65Г.05
Шайба ГОСТ 6402-70
19
8х1,5.04.05
Шайба ГОСТ 10450-78
Содержащиеся в справочниках-каталогах запасные части и детали не предлагаются к продаже, а носят исключительно информационный характер
Дополнительная информация
×
Название:
Номер:
Примечание: