Каталог запасных частей к технике: ВгТЗ ДТ-75В, ДТ-75БВ, ДТ75Н. Управление запуском дизеля
1
1
1
1
2
2
2
3
4
4
5
6
6
6
7
7
8
8
8
9
10
11
12
12
12
13
14
14
14
15
15
16
16
16
16
17
17
17
17
17
18
18
18
18
19
19
19
20
20
21
22
23
23
24
25
26
27
28
29
30
31
32
33
34
35
35
36
37
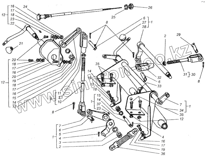
| Позиция на иллюстрации | Заводской номер детали | Название детали | |
|---|---|---|---|
| 78.23.002 | 78.23.002 | Управление запуском | |
| 1 | 78.23.020 | Кронштейн | |
| 2 | М12х1,25.8.016 | Гайка ГОСТ5916-70 | |
| 3 | 12.65Г.05 | Шайба ГОСТ 6402-70 | |
| 4 | Шплинт 3,2х18 ГОСТ 397-79 | Шплинт 3,2х18 ГОСТ 397-79 | |
| 5 | 78.23.028-1 | Рычаг | |
| 6 | А40-18-01 | Палец | |
| 7 | 78.23.215 | Рычаг | |
| 8 | Шплинт 4х22 ГОСТ 397-79 | Шплинт 4х22 ГОСТ 397-79 | |
| 9 | 78.23.037 | Тяга | |
| 10 | 78.23.024 | Тяга | |
| 11 | А40-17 | Вилка | |
| 12 | 78.23.035 | Рукоятка | |
| 13 | 88.23.327 | Рычаг | |
| 14 | 10.65Г.05 | Шайба ГОСТ 6402-70 | |
| 15 | М10.6.016 | Гайка ГОСТ 5915-70 | |
| 16 | М8.6.016 | Гайка ГОСТ 5915-70 | |
| 17 | 8.65Г.05 | Шайба ГОСТ 6402-70 | |
| 18 | 8.01 | Шайба | |
| 19 | М8.6gх20.88.35.016 | Болт ГОСТ 7796-70 | |
| 20 | 88.23.045 | Кронштейн | |
| 21 | А13.05.000 | Рукоятка управления | |
| 22 | 78.23.023 | Рукоятка | |
| 23 | Шпонка 4х6,5 ГОСТ 24071-80 | Шпонка 4х6,5 ГОСТ 24071-80 | |
| 24 | 78.23.033 | Тяга | |
| 25 | 14.65Г.05 | Шайба ГОСТ 6402-70 | |
| 26 | М14х1,5.8.016 | Гайка ГОСТ 5916-70 | |
| 27 | А13.03.000-А | Рукоятка управления | |
| 28 | 78.23.029 | Валик | |
| 29 | 77.38.218 | Палец двуплечих рычагов | |
| 30 | 78.23.036 | Тяга | |
| 31 | 78.23.025 | Тяга | |
| 32 | 77.23.104 | Вилка | |
| 33 | 2.3.45Ц6Хр | Масленка ГОСТ 19853-74 | |
| 34 | 78.23.021 | Кронштейн | |
| 35 | М10.6gх20.58.016 | Болт ГОСТ 7796-70 | |
| 36 | 88.23.043 | Пружина | |
| 37 | 78.23.214 | Палец |
Содержащиеся в справочниках-каталогах запасные части и детали не предлагаются к продаже, а носят исключительно информационный характер