Каталог запасных частей к технике: ВгТЗ ДТ-75В, ДТ-75БВ, ДТ75Н. Реверс-редуктор
1
2
3
4
5
6
6
7
8
9
10
11
12
13
13
13
14
15
16
17
18
18
19
20
21
22
23
24
25
26
27
28
29
30
31
32
33
34
35
36
37
38
39
40
41
42
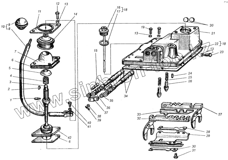
| Позиция на иллюстрации | Заводской номер детали | Название детали | |
|---|---|---|---|
| 78.58.011 | 78.58.011 | Крышка реверс-редуктора в сборе | |
| 1 | 77.37.116-1 | Штифт рычага | |
| 2 | Шпонка 5х9 ГОСТ 24071-80 | Шпонка 5х9 ГОСТ 24071-80 | |
| 3 | К77.58.214 | Рычаг | |
| 4 | 77.37.117 | Пружина рычага | |
| 5 | 77.37.118 | Шайба сферическая | |
| 6 | 77.37.114 | Прокладка фланца | |
| 7 | 77.52.231 | Колпак | |
| 8 | 78.58.114 | Рычаг | |
| 9 | А13.04.000-А | Рукоятка | |
| 10 | 78.58.017 | Рычаг | |
| 11 | 77.37.122 | Кольцо прижимное | |
| 12 | М10.6gх30.58.016 | Болт | |
| 13 | 10.65Г.05 | Шайба ГОСТ 6402-70 | |
| 14 | 77.37.121 | Чехол | |
| 15 | 77.37.165 | Палец валика блокировки переднего | |
| 16 | 78.58.016 | Щуп | |
| 17 | 77.38.203 | Прокладка пробки | |
| 18 | 78.58.001 | Реверс-редуктор | |
| 19 | М10.6gх40.58.016 | Болт ГОСТ 7795-70 | |
| 20 | 28-08кп | Заглушка ГОСТ 3111-67 | |
| 21 | 78.58.109 | Крышка верхняя | |
| 22 | 77.52.230 | Прокладка | |
| 23 | 77.37.218 | Болт стопорный | |
| 24 | 77.52.276 | Штифт | |
| 25 | 77.52.256 | Пружина | |
| 26 | 77.52.255 | Фиксатор | |
| 27 | 77.58.014-1 | Вилка ведущего вала | |
| 28 | 77.52.222 | Пластина замковая | |
| 29 | 77.58.115 | Обойма | |
| 30 | 77.52.254 | Пластина замковая | |
| 31 | М10 6gх20.58.016 | Болт ГОСТ 7796-70 | |
| 32 | 77.52.034 | Вилка ведомого вала | |
| 33 | К77.58.206 | Планка распределительная | |
| 34 | 77.37.143-А | Кольцо уплотнительное | |
| 35 | 77.52.257 | Валик передний | |
| 36 | 77.52.258 | Валик задний | |
| 37 | 77.37.162 | Серьга | |
| 38 | 10.01 | Шайба ГОСТ 11371-78 | |
| 39 | Шплинт 3,2х18 ГОСТ 397-79 | Шплинт 3,2х18 ГОСТ 397-79 | |
| 40 | М12.6gх35.58.016 | Болт ГОСТ 7796-70 | |
| 41 | 12.65Г.05 | Шайба ГОСТ 6402-70 | |
| 42 | 77.52.260-1 | Фланец |
Содержащиеся в справочниках-каталогах запасные части и детали не предлагаются к продаже, а носят исключительно информационный характер