Каталог запасных частей к технике: ВгТЗ ДТ-75В, ДТ-75БВ, ДТ75Н. Обшивка
1
2
2
2
2
2
2
2
2
2
3
3
3
3
3
4
5
6
7
7
8
9
10
11
11
11
12
12
12
13
13
13
13
13
13
13
13
14
14
14
15
15
16
16
17
17
17
18
19
20
21
22
23
23
23
23
24
24
25
25
25
26
27
28
28
28
29
30
31
32
33
34
34
35
36
36
36
37
37
37
37
38
39
40
41
42
44
45
46
47
48
49
51
52
54
55
56
56
56
57
58
59
60
62
63
64
65
66
67
68
69
69
70
71
72
73
74
75
76
77
78
79
81
82
83
84
85
86
87
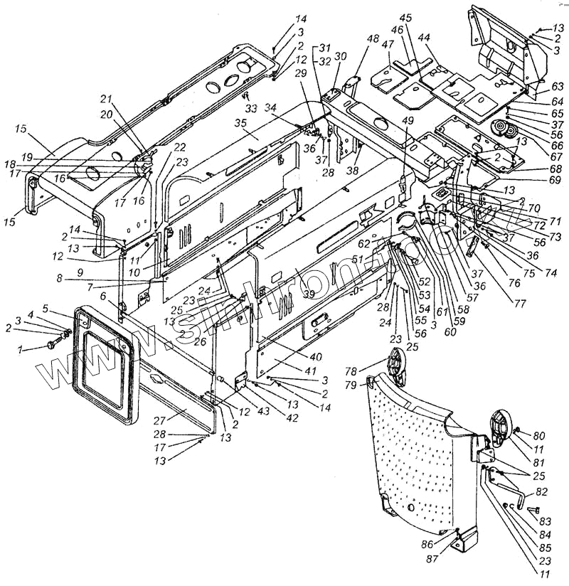
| Позиция на иллюстрации | Заводской номер детали | Название детали | |
|---|---|---|---|
| Б78.47.003 | Б78.47.003 | Обшивка | |
| 79.47.001 | 79.47.001 | Обшивка | |
| 79.47.011 | 79.47.011 | Щит | |
| 88.47.226-5 | 88.47.226-5 | Коврик | |
| 78.47.003 | 78.47.003 | Обшивка | |
| 88.47.382 | 88.47.382 | Раскос | |
| 16.01 | 16.01 | Шайба ГОСТ 11371-68 | |
| М16х1,5 | М16х1,5 | Гайка | |
| 1 | 88.47.082 | Винт | |
| 2 | 10.65Г.05 | Шайба ГОСТ 6402-70 | |
| 3 | 10.01 | Шайба ГОСТ 11371-78 | |
| 4 | 88.47.285 | Шайба | |
| 5 | 88.47.059-1 | Решетка | |
| 6 | 88.47.251 | Стяжка нижняя | |
| 7 | Б78.47.110-1 | Лист передний левый | |
| 7 | Б78.47.109-1 | Лист передний правый | |
| 8 | 88.47.246-1 | Лист боковой передний правый | |
| 9 | 88.47.060-1 | Боковина правая | |
| 10 | 88.47.093 | Боковина правая | |
| 11 | М12.6.016 | Гайка ГОСТ 5915-70 | |
| 12 | М10.6.016 | Гайка ГОСТ 5915-70 | |
| 13 | М10.6gх20.58.016 | Болт ГОСТ 7796-70 | |
| 14 | М10.6gх25.58.016 | Болт ГОСТ 7796-70 | |
| 15 | 78.47.022 | Щит | |
| 16 | М6.6.016 | Гайка ГОСТ 5915-70 | |
| 17 | 6.65Г.05 | Шайба ГОСТ 6402-70 | |
| 18 | 88.47.092 | Петля | |
| 19 | М6.6gх16.58.016 | Винт ГОСТ 17473-72 | |
| 20 | М6.6gх18.58.016 | Винт ГОСТ 17473-72 | |
| 21 | 88.47.345 | Фиксатор | |
| 22 | М12.6gх30.88.35.016 | Болт ГОСТ 7796-70 | |
| 23 | 12.65Г.05 | Шайба ГОСТ 6402-70 | |
| 24 | 12.01 | Шайба ГОСТ 11371-68 | |
| 25 | М12.6gх25.88.35.016 | Болт ГОСТ 7796-70 | |
| 26 | 88.47.078 | Кронштейн усилителя | |
| 27 | Б78.47.111-1 | Крышка передняя | |
| 28 | М8.6.016 | Гайка ГОСТ 5915-70 | |
| 29 | 88.47.248-2 | Крючок задний правый | |
| 30 | 88.47.081 | Опора | |
| 31 | 88.85.030 | Кронштейн правый | |
| 32 | 88.47.245-2 | Опора левая | |
| 33 | 88.47.331 | Подкладка | |
| 34 | 88.47.370 | Буфер | |
| 34 | 88.47.371 | Буфер | |
| 35 | 78.47.023 | Боковина верхняя правая | |
| 36 | М8.6gх20.88.35.016 | Болт ГОСТ 7796-70 | |
| 37 | 8.65Г.05 | Шайба ГОСТ 6402-70 | |
| 38 | 88.47.241-2 | Щиток правый | |
| 39 | 78.47.024 | Боковина верхняя левая | |
| 40 | 88.47.094 | Боковина левая | |
| 41 | 88.47.247-1 | Лист боковой передний левый | |
| 42 | 88.47.061-1 | Боковина левая | |
| 44 | 88.47.307-1 | Подкладка | |
| 45 | 88.47.306-1 | Подкладка | |
| 46 | 88.47.305-1 | Подкладка | |
| 47 | 88.47.304-1 | Подкладка | |
| 48 | 88.47.057-2 | Стойка правая | |
| 49 | 77.47.017-1А | Защелка | |
| 50 | 88.47.249-2 | Крючок задний левый | |
| 51 | Шплинт 2х20-001 ГОСТ 397-79 | Шплинт 2х20-001 ГОСТ 397-79 | |
| 52 | 88.47.083 | Ручка в сборе | |
| 54 | 77.36.131 | Пружина внутренняя | |
| 55 | 88.47.324 | Захват | |
| 56 | 8.01 | Шайба | |
| 57 | 88.85.032 | Стойка правая | |
| 58 | Заклепка 8х30.01 ГОСТ 10299-68 | Заклепка 8х30.01 ГОСТ 10299-68 | |
| 59 | 88.85.150 | Стяжка | |
| 60 | 88.85.149 | Стяжка | |
| 62 | А30.06.101 | Винт-серьга | |
| 63 | 88.47.022-4 | Крышка задняя | |
| 64 | Б78.47.226-2 | Коврик | |
| 65 | М8.6gх 16.88.35.016 | Болт ГОСТ 7796-70 | |
| 66 | 88.47.315 | Колпак | |
| 67 | К77.47.317 | Уплотнение | |
| 68 | 88.47.055-1 | Пол задний | |
| 69 | Б78.47.014-1 | Пол передний | |
| 69 | 88.47.054-2 | Пол передний | |
| 70 | 88.47.088 | Крышка | |
| 71 | 88.47.242-2 | Щиток левый | |
| 72 | 88.47.243-2 | Опора правая | |
| 73 | 88.47.380 | Лапка захвата | |
| 74 | М8.6gх25.88.35.016 | Болт ГОСТ 7796-70 | |
| 75 | 88.47.058-2 | Стойка левая | |
| 76 | 88.47.294 | Болт | |
| 77 | 88.47.291 | Пластина | |
| 78 | Б78.47.022 | Ограждение фары правое | |
| 79 | Б7847.021 | Щит ограждения | |
| 81 | Б78.47.023 | Ограждение фары левое | |
| 82 | Б77.47.022-1 | Кронштейн щита ограждения | |
| 83 | М20х1,5х45.66.40.016 | Болт ГОСТ 7796-70 | |
| 84 | 20.65Г | Шайба ГОСТ 6402-70 | |
| 85 | 20.01 | Шайба ГОСТ 11371-78 | |
| 86 | М14.6gх35.88.35.016 | Болт ГОСТ 7796-70 | |
| 87 | 14.65Г.05 | Шайба ГОСТ 6402-70 |
Содержащиеся в справочниках-каталогах запасные части и детали не предлагаются к продаже, а носят исключительно информационный характер